- Простая реализация 4-проводного подключения датчика RTD для высокоточных измерений температуры
- Analog Devices AD7124-4 AD7124-8
- Заключение
- Материалы по теме
- Аналоговые датчики: применение, способы подключения к контроллеру В процессе автоматизации технологических процессов для управления механизмами и агрегатами приходится сталкиваться с измерениями различных физических величин. Это может быть температура, давление и расход жидкости или газа, частота вращения, сила света информация о положении частей механизмов и многое другое. Эта информация получается с помощью датчиков. Вот, сначала о положении частей механизмов. Дискретные датчики Самый простой датчик – обычный механический контакт: дверь открыли – контакт разомкнулся, закрыли – замкнулся. Такой нехитрый датчик, равно как и приведенный алгоритм работы, часто применяется в охранных сигнализациях. Для механизма с поступательным движением, который имеет два положения, например водопроводная задвижка, понадобится уже два контакта: замкнулся один контакт – задвижка закрыта, замкнулся другой – закрыта. Более сложный алгоритм поступательного движения имеет механизм закрытия прессформы термопласт автомата. Изначально прессформа открыта, это исходное положение. В этом положении из прессформы извлекаются готовые изделия. Далее рабочий закрывает защитное ограждение и прессформа начинает закрываться, начинается новый рабочий цикл. Расстояние между половинами прессформы достаточно велико. Поэтому сначала прессформа движется быстро, а на некотором расстоянии до смыкания половин, срабатывает концевик, скорость движения значительно уменьшается и прессформа плавно закрывается. Такой алгоритм позволяет избежать удара при смыкании прессформы, иначе ее просто можно расколотить на мелкие кусочки. Такое же изменение скорости происходит и при открывании прессформы. Здесь уже двумя контактными датчиками не обойтись. Таким образом, датчики на основе контакта являются дискретными или бинарными, имеют два положения, замкнут – разомкнут или 1 и 0. Другими словами можно сказать, что событие произошло или нет. В приведенном выше примере, контактами «улавливаются» несколько точек: начало движения, точка снижения скорости, конец движения. В геометрии точка не имеет никаких размеров, просто точка и все. Она может либо быть (на листе бумаги, в траектории движения, как в нашем случае) или ее попросту нет. Поэтому для обнаружения точек применяются именно дискретные датчики. Может быть сравнение с точкой здесь не очень уместно, ведь в практических целях пользуются величиной точности срабатывания дискретного датчика, а точность эта намного больше геометрической точки. Но сам по себе механический контакт вещь ненадежная. Поэтому везде, где это возможно, механические контакты заменяются бесконтактными датчиками. Самый простой вариант это герконы: магнит приблизился, контакт замкнулся. Точность срабатывания геркона оставляет желать лучшего, применять такие датчики как раз только для определения положения дверей. Более сложным и точным вариантом следует считать различные бесконтактные датчики. Если металлический флажок вошел в прорезь, то датчик сработал. В качестве примера таких датчиков можно привести датчики БВК (Бесконтактный Выключатель Конечный) различных серий. Точность срабатывания (дифференциал хода) таких датчиков 3 миллиметра. Рисунок 1. Датчик серии БВК Напряжение питания датчиков БВК 24В, ток нагрузки 200мА, что вполне достаточно для подключения промежуточных реле для дальнейшего согласования со схемой управления. Именно так используются датчики БВК в различном оборудовании. Кроме датчиков БВК применяются также датчики типов БТП, КВП, ПИП, КВД, ПИЩ. Каждая серия имеет несколько типов датчиков, обозначаемых цифрами, например, БТП-101, БТП-102, БТП-103, БТП-211. Все упомянутые датчики являются бесконтактными дискретными, их основное назначение определение положения частей механизмов и агрегатов. Естественно, что этих датчиков намного больше, обо всех в одной статье не написать. Еще более распространены и до сих пор находят широкое применение различные контактные датчики. Применение аналоговых датчиков Кроме дискретных датчиков в системах автоматизации широкое применение находят аналоговые датчики. Их назначение – получение информации о различных физических величинах, причем не, просто так вообще, а в реальном масштабе времени. Точнее преобразование физической величины (давление, температура, освещенность, расход, напряжение, ток) в электрический сигнал пригодный для передачи по линиям связи в контроллер и дальнейшая его обработка. Аналоговые датчики располагаются, как правило, достаточно далеко от контроллера, отчего часто их называют полевыми устройствами. Этот термин часто применяется в технической литературе. Аналоговый датчик, как правило, состоит из нескольких частей. Самая главная часть это чувствительный элемент – сенсор. Его назначение перевести измеряемую величину в электрический сигнал. Но сигнал, получаемый от сенсора, как правило, невелик. Для получения сигнала, пригодного для усиления, сенсор чаще всего включается в мостовую схему – мостик Уитстона. Рисунок 2. Мостик Уитстона Изначальное назначение мостовой схемы — точное измерение сопротивления. К диагонали моста AD подключается источник постоянного тока. В другую диагональ подключен чувствительный гальванометр со средней точкой, с нулем в середине шкалы. Для измерения сопротивления резистора Rx вращением подстроечного резистора R2 следует добиться равновесия моста, установить стрелку гальванометра на нулевое значение. Отклонение стрелки прибора в ту или иную сторону позволяет определить направление вращения резистора R2. Величина измеряемого сопротивления определяется по шкале, совмещенной с ручкой резистора R2. Условием равновесия моста является равенство соотношений R1/R2 и Rx/R3. В этом случае между точками BC получается нулевая разность потенциалов, и ток через гальванометр V не протекает. Сопротивление резисторов R1 и R3 подобрано очень точно, их разброс должен быть минимален. Только в этом случае даже небольшой разбаланс моста вызывает достаточно заметное изменение напряжения диагонали BC. Именно это свойство моста используется для подключения чувствительных элементов (сенсоров) различных аналоговых датчиков. Ну, а дальше все просто, дело техники. Для использования сигнала, полученного с сенсора, требуется его дальнейшая обработка, — усиление и преобразование в выходной сигнал, пригодный для передачи и обработки схемой управления — контроллером. Чаще всего выходным сигналом аналоговых датчиков является ток (аналоговая токовая петля), реже напряжение. Почему именно ток? Дело в том, что выходные каскады аналоговых датчиков построены на базе источников тока. Это позволяет избавиться от влияния на выходной сигнал сопротивления соединительных линий, пользоваться соединительными линиями большой длины. Дальнейшее преобразование достаточно просто. Токовый сигнал преобразуется в напряжение, для чего достаточно ток пропустить через резистор известного сопротивления. Падение напряжения на измерительном резисторе получается по закону Ома U=I*R. Например, для тока 10 мА на резисторе сопротивлением 100Ом получится напряжение 10*100=1000мВ, аж прямо целый 1 вольт! При этом выходной ток датчика не зависит от сопротивления соединительных проводов. В разумных, конечно, пределах. Подключение аналоговых датчиков Полученное на измерительном резисторе напряжение легко преобразовать в цифровой вид, пригодный для ввода в контроллер. Преобразование выполняется с помощью аналого-цифровых преобразователей АЦП. Цифровые данные в контроллер передаются последовательным или параллельным кодом. Все зависит от конкретной схемы включения. Упрощенная схема подключения аналогового датчика показана на рисунке 3. Рисунок 3. Подключение аналогового датчика (чтобы увеличить нажмите на картинку) К контроллеру подключаются исполнительные механизмы, либо сам контроллер подключается к компьютеру, входящему в систему автоматизации. Естественно, что аналоговые датчики имеют законченную конструкцию, одним из элементов которой является корпус с присоединительными элементами. В качестве примера на рисунке 4 показан внешний вид датчика избыточного давления типа Зонд-10. Рисунок 4. Датчик избыточного давления Зонд-10 В нижней части датчика можно видеть присоединительную резьбу для подключения к трубопроводу, а справа под черной крышкой находится разъем для подключения линии связи с контроллером. Герметизация резьбового соединения производится с помощью шайбы из отожженной меди (входит в комплект поставки датчика), а отнюдь не подмоткой из фум-ленты или льна. Делается это для того, чтобы при установке датчика не деформировать расположенный внутри сенсорный элемент. Выходные сигналы аналоговых датчиков Согласно стандартам существует три диапазона токовых сигналов: 0…5мА, 0…20мА и 4…20мА. В чем их отличие, и какие особенности? Чаще всего зависимость выходного тока прямо пропорциональна измеряемой величине, например, чем выше давление в трубе, тем больше ток на выходе датчика. Хотя иногда применяется инверсное включение: большей величине выходного тока соответствует минимальное значение измеряемой величины на выходе датчика. Все зависит от типа применяемого контроллера. Некоторые датчики имеют даже переключение с прямого на инверсный сигнал. Выходной сигнал диапазона 0…5мА весьма мал, и поэтому подвержен действию помех. Если сигнал такого датчика колеблется при неизменном значении измеряемого параметра, то есть рекомендации параллельно выходу датчика установить конденсатор емкостью 0.1…1мкФ. Более устойчивым является токовый сигнал в диапазоне 0…20мА. Но оба этих диапазона нехороши тем, что ноль в начале шкалы не позволяет однозначно определить, что же произошло. Или измеряемый сигнал на самом деле принял нулевой уровень, что в принципе возможно, или просто оборвалась линия связи? Поэтому от использования этих диапазонов стараются, по возможности, отказаться. Более надежным считается сигнал аналоговых датчиков с выходным током в диапазоне 4…20мА. Помехозащищенность его достаточно высокая, а нижний предел, даже если измеряемый сигнал имеет нулевой уровень, будет 4мА, что позволяет говорить о том, что линия связи не оборвана. Еще одной хорошей особенностью диапазона 4…20мА является то, что датчики можно подключать всего по двум проводам, поскольку именно таким током питается сам датчик. Это его ток потребления и одновременно измерительный сигнал. Источник питания датчиков диапазона 4…20мА включается, как показано на рисунке 5. При этом датчики Зонд-10, как и многие другие, по паспорту имеют широкий диапазон напряжения питания 10…38В, хотя чаще всего применяются стабилизированные источники с напряжением 24В. Рисунок 5. Подключение аналогового датчика с внешним источником питания На этой схеме присутствуют следующие элементы и обозначения. Rш – резистор измерительного шунта, Rл1 и Rл2 – сопротивления линий связи. Для повышения точности измерения в качестве Rш должен использоваться прецизионный измерительный резистор. Прохождение тока от источника питания показано стрелками. Нетрудно видеть, что выходной ток источника питания проходит с клеммы +24В, через линию Rл1 достигает клеммы датчика +AO2, проходит через датчик и через выходной контакт датчика — AO2, соединительную линию Rл2, резистор Rш возвращается на клемму источника питания -24В. Все, цепь замкнулась, ток течет. В случае, если контроллер содержит источник питания 24В, то подключение датчика или измерительного преобразователя возможно по схеме, показанной на рисунке 6. Рисунок 6. Подключение аналогового датчика к контроллеру с внутренним источником питания На этой схеме показан еще один элемент – балластный резистор Rб. Его назначение защита измерительного резистора при замыкании линии связи или неисправности аналогового датчика. Установка резистора Rб необязательна, хотя и желательна. Кроме различных датчиков токовый выход имеют также измерительные преобразователи, которые в системах автоматизации используются достаточно часто. Измерительный преобразователь – устройство для преобразования уровней напряжения, например, 220В или тока в несколько десятков или сотен ампер в токовый сигнал 4…20мА. Здесь просто происходит преобразование уровня электрического сигнала, а не представление некоторой физической величины (скорость, расход, давление) в электрическом виде. Но единственным датчиком дело, как правило, не обходится. Одними из самых популярных измерения являются измерения температуры и давления. Количество таких точек на современных производствах может достигать нескольких десятков тысяч. Соответственно и количество датчиков тоже велико. Поэтому к одному контроллеру чаще всего подключается сразу несколько аналоговых датчиков. Конечно же, не сразу несколько тысяч, хорошо, если десяток – другой. Такое подключение показано на рисунке 7. Рисунок 7. Подключение нескольких аналоговых датчиков к контроллеру На этом рисунке показано, как из токового сигнала получается напряжение, пригодное для преобразования в цифровой код. Если таких сигналов несколько, то обрабатываются они не все сразу, а разделяются по времени, мультиплексируются, в противном случае на каждый канал пришлось бы ставить отдельный АЦП. Для этой цели контроллер имеет схему коммутации каналов. Функциональная схема коммутатора показана на рисунке 8. Рисунок 8. Коммутатор каналов аналоговых датчиков (картинка кликабельна) Сигналы токовой петли, преобразованные в напряжение на измерительном резисторе (UR1…URn) поступают на вход аналогового коммутатора. Управляющие сигналы поочередно пропускают на выход один из сигналов UR1…URn, которые усиливаются усилителем, и поочередно поступают на вход АЦП. Преобразованное в цифровой код напряжение поступает в контроллер. Схема, конечно, очень упрощенная, но принцип мультиплексирования в ней рассмотреть вполне возможно. Примерно так построен модуль ввода аналоговых сигналов контроллеров МСТС (микропроцессорная система технических средств) выпускавшихся смоленским ПК «Пролог». Внешний вид контроллера МСТС показан на рисунке 9. Рисунок 9. Контроллер МСТС Выпуск таких контроллеров давно уже прекращен, хотя в некоторых местах, далеко не лучших, эти контроллеры служат до сих пор. На смену этим музейным экспонатам приходят контроллеры новых моделей, в основном импортного (китайского) производства. Для подключения токовых датчиков 4…20мА рекомендуется использовать двухпроводный экранированный кабель с сечением жил не менее 0,5 мм2. Если контроллер смонтирован в металлическом шкафу, то экранирующие оплетки рекомендуется подключать к точке заземления шкафа. Длина соединительных линий может достигать двух с лишним километров, что рассчитывается по соответствующим формулам. Считать здесь ничего не будем, но поверьте, что это так. Новые датчики, новые контроллеры С приходом новых контроллеров появились и новые аналоговые датчики, работающие по протоколу HART (Highway Addressable Remote Transducer), что переводится как «Измерительный преобразователь, адресуемый дистанционно через магистраль». Выходной сигнал датчика (полевого устройства) представляет собой аналоговый токовый сигнал диапазона 4…20мА, на который накладывается частотно модулированный (FSK — Frequency Shift Keying) сигнал цифровой связи. Рисунок 10. Выходной сигнал аналогового датчика по протоколу HART На рисунке показан аналоговый сигнал, а вокруг него, как змея, извивается синусоида. Это и есть частотно – модулированный сигнал. Но это еще вовсе не цифровой сигнал, его еще предстоит распознать. На рисунке заметно, что частота синусоиды при передаче логического нуля выше (2,2КГц), чем при передаче единицы (1,2КГц). Передача этих сигналов осуществляется током амплитудой ±0,5мА синусоидальной формы. Известно, что среднее значение синусоидального сигнала равно нулю, поэтому, на выходной ток датчика 4…20мА передача цифровой информации влияния не оказывает. Такой режим используется при настройке датчиков. Связь по протоколу HART осуществляется двумя способами. В первом случае, стандартном, по двухпроводной линии могут обмениваться информацией только два устройства, при этом выходной аналоговый сигнал 4…20мА зависит от измеряемой величины. Такой режим применяется при настройке полевых устройств (датчиков). Во втором случае к двухпроводной линии может быть подключено до 15 датчиков, количество которых определяется параметрами линии связи и мощностью блока питания. Это режим многоточечной связи. В этом режиме каждый датчик имеет свой адрес в диапазоне 1…15, по которому к нему обращается устройство управления. Датчик с адресом 0 от линии связи отключен. Обмен данными между датчиком и устройством управления в многоточечном режиме осуществляется только частотным сигналом. Токовый сигнал датчика зафиксирован на необходимом уровне и не изменяется. Под данными в случае многоточечной связи подразумеваются не только собственно результаты измерений контролируемого параметра, но еще и целый набор всевозможной служебной информации. В первую очередь это адреса датчиков, команды управления, параметры настройки. И вся эта информация передается по двухпроводным линиям связи. А нельзя ли избавиться и от них? Правда, делать это надо осторожно, лишь в тех случаях, когда беспроводное соединение не сможет повлиять на безопасность контролируемого процесса. Оказывается, избавиться от проводов можно. Уже в 2007 году был опубликован Стандарт WirelessHART, средой передачи является нелицензируемая частота 2,4ГГц, на которой работают многие компьютерные беспроводные устройства, в том числе и беспроводные локальные сети. Поэтому и WirelessHART-устройства можно использовать без всяких ограничений. На рисунке 11 показана беспроводная сеть WirelessHART. Рисунок 11. Беспроводная сеть WirelessHART Вот такие технологии пришли на смену старой аналоговой токовой петле. Но и она свои позиции не сдает, широко применяется везде, где это возможно. Источник

Процессы производства широкого спектра продуктов требуют высокоточных и надежных методов измерения температуры. Температура часто измеряется путем непосредственного контакта с датчиком, например, при погружении датчика в жидкость или при контакте с поверхностью механизма. Помимо термисторов и термопар, особенно хорошо подходят для измерений резистивные датчики температуры (RTD) из-за их малого времени отклика и превосходной чувствительности, достигающей нескольких сотен мкВ/°C. Они также могут использоваться для измерения в очень широком диапазоне температур от –200 °C до +800 °C с почти линейной характеристикой. Выпускаются различные варианты RTD, например, с двумя, тремя или четырьмя проводами, что обеспечивает высокую гибкость применения.
Для генерации измерительного напряжения RTD нуждается в токе возбуждения. В зависимости от типа RTD, уровни напряжений варьируются от нескольких десятков до нескольких сотен милливольт. Точность измерительной системы зависит не только от датчиков температуры, но и от выбора подходящих средств измерения, конфигурации системы и а также типа измерительной схемы. В зависимости от количества проводов, датчики RTD могут использоваться с 2-, 3- или 4-проводными схемами измерений. Сравнение этих различных измерительных схем показано на Рисунке 1.
![]() |
|
| Рисунок 1. | Сравнение 2-, 3- и 4-проводных измерений. |
В 2-проводной схеме измерений два провода, через которые на RTD подается ток возбуждения I, используются также для измерения напряжения на датчике. Из-за низкого сопротивления датчика даже сравнительно небольшие сопротивления проводов RL создают относительно высокие погрешности измерений. В 3- или 4-проводных измерительных системах эту ошибку можно минимизировать, поскольку возбуждение датчика происходит через отдельные провода, а измерительные провода датчика размещаются непосредственно на входах измерительного устройства, которые обычно имеют высокий импеданс.
К сожалению, из-за низкого падения напряжения на RTD сигналы очень зашумлены. Следовательно, необходимо по возможности избегать длинных измерительных проводов. Снизить шумы можно путем усиления, разместив усилитель как можно ближе к источнику сигнала или RTD. Кроме того, для дальнейшей обработки данных следует использовать чувствительные аналого-цифровые преобразователи (АЦП) с хорошим отношением сиuнал/шум. Для приложений прецизионных измерений идеально подходят такие Σ-Δ АЦП, как выпускаемые Analog Devices 24-битные приборы семейства AD7124 с малошумящим аналоговым интерфейсом. Входы этих микросхем могут быть выборочно сконфигурированы как дифференциальные или несимметричные/ псевдодифференциальные. Семейство AD7124 также имеет встроенный цифровой фильтр и программируемый усилительный каскад, что делает его идеальным для низковольтных приложений. Схема на Рисунке 2, демонстрирует пример конфигурации для 4-проводного измерения с использованием AD7124.
![]() |
|
| Рисунок 2. | 4-проводное подключение датчика RTD к микросхеме AD7124. |
Аналоговые выводы AIN2 и AIN3 микросхемы AD7124 сконфигурированы как дифференциальные входы и измеряют напряжение RTD. Ток возбуждения RTD создается с помощью внутреннего напряжения аналогового питания AVDD и подается через AIN0. Одновременно ток возбуждения проходит через прецизионный опорный резистор RREF1, создавая падение напряжения, используемое опорными выводами REFIN1(+) и REFIN1(–). Это падение напряжения прямо пропорционально падению напряжения на RTD. Такая логометрическая конфигурация гарантирует, что изменения тока возбуждения не влияют на общую точность системы. RREF2 служит напряжением смещения, которое требуется для правильной работы активных внутренних аналоговых буферов АЦП. Буферы необходимы для фильтрации данных перед аналого-цифровым преобразованием, обеспечивающей сглаживание и снижение шумов. В качестве альтернативы, было бы также возможно все аналоговые и опорные входы подключить с дискретными RC-фильтрами. Калибровка измерительной системы (калибровка нуля и полной шкалы) для минимизации ошибок усиления и смещения перед началом измерений при использовании AD7124 также выполняется очень просто.
Заключение
При наличии такого аналогового интерфейса, который имеют АЦП семейства AD7124, создать систему измерения температуры на основе RTD сравнительно легко. В этих АЦП очень хорошо сочетаются высокая точность, низкое энергопотребление и низкие шумы, что необходимо для высокоточных измерений и для малопотребляющих портативных устройств. Кроме того, высокий уровень интеграции и гибкость AD7124 упрощают архитектуру конструкции и помогают сократить цикл проектирования измерительных приложений, использующих различные типов датчиков.
Материалы по теме
Перевод: AlexAAN по заказу РадиоЛоцман
Источник
В процессе автоматизации технологических процессов для управления механизмами и агрегатами приходится сталкиваться с измерениями различных физических величин. Это может быть температура, давление и расход жидкости или газа, частота вращения, сила света информация о положении частей механизмов и многое другое. Эта информация получается с помощью датчиков. Вот, сначала о положении частей механизмов.
Дискретные датчики
Самый простой датчик – обычный механический контакт: дверь открыли – контакт разомкнулся, закрыли – замкнулся. Такой нехитрый датчик, равно как и приведенный алгоритм работы, часто применяется в охранных сигнализациях. Для механизма с поступательным движением, который имеет два положения, например водопроводная задвижка, понадобится уже два контакта: замкнулся один контакт – задвижка закрыта, замкнулся другой – закрыта.
Более сложный алгоритм поступательного движения имеет механизм закрытия прессформы термопласт автомата. Изначально прессформа открыта, это исходное положение. В этом положении из прессформы извлекаются готовые изделия. Далее рабочий закрывает защитное ограждение и прессформа начинает закрываться, начинается новый рабочий цикл.
Расстояние между половинами прессформы достаточно велико. Поэтому сначала прессформа движется быстро, а на некотором расстоянии до смыкания половин, срабатывает концевик, скорость движения значительно уменьшается и прессформа плавно закрывается.
Такой алгоритм позволяет избежать удара при смыкании прессформы, иначе ее просто можно расколотить на мелкие кусочки. Такое же изменение скорости происходит и при открывании прессформы. Здесь уже двумя контактными датчиками не обойтись.
Таким образом, датчики на основе контакта являются дискретными или бинарными, имеют два положения, замкнут – разомкнут или 1 и 0. Другими словами можно сказать, что событие произошло или нет. В приведенном выше примере, контактами «улавливаются» несколько точек: начало движения, точка снижения скорости, конец движения.
В геометрии точка не имеет никаких размеров, просто точка и все. Она может либо быть (на листе бумаги, в траектории движения, как в нашем случае) или ее попросту нет. Поэтому для обнаружения точек применяются именно дискретные датчики. Может быть сравнение с точкой здесь не очень уместно, ведь в практических целях пользуются величиной точности срабатывания дискретного датчика, а точность эта намного больше геометрической точки.
Но сам по себе механический контакт вещь ненадежная. Поэтому везде, где это возможно, механические контакты заменяются бесконтактными датчиками. Самый простой вариант это герконы: магнит приблизился, контакт замкнулся. Точность срабатывания геркона оставляет желать лучшего, применять такие датчики как раз только для определения положения дверей.
Более сложным и точным вариантом следует считать различные бесконтактные датчики. Если металлический флажок вошел в прорезь, то датчик сработал. В качестве примера таких датчиков можно привести датчики БВК (Бесконтактный Выключатель Конечный) различных серий. Точность срабатывания (дифференциал хода) таких датчиков 3 миллиметра.

Рисунок 1. Датчик серии БВК
Напряжение питания датчиков БВК 24В, ток нагрузки 200мА, что вполне достаточно для подключения промежуточных реле для дальнейшего согласования со схемой управления. Именно так используются датчики БВК в различном оборудовании.
Кроме датчиков БВК применяются также датчики типов БТП, КВП, ПИП, КВД, ПИЩ. Каждая серия имеет несколько типов датчиков, обозначаемых цифрами, например, БТП-101, БТП-102, БТП-103, БТП-211.
Все упомянутые датчики являются бесконтактными дискретными, их основное назначение определение положения частей механизмов и агрегатов. Естественно, что этих датчиков намного больше, обо всех в одной статье не написать. Еще более распространены и до сих пор находят широкое применение различные контактные датчики.
Применение аналоговых датчиков
Кроме дискретных датчиков в системах автоматизации широкое применение находят аналоговые датчики. Их назначение – получение информации о различных физических величинах, причем не, просто так вообще, а в реальном масштабе времени. Точнее преобразование физической величины (давление, температура, освещенность, расход, напряжение, ток) в электрический сигнал пригодный для передачи по линиям связи в контроллер и дальнейшая его обработка.
Аналоговые датчики располагаются, как правило, достаточно далеко от контроллера, отчего часто их называют полевыми устройствами. Этот термин часто применяется в технической литературе.
Аналоговый датчик, как правило, состоит из нескольких частей. Самая главная часть это чувствительный элемент – сенсор. Его назначение перевести измеряемую величину в электрический сигнал. Но сигнал, получаемый от сенсора, как правило, невелик. Для получения сигнала, пригодного для усиления, сенсор чаще всего включается в мостовую схему – мостик Уитстона.

Рисунок 2. Мостик Уитстона
Изначальное назначение мостовой схемы — точное измерение сопротивления. К диагонали моста AD подключается источник постоянного тока. В другую диагональ подключен чувствительный гальванометр со средней точкой, с нулем в середине шкалы. Для измерения сопротивления резистора Rx вращением подстроечного резистора R2 следует добиться равновесия моста, установить стрелку гальванометра на нулевое значение.
Отклонение стрелки прибора в ту или иную сторону позволяет определить направление вращения резистора R2. Величина измеряемого сопротивления определяется по шкале, совмещенной с ручкой резистора R2. Условием равновесия моста является равенство соотношений R1/R2 и Rx/R3. В этом случае между точками BC получается нулевая разность потенциалов, и ток через гальванометр V не протекает.
Сопротивление резисторов R1 и R3 подобрано очень точно, их разброс должен быть минимален. Только в этом случае даже небольшой разбаланс моста вызывает достаточно заметное изменение напряжения диагонали BC. Именно это свойство моста используется для подключения чувствительных элементов (сенсоров) различных аналоговых датчиков. Ну, а дальше все просто, дело техники.
Для использования сигнала, полученного с сенсора, требуется его дальнейшая обработка, — усиление и преобразование в выходной сигнал, пригодный для передачи и обработки схемой управления — контроллером. Чаще всего выходным сигналом аналоговых датчиков является ток (аналоговая токовая петля), реже напряжение.
Почему именно ток? Дело в том, что выходные каскады аналоговых датчиков построены на базе источников тока. Это позволяет избавиться от влияния на выходной сигнал сопротивления соединительных линий, пользоваться соединительными линиями большой длины.
Дальнейшее преобразование достаточно просто. Токовый сигнал преобразуется в напряжение, для чего достаточно ток пропустить через резистор известного сопротивления. Падение напряжения на измерительном резисторе получается по закону Ома U=I*R.
Например, для тока 10 мА на резисторе сопротивлением 100Ом получится напряжение 10*100=1000мВ, аж прямо целый 1 вольт! При этом выходной ток датчика не зависит от сопротивления соединительных проводов. В разумных, конечно, пределах.
Подключение аналоговых датчиков
Полученное на измерительном резисторе напряжение легко преобразовать в цифровой вид, пригодный для ввода в контроллер. Преобразование выполняется с помощью аналого-цифровых преобразователей АЦП.
Цифровые данные в контроллер передаются последовательным или параллельным кодом. Все зависит от конкретной схемы включения. Упрощенная схема подключения аналогового датчика показана на рисунке 3.

Рисунок 3. Подключение аналогового датчика (чтобы увеличить нажмите на картинку)
К контроллеру подключаются исполнительные механизмы, либо сам контроллер подключается к компьютеру, входящему в систему автоматизации.
Естественно, что аналоговые датчики имеют законченную конструкцию, одним из элементов которой является корпус с присоединительными элементами. В качестве примера на рисунке 4 показан внешний вид датчика избыточного давления типа Зонд-10.

Рисунок 4. Датчик избыточного давления Зонд-10
В нижней части датчика можно видеть присоединительную резьбу для подключения к трубопроводу, а справа под черной крышкой находится разъем для подключения линии связи с контроллером.
Герметизация резьбового соединения производится с помощью шайбы из отожженной меди (входит в комплект поставки датчика), а отнюдь не подмоткой из фум-ленты или льна. Делается это для того, чтобы при установке датчика не деформировать расположенный внутри сенсорный элемент.
Выходные сигналы аналоговых датчиков
Согласно стандартам существует три диапазона токовых сигналов: 0…5мА, 0…20мА и 4…20мА. В чем их отличие, и какие особенности?
Чаще всего зависимость выходного тока прямо пропорциональна измеряемой величине, например, чем выше давление в трубе, тем больше ток на выходе датчика. Хотя иногда применяется инверсное включение: большей величине выходного тока соответствует минимальное значение измеряемой величины на выходе датчика. Все зависит от типа применяемого контроллера. Некоторые датчики имеют даже переключение с прямого на инверсный сигнал.
Выходной сигнал диапазона 0…5мА весьма мал, и поэтому подвержен действию помех. Если сигнал такого датчика колеблется при неизменном значении измеряемого параметра, то есть рекомендации параллельно выходу датчика установить конденсатор емкостью 0.1…1мкФ. Более устойчивым является токовый сигнал в диапазоне 0…20мА.
Но оба этих диапазона нехороши тем, что ноль в начале шкалы не позволяет однозначно определить, что же произошло. Или измеряемый сигнал на самом деле принял нулевой уровень, что в принципе возможно, или просто оборвалась линия связи? Поэтому от использования этих диапазонов стараются, по возможности, отказаться.
Более надежным считается сигнал аналоговых датчиков с выходным током в диапазоне 4…20мА. Помехозащищенность его достаточно высокая, а нижний предел, даже если измеряемый сигнал имеет нулевой уровень, будет 4мА, что позволяет говорить о том, что линия связи не оборвана.
Еще одной хорошей особенностью диапазона 4…20мА является то, что датчики можно подключать всего по двум проводам, поскольку именно таким током питается сам датчик. Это его ток потребления и одновременно измерительный сигнал.
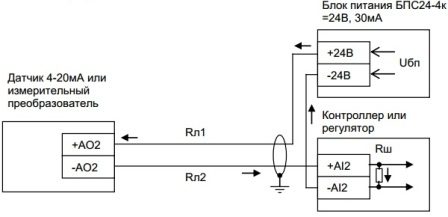
Источник питания датчиков диапазона 4…20мА включается, как показано на рисунке 5. При этом датчики Зонд-10, как и многие другие, по паспорту имеют широкий диапазон напряжения питания 10…38В, хотя чаще всего применяются стабилизированные источники с напряжением 24В.

Рисунок 5. Подключение аналогового датчика с внешним источником питания
На этой схеме присутствуют следующие элементы и обозначения. Rш – резистор измерительного шунта, Rл1 и Rл2 – сопротивления линий связи. Для повышения точности измерения в качестве Rш должен использоваться прецизионный измерительный резистор. Прохождение тока от источника питания показано стрелками.
Нетрудно видеть, что выходной ток источника питания проходит с клеммы +24В, через линию Rл1 достигает клеммы датчика +AO2, проходит через датчик и через выходной контакт датчика — AO2, соединительную линию Rл2, резистор Rш возвращается на клемму источника питания -24В. Все, цепь замкнулась, ток течет.
В случае, если контроллер содержит источник питания 24В, то подключение датчика или измерительного преобразователя возможно по схеме, показанной на рисунке 6.

Рисунок 6. Подключение аналогового датчика к контроллеру с внутренним источником питания
На этой схеме показан еще один элемент – балластный резистор Rб. Его назначение защита измерительного резистора при замыкании линии связи или неисправности аналогового датчика. Установка резистора Rб необязательна, хотя и желательна.
Кроме различных датчиков токовый выход имеют также измерительные преобразователи, которые в системах автоматизации используются достаточно часто.
Измерительный преобразователь – устройство для преобразования уровней напряжения, например, 220В или тока в несколько десятков или сотен ампер в токовый сигнал 4…20мА. Здесь просто происходит преобразование уровня электрического сигнала, а не представление некоторой физической величины (скорость, расход, давление) в электрическом виде.
Но единственным датчиком дело, как правило, не обходится. Одними из самых популярных измерения являются измерения температуры и давления. Количество таких точек на современных производствах может достигать нескольких десятков тысяч. Соответственно и количество датчиков тоже велико. Поэтому к одному контроллеру чаще всего подключается сразу несколько аналоговых датчиков. Конечно же, не сразу несколько тысяч, хорошо, если десяток – другой. Такое подключение показано на рисунке 7.

Рисунок 7. Подключение нескольких аналоговых датчиков к контроллеру
На этом рисунке показано, как из токового сигнала получается напряжение, пригодное для преобразования в цифровой код. Если таких сигналов несколько, то обрабатываются они не все сразу, а разделяются по времени, мультиплексируются, в противном случае на каждый канал пришлось бы ставить отдельный АЦП.
Для этой цели контроллер имеет схему коммутации каналов. Функциональная схема коммутатора показана на рисунке 8.

Рисунок 8. Коммутатор каналов аналоговых датчиков (картинка кликабельна)
Сигналы токовой петли, преобразованные в напряжение на измерительном резисторе (UR1…URn) поступают на вход аналогового коммутатора. Управляющие сигналы поочередно пропускают на выход один из сигналов UR1…URn, которые усиливаются усилителем, и поочередно поступают на вход АЦП. Преобразованное в цифровой код напряжение поступает в контроллер.
Схема, конечно, очень упрощенная, но принцип мультиплексирования в ней рассмотреть вполне возможно. Примерно так построен модуль ввода аналоговых сигналов контроллеров МСТС (микропроцессорная система технических средств) выпускавшихся смоленским ПК «Пролог». Внешний вид контроллера МСТС показан на рисунке 9.

Рисунок 9. Контроллер МСТС
Выпуск таких контроллеров давно уже прекращен, хотя в некоторых местах, далеко не лучших, эти контроллеры служат до сих пор. На смену этим музейным экспонатам приходят контроллеры новых моделей, в основном импортного (китайского) производства.
Для подключения токовых датчиков 4…20мА рекомендуется использовать двухпроводный экранированный кабель с сечением жил не менее 0,5 мм2.
Если контроллер смонтирован в металлическом шкафу, то экранирующие оплетки рекомендуется подключать к точке заземления шкафа. Длина соединительных линий может достигать двух с лишним километров, что рассчитывается по соответствующим формулам. Считать здесь ничего не будем, но поверьте, что это так.
Новые датчики, новые контроллеры
С приходом новых контроллеров появились и новые аналоговые датчики, работающие по протоколу HART (Highway Addressable Remote Transducer), что переводится как «Измерительный преобразователь, адресуемый дистанционно через магистраль».
Выходной сигнал датчика (полевого устройства) представляет собой аналоговый токовый сигнал диапазона 4…20мА, на который накладывается частотно модулированный (FSK — Frequency Shift Keying) сигнал цифровой связи.

Рисунок 10. Выходной сигнал аналогового датчика по протоколу HART
На рисунке показан аналоговый сигнал, а вокруг него, как змея, извивается синусоида. Это и есть частотно – модулированный сигнал. Но это еще вовсе не цифровой сигнал, его еще предстоит распознать. На рисунке заметно, что частота синусоиды при передаче логического нуля выше (2,2КГц), чем при передаче единицы (1,2КГц). Передача этих сигналов осуществляется током амплитудой ±0,5мА синусоидальной формы.
Известно, что среднее значение синусоидального сигнала равно нулю, поэтому, на выходной ток датчика 4…20мА передача цифровой информации влияния не оказывает. Такой режим используется при настройке датчиков.
Связь по протоколу HART осуществляется двумя способами. В первом случае, стандартном, по двухпроводной линии могут обмениваться информацией только два устройства, при этом выходной аналоговый сигнал 4…20мА зависит от измеряемой величины. Такой режим применяется при настройке полевых устройств (датчиков).
Во втором случае к двухпроводной линии может быть подключено до 15 датчиков, количество которых определяется параметрами линии связи и мощностью блока питания. Это режим многоточечной связи. В этом режиме каждый датчик имеет свой адрес в диапазоне 1…15, по которому к нему обращается устройство управления.
Датчик с адресом 0 от линии связи отключен. Обмен данными между датчиком и устройством управления в многоточечном режиме осуществляется только частотным сигналом. Токовый сигнал датчика зафиксирован на необходимом уровне и не изменяется.
Под данными в случае многоточечной связи подразумеваются не только собственно результаты измерений контролируемого параметра, но еще и целый набор всевозможной служебной информации.
В первую очередь это адреса датчиков, команды управления, параметры настройки. И вся эта информация передается по двухпроводным линиям связи. А нельзя ли избавиться и от них? Правда, делать это надо осторожно, лишь в тех случаях, когда беспроводное соединение не сможет повлиять на безопасность контролируемого процесса.
Оказывается, избавиться от проводов можно. Уже в 2007 году был опубликован Стандарт WirelessHART, средой передачи является нелицензируемая частота 2,4ГГц, на которой работают многие компьютерные беспроводные устройства, в том числе и беспроводные локальные сети. Поэтому и WirelessHART-устройства можно использовать без всяких ограничений. На рисунке 11 показана беспроводная сеть WirelessHART.

Рисунок 11. Беспроводная сеть WirelessHART
Вот такие технологии пришли на смену старой аналоговой токовой петле. Но и она свои позиции не сдает, широко применяется везде, где это возможно.
Источник


