Автомобильное зарядное устройство или регулируемый лабораторный блок питания с напряжением на выходе 4 — 25 В и током до 12А можно сделать из не нужного компьютерного АТ или АТХ блока питания.
Несколько вариантов схем рассмотрим ниже:
Параметры
От компьютерного блока питания мощностью 200W, реально получить 10 — 12А.
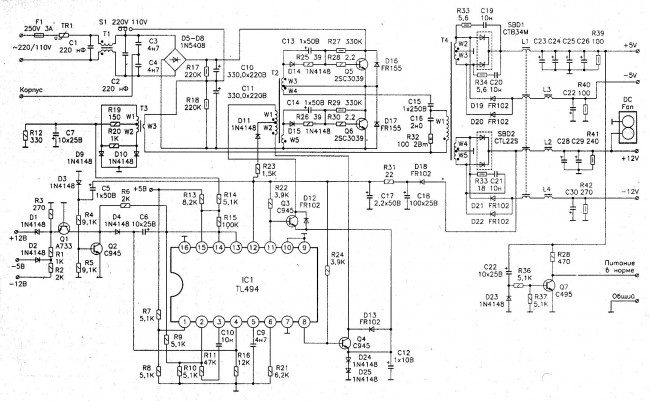
Схема АТ блока питания на TL494

Несколько схем АТX блока питания на TL494


Переделка
Основная переделка заключается в следующем , все лишние провода выходящие с БП на разъемы отпаиваем, оставляем только 4 штуки желтых +12в и 4 штуки черных корпус, cкручиваем их в жгуты . Находим на плате микросхему с номером 494 , перед номером могут быть разные буквы DBL 494 , TL 494 , а так же аналоги MB3759, KA7500 и другие с похожей схемой включения. Ищем резистор идущий от 1-ой ножки этой микросхемы к +5 В (это где был жгут красных проводов) и удаляем его.

Для регулируемого (4В – 25В) блока питания R1 должен быть 1к . Так же для блока питания желательно увеличить емкость электролита на выходе 12В (для зарядного устройства этот электролит лучше исключить), желтым пучком (+12 В) сделать несколько витков на ферритовом кольце (2000НМ, диаметром 25 мм не критично).
Так же следует иметь ввиду , что на 12 вольтовом выпрямителе стоит диодная сборка (либо 2 встречно включенных диода), рассчитанная на ток до 3 А , ее следует поменять на ту , которая стоит на 5 вольтовом выпрямителе , она расчитана до 10 А , 40 V , лучше поставить диодную сборку BYV42E-200 (сборка диодов Шотки Iпр = 30 А, V = 200 В), либо 2 встречно включенных мощных диода КД2999 или им подобным в таблице ниже.

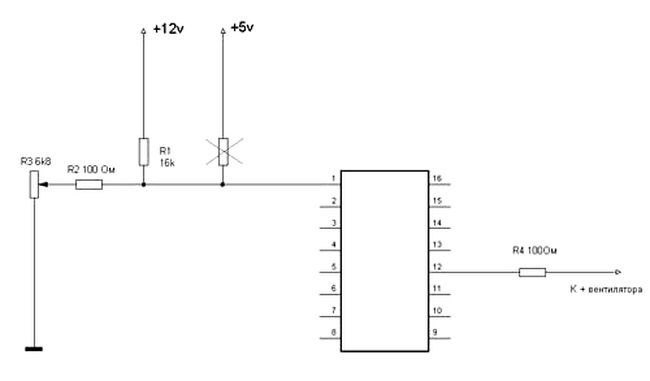
Если БП АТХ для запуска необходимо соединить вывод soft-on с общим проводом (на разъём уходит зеленым проводом).Вентилятор нужно развернуть на 180 гр., что бы дул внутрь блока ,если вы используете как блок питания, запитать вентилятор лучше с 12-ой ножки микросхемы через резистор 100 Ом.
Корпус желательно сделать из диэлектрика не забывая про вентиляционные отверстия их должно быть достаточно. Родной металлический корпус , используете на свой страх и риск.
Бывает при включении БП при большом токе может срабатывать защита , хотя у меня при 9А не срабатывает , если кто с этим столкнется следует сделать задержку нагрузки при включении на пару секунд.
Ещё один интересный вариант переделки компьютерного блока питания.
В этой схеме регулировка осуществляется напряжения (от 1 до 30 В.) и тока (от 0,1 до 10А).

Для самодельного блока хорошо подойдут индикаторы напряжения и тока. Вы их можете купить на сайте «Мастерок».
Источник
Зарядное устройство из компьютерного блока питания
Здравствуйте, уважаемые друзья! Сегодня я расскажу, как переделать компьютерный блок питания в зарядное устройство для автомобильного аккумулятора. Для переделки подойдет блок питания собранный на микросхемах TL494 или KA7500. Другие блоки питания, к сожалению, переделать таким способом не получится.

У каждого блока питания имеется защита от повышения напряжения и короткого замыкания, которую надо отключить.

Чтобы отключить защиту надо перерезать дорожку от Vref +5v которая подходит к 13, 14 и 15 ноге микросхемы. После этого блок питания будет запускаться автоматически при включении в сеть.
Теперь сделаем блок питания регулируемым. Удаляем два резистора R1 28,7 кОм и R2 5,6 кОм. На место резистора R1 ставим переменный резистор на 100 кОм. Напряжение будет плавно регулироваться от 4 до 16 вольт.

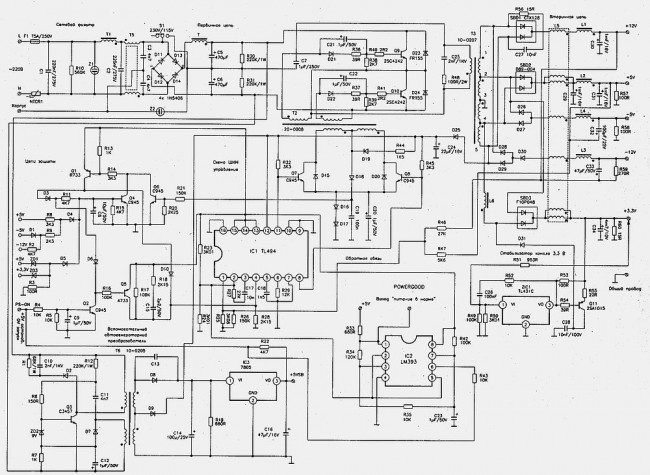
Схема переделки компьютерного блока питания в зарядное устройство
Полная схема блока питания на микросхеме TL494, KA7500.

Схема переделки компьютерного блока питания на микросхеме TL494, KA7500 в зарядное устройство
Осталось подключить вольт амперметр по этой схеме и зарядное устройство будет полностью готово.

Схема подключения вольт амперметра к зарядному устройству
А теперь я расскажу, как работает готовое устройство, что бы вы могли реально оценить все плюсы этой самоделки. Напряжение этого зарядного устройства плавно регулируется от 4 до 16 вольт.
Это позволяет заряжать шести и двенадцати вольтовые аккумуляторы. С помощью встроенного вольт амперметра легко можно определить напряжение, зарядный ток и окончание процесса заряда аккумуляторной батареи.

Для проверки мощности я решил подключить супер яркую 12-ти вольтовую галогеновую лампу на 55 ватт.

Лампа горит полным накалом на вольтметре 12 вольт и сила тока 8,5 ампер и это еще не предел.

Как заряжать аккумулятор? Красный крокодил плюс, черный минус. Если перепутать полярность или замкнуть, ничего страшного не произойдет, просто перегорит десяти амперный предохранитель.

В данный момент вольтметр показывает напряжение аккумулятора. Эту ручку надо повернуть влево до упора. Включаю питание и плавно поднимаю напряжение до 14,5 вольт. Начальная сила тока должна быть не более 10% от емкости аккумулятора. То есть для 60-го аккумулятора начальный ток заряда будет не более 6-ти ампер, для 55-го соответственно 5,5 ампер. И так далее.

По мере заряда аккумулятора сила тока будет постепенно снижаться, когда сила тока снизится до 150 миллиампер, это будет означать, что аккумулятор полностью зарядился. Время зарядки полностью разряженного аккумулятора составит примерно 24 часа.
Друзья, желаю удачи и хорошего настроения! До встречи в новых статьях!

Блок питания с регулировкой напряжения и тока

Пушка Гаусса своими руками

Ионофон или поющая дуга из строчника

Изготовление печатных плат в домашних условиях. ЛУТ технология.

Зарядное устройство из блока питания компьютера

Блок питания с регулировкой тока и напряжения своими руками
Здрусвуй дорогой друг! Мне понравился Ваш вариант по переделам блока питания. Сейчас у меня имеется блок питания Model: KE300, AC INPUT: 230V
,50H,3A. CPU: i7core. Плата KA7500BD. Прошу помочь мне собрать с него зарядный блок питания. Я затрудняюсь с тем какой резистор найти чтоб отпаять и вместо него переменный поставить.
Сфотографируйте печатную плату с обратной зеленой стороны и отправьте мне на почту dumin-sergey@rambler.ru фото сделайте при дневном освещении, чтобы было четко видно дорожки.
Сделал все как в инструкции и заметил такой факт что на видео при повороте ручки потенциометра меняется сила но не напряжение. А у меня получается что при регулировке изменяется как сила тока, так напряжение. Как это исправить?
Вообще при вращении ручки меняется вместе напряжение и сила тока. Чем выше напряжение тем больше сила тока. Просто зависит от износа и степени заряженности аккумулятора. Когда подключаете заряженный аккумулятор ток быстро падает, а напряжение почти не меняется. Если подключаете разряженный АКБ напряжение будет низкое, а ток будет большой. Все дело в изменении сопротивления АКБ.
сделал подобное чудо, работает отлично, напряжение до 26 в. и 15 ампер держит легко, только защиту отключать не стал
В некоторых блоках защиту можно не отключать.
Здравствуйте! Понимаю, не по теме, отчасти, но вот что нашёл: У вас основа ИБП от системника, а я сейчас разобрал монитор LG. так там с трансформатора выхода: -12; 15; 6.3; 51; 105 вольт. посередине плата имеется белая полоса, чтоб отрезать высоковольтную часть питания кинескопа. так вот, суть моего обращения: тут имеется блок питания с маркировкой: 6170TMZ103A ВА 00 39 не подскажите как определить ампераж? стоят 5 диодов и с них соответственно вольтаж указанный выше. я так думаю, что здесь ампераж должен быть больше(особенно учитывая что диоды стоят GUF30F ; GUF50F ; GUF100F конденсаторы: 16, 25, 63, 160 вольт
как думаете — стоит замарочиться под ИБП с переделкой и на сколько же тут ампераж?
