Проблему отсутствия горячего водоснабжения или центрального отопления, а также некачественного предоставления этих услуг, с успехом решает установка газовых котлов BAXI. Для этого существует два типа котлов: одноконтурные и двухконтурные. Одноконтурный газовый котел может обеспечить только один процесс, например, отопление. Двухконтурный — оба процесса: и отопление помещения, и подогрев воды для бытовых нужд.
Правила установки газовых котлов
Мало того, что сама по себе установка газового котла — дело весьма трудоемкое и хлопотное, для того, чтобы ее произвести, необходимо соблюсти определенные нормы установки газовых котлов. Эксплуатация любых газовых приборов всегда сопряжена с рисками, именно поэтому существуют правила пожаробезопасности.
Прежде чем будет производиться установка котла в частном доме, необходимо подготовить некоторые документы и выполнить определенные действия. Что потребуется:
- Контракт о поставке природного газа для индивидуального застройщика;
- Технические условия и проект установки газового оборудования обязательно согласовываются с местным представителем газовой службы. Проектную документацию чаще всего разрабатывают специализированные институты с соответствующей лицензией на данный вид деятельности: горгаз, райгаз, облгаз, мингаз и др.;
- Монтаж газового оборудования должен производиться монтажной организацией;
- Инженер районной или областной газовой организации должен приехать на объект и проверить правильность подключения газа в топочной и кухне, их соответствие требованиям. Если все нормы соблюдены, он должен выдать заключение, на основании которого можно открывать газовый «вентиль», ведущий к котлу;
- Систему отопления необходимо опрессовать до Р = 1,8 атм (см. на манометре котла);
- Обезвоздушить систему отопления;
- Проверить все соединения на герметичность;
- Обязательно установить стабилизатор напряжения для котла и желательно источник бесперебойного питания;
- Нельзя добавлять антифриз в греющуюся воду. Это может повредить уплотнительные прокладки и привести к утечкам в отопительной системе. Газовые котлы должны устанавливаться по специальной технологии, обеспечивающей безопасность эксплуатации взрывоопасных агрегатов, выделяющих в случае утечки токсины.
Помещение, в котором будет находиться котел BAXI , должно соответствовать определенным требованиям. При установке котла отопления в частном одноквартирном доме топочную или, как ее еще называют, котельную, можно обустраивать на любом этаже, в том числе в подвале, цоколе и даже чердаке или крыше. Ограничения распространяются на жилые помещения, ванную комнату и санузел, в них размещать котел запрещено. Для расчета объема помещения котельной учитывается суммарная тепловая мощность отопительного оборудования, проточных или емкостных водонагревателей.
Важно! Учтите, в техническом паспорте на газовое оборудование помещение с котлом так и должно называться — топочная или котельная.
Таблица необходимого объема котельной приведена ниже:
Таблица необходимого объема котельной в зависимости от мощности котла
Существуют исключения: если котел отопления с замкнутой камерой сгорания, то объем котельной не нормируется, и наличие окна с выходом наружу не обязательно. Для подачи и отвода воздуха обязательно обеспечение притока требуемого объема. Для обеспечения 23,3 кВт мощности котла должно сгорать 2,5 м3/час газа. Для полного сгорания этого объема необходимо 30 м3/час воздуха. Если поступает недостаточное количество воздуха, газ сгорает не полностью, в результате образуется крайне вредное вещество, вдыхание которого негативно влияет на здоровье человека. Если вдыхать его в течение 15 минут, наступает смерть. Воздух должен поступать не только снаружи, но и перетекать из других комнат дома. Это обеспечивается наличием зазора между дверью и полом и отверстием с решеткой в дверях. Установка котла отопления на пол производится на расстоянии 10 см от стены, которая должна быть из негорючего материала. Если стен из негорючих материалов нет, то можно установить защиту из огнеупорного материала.
Требования к установке газовых агрегатов
Без соблюдения определенных требований газовая служба не даст разрешение на подключение котла к магистрали. Но соблюдение этих требований и норм продиктовано не столько бюрократией, сколько горьким опытом и пожаробезопасностью. Ограничения налагаются не только на газовое оборудование и его установку, но и на помещение, в котором будет располагаться котел.
Нормативные требования к помещению для установки газового котла
- Площадь помещения, в котором будет располагаться котел, должна составлять не менее 4 м2, потолки должны быть выше 2,5 м;
- Ширина двери, ведущей в помещение, должна быть минимум 80см;
- Котел должен освещаться естественным способом через оконный проем;
- На каждые 10 м2 помещения должно приходиться минимум 0,3 м2 окна;
Обязательна хорошая вентиляция помещения, так как горение газа в котле обеспечивается за счет притока кислорода.
- Площадь отверстия для обеспечения притока наружного воздуха должна составлять 8 см2 на каждый 1 кВт мощности котла;
- Трубы газопровода должны быть только из металла. Гибкие рукава можно использовать только для подключения потребителей;
- Сечение дымохода должно соответствовать мощности котла. Если мощность котла составляет 30 кВт, диаметр дымохода должен быть 130 мм. Если мощность котла — 40 кВт, диаметр дымохода — 170 мм;
- Нельзя допускать, чтобы площадь сечения дымохода была меньше площади сечения отверстия для подключения дымохода; Верхний конец дымохода должен выводиться выше конька крыши на 0,5 м минимум;
- В системе электропитания котла обязательно должен быть специальный автомат с настроенными токовой и тепловой защитой;
- В помещении, где будет котел, должен стоять газоанализатор, который предупредит об утечке газа, и электрический клапан, перекрывающий подачу газа;
- Газовое оборудование можно располагать в подвальном помещении только одноквартирного частного дома.
- В многоэтажных многоквартирных домах установка газовых котлов отопления в подвале запрещена.
- Каждое устройство необходимо снабдить счетчиком газа;
- Вентиляция должна обустраиваться в верхней части помещения.
Более детально ознакомиться со всеми требованиями и нормами можно в документах: СниПе II-35-76 «Котельные установки», Свод правил по проектированию автономных систем теплоснабжения СП-41-104-2000.
Монтаж настенного газового котла
Установка настенного газового котла производится в том случае, если требования к мощности не слишком велики, и не так много свободной площади. Чаще всего такие котлы используют для отопления и нагрева воды в многоэтажных домах. Предшественником газового настенного котла является газовая колонка, которая обеспечивала нагрев воды для бытовых нужд в «хрущевках». Монтаж настенного газового котла Установка настенных газовых котлов позволяет оборудовать автономной системой дополнительного нагрева даже дом с центральным отоплением. Необходимо иметь подведенный газ, и помещение должно соответствовать требованиям и нормам.
Газовые агрегаты устанавливаются в специальных помещениях — топочных, имеющих вентиляционные отверстия для притока воздушной массы и отвода продуктов сгорания. Котлы не требовательны к свободному месту и может быть установлены над другим прибором, стоящим на полу. Можно установить настенные котлы каскадом. Это очень удобно, если потребуется большая мощность, включается несколько котлов сразу. Несколько котлов в одной топочной — удобный вариант Монтаж газового котла производится на расстоянии 20 см от других газовых приборов и легковоспламеняющихся материалов. В зависимости от мощности и модели котла расстояние между ним и стеной может составлять от 30 до 50 см.
Нежелательно располагать котел в проеме между стенами или в непосредственной близости возле окна. Источник электропитания должен быть достаточно близко. После того, как место под котел выбрано и одобрено, необходимо проверить купленный котел на комплектацию. В коробке должны быть инструкция, настенные кронштейны, монтажный шаблон и монтажные приспособления. Желательно сравнить технические характеристики, указанные на упаковке, с теми, которые указаны на идентификационной табличке, расположенной на внутренней стороне передней крышки.
Перед тем, как установить котел на место, необходимо промыть водой все трубы котла и всей системы в целом. Это необходимо, чтобы удалить посторонние частицы, которые могли в процессе сборки на заводе попасть внутрь агрегата. Планки, на которые будет крепиться котел, прибиваются на расстоянии 0,8-1,6 м от пола.
Важно! Стена должна быть вертикально ровной и достаточно прочной, чтобы выдержать вес не только котла, но и сопутствующих приборов. Если стена сделана из горючего материала, можно к ней прикрепить прокладку из негорючего материала, толщина которой должна составлять минимум 3 мм. Котел в таком случае необходимо закрепить на расстоянии 4,5 см от стены. Котел закрепляется на планках.
Перед подключением котла к водопроводным трубам необходимо снять заглушки, установленные на соответствующие патрубки. Для предотвращения засорения теплообменника котла на входе воды желательно установить сетчатый угловой фильтр. С обеих сторон фильтра устанавливаются шаровые краны, это облегчит в дальнейшем обслуживание и ремонт. Затем необходимо проверить, ровно ли висит котел. Перекос в любую сторону может привести к неприятным последствиям. Подключение газовых труб к котлу необходимо производить только металлической трубой, жестким соединением, через «американку» или специальный сгон. Использовать паронитовую прокладку обязательно. На этом установка котла своими руками закончена. Непосредственно подключение газового котла производится только уполномоченными лицами после проверки соблюдения всех требований и норм.
Нормы устройства дымохода
Материал для дымохода выбирается в зависимости от сгораемого топлива и типа котла. Для газового котла трубы должны быть цилиндрической формы и изготовлены из металла, лучше — нержавеющей стали. Такие дымоходы наиболее безопасны, долговечны и надежны. Дымоход выводится выше конька дома. Обязательно должен быть смонтирован люк для прочистки дымохода. Для того, чтобы обеспечить удобство сбора сажи во время прочистки, сбора и отвода конденсата, необходимо пустое пространство под входом дымохода. Схема дымохода газового котла При монтаже дымохода должно быть не более трех колен и поворотов. Труба, соединяющая котел и дымоход, должна быть максимально короткой, не более 25 см. Вертикальный участок на выходе из котла должен быть равен минимум двум диаметрам. За этим вертикальным отрезком труба присоединительного участка обязательно должна восходить вверх с уклоном в сторону котла. Дымоудаление в таком случае осуществляется за счет естественной тяги через дымоход. Следование всем требованиям и правилам установки газовых котлов обеспечит их эффективную работу, долговечность и пожаробезопасность.
Источник
Монтаж и подключение котла Бакси
Итальянский бренд Baxi очень популярный на российском рынке климатической техники. Газовые котлы этой марки выпускаются несколькими вариантами установки: настенные и напольные, а также одноконтурными для отопления и двухконтурными дополнительно для ГВС.
Специалисты завода изготовителя, позаботились о том, чтобы процессы монтажа и эксплуатации были максимально простыми и доступными любому пользователю. Поэтому для подключения котла Baxi в работу собственнику не потребуется прикладывать значительные усилия.
Преимущества котлов и оборудования Baxi
Бренд ВАХI принадлежит фирме BDR Thermea — крупному европейскому производителю бытового и промышленного теплоэнергетического оборудования.

Агрегаты комплектуются вспомогательными устройствами одноименного бренда: циркуляционным насосом для модификаций с принудительной движением теплоносителя, дутьевым вентилятором в топках закрытого типа и группой безопасности.
Они обеспечивают выход агрегата на заводские параметры работы и имеют преимущества в компоновке, по сравнению с устройствами, сборка которых осуществляется с комплектацией от разных производителей.
Основные преимущества котлоагрегатов BAXI:
- высокая тепловая эффективность, КПД до 92 %;
- широкий диапазон мощности от 14 до 80 кВт;
- экологическая безопасность;
- относится к энергоэффективному оборудованию;
- широкие возможности настройки тепловых режимов и автоматическое поддержание заданных параметров работы.
Последние модификации выпускаются с мощной системой самодиагностики, защитой от замерзания и антибактериальной защитой.
Интегрированная погодозависимая автоматика обеспечивает в доме санитарные условия проживания, при этом гарантируется низкая себестоимость выработанной тепловой энергии на нужды отопления и ГВС.
Схемы обвязки систем отопления Baxi
Несмотря на то, что производитель позаботился о том, чтобы предоставить пользователю всю необходимую документацию по обвязке котла к системе отопления, для того чтобы сохранить гарантийные обязанности, не рекомендуется выполнять это самостоятельно, нужно пригласить сервисную службу, которую порекомендуют в магазине при покупке агрегата.
Это позволить не только сохранить гарантию на оборудование, но и решить в будущем вопросы с инспекцией горгаза, которые должны будут давать разрешение на эксплуатацию газового оборудования.
Таким образом, задачей пользователя будет подбор нужной схемы обвязки. Она будет зависеть от установленного контура отопления. Согласно существующим схемам теплоснабжения она может быть:
- двухтрубная для домов большой отопительной площади;
- однотрубная с естественной циркуляцией для домов малой нагреваемой площади;
- комбинированная, для многоконтурных систем отопления.
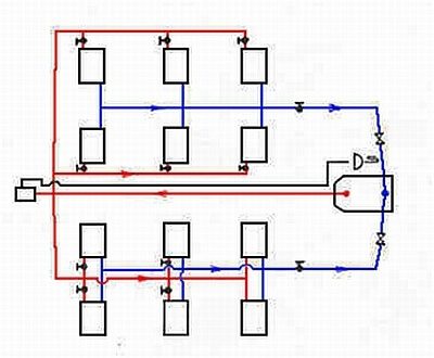
Двухтрубная схема
Двухтрубная схема Бакси выполняется из источника нагрева, циркуляционного насоса, расширительного бака, группы безопасности, грязевика и фильтра очистки теплоносителя.

Принцип работы двухтрубной сети:
- Холодная вода через фильтр поступает в отопительный контур на всас сетевого насоса.
- Вода поступает в котел, нагревается до температуры установленной пользователем на рабочей панели.
- Нагретый теплоноситель поступает на подачу системы отопления.
- От подающего трубопровода идут ответвления к каждому прибору отопления.
- Охлажденная вода из радиатора по обратному ответвлению поступает в общую обратную магистраль и насосом подается в агрегат для следующего цикла нагрева
На приборе отопления устанавливаются воздухоотводчики и тепловой датчик, который регулируют теплоноситель в зависимости от установленной температуры.
Благодаря такой схеме радиаторы нагреваются равномерно и при необходимости могут быть полностью индивидуально отключены.
Однотрубная схема
Однотрубная схема с естественной циркуляцией доступная и экономичная схема обвязки предназначена для малогабаритных одноэтажных домов.

Схема состоит в следующем:
- Газовый котел устанавливается на стену в кухне.
- Подача от устройства поступает по одному трубопроводу, к которому подключены все радиаторы последовательно.
- Нагретый теплоноситель из аппарата поступает в подающую магистраль, которая имеет верхнюю разводку, а затем последовательно проходит по всем радиаторам отопления.
- Из последнего радиатора он поступает в обратную магистраль и затем в котел для нового цикла нагрева.
- Движение среды протекает под воздействием естественной циркуляции, возникающей при разности температур в подаче и обратке. Для эффективности движения трубопроводы подачи и обратки устанавливаются с уклоном. Воздушник устанавливается в самой верхней точке, обычно в чердачном помещении.
- В системе устанавливается расширительный бак для компенсации температурного расширения теплоносителя.
Недостаток такой схемы, в том, что первые по ходу теплоносителя батареи перегреваются, а последние недогреваются. Эффективность схемы можно повысить, если интегрировать в контур циркуляционный насос, что позволит увеличить площадь нагрева от 40 м2 до 150 м2.
Комбинированная схема системы газового отопления Бакси

Это наиболее прогрессивная схема обвязки котла, она имеет несколько независимых контуров отопления — радиаторный и систему «теплый пол».
Обычно радиаторы устанавливают в спальных комнатах и гостиной, а в остальных помещениях в кухне, ванной комнате и других подсобных помещениях устанавливают «теплый пол», который работает в более низких температурных режимах и может работать с обратным теплоносителем.
В этом варианте тем система будет более полно отбирать тепло у греющей сетевой воды. При этом, чем ниже будет температура в обратном трубопроводе, тем выше обеспечен КПД теплосетевой установки.
Ограничение температуры обратного теплоносителя устанавливается заводом изготовителя для конкретной модели агрегата, чтобы противодействовать процессу образования конденсата в дымовых газах. Для распределения теплоносителя по разным контурам потребуется установка котла Бакси с гидравлическим коллектором и отдельными насосами циркуляции на каждый контур.
Подключение котла к коммуникациям
Котлоагрегат Бакси размещается в нежилом помещении, например, на кухне, при условии надежной приточной вентиляции, обеспечивающей 3-х кратный часовой воздухообмен.

Подключение отопительного контура производится к патрубкам подачи/обратки, расположенные на задней панели устройства по принятой схеме обвязки.
Далее проводят обвязку дымоходной системы котла:
- Устанавливают дымовую трубу через переходник к дымовому патрубку котла.
- Дымовая труба и дымовой патрубок агрегата должны иметь одинаковые размеры, он указывается заводом изготовителем в технической документации.
- Дымовой канал выбирается таким образом, чтобы участок дымохода был максимально коротким.
- Вертикальный участок трубы от точки подключения до оголовка должен быть не менее 6 м и обеспечить тягу в топочной камере в диапазоне 0.8 мм — 3.0 мм водного столба.
- Тяга замеряется при работе аппарата.
- Дымоход обязан быть основательно прикреплен и не должен упираться на котлоагрегат.
- Места прохождения трубы через конструктивные элементы стены, потолок и кровлю должны быть хорошо теплоизолированы.

Далее выполняют подключение внутренних элементов к модулю управления котла Baxi:
- подключают к 6-клеммному разъему трансформатор для пьезорозжига и газовый прессостат;
- подключают к 9-клеммному разъему основной 2-х ступенчатый клапан;
- подключают к 3-клеммному разъему дополнительный 2-х ступенчатый клапан;
- подключают левый электрод кабеля розжига и правый электрод кабеля ионизации к пьезозапальнику;
- устанавливают первичные датчики по температуру и давлению в технические отверстия, указанные на схеме обвязке, предоставленной заводом-изготовителем.
Запуск и наладка
Перед тем как запустить котлоагрегат проверяют давление в расширительном баке, оно должно быть не менее 0.5 атм. Контролируют состояние кранов на подающей и обратной линии, они должны быть открытыми.
Агрегат должен быть отключен от электроэнергии. Затем заполняют систему отопления через подпиточный вентиль до 1.5 атм и приступают к спуску воздуха, если в сети установлен воздушник не автоматического типа.
При спуске воздуха давление будет падать, поэтому попеременно устройство подпитывают до указанного рабочего давления.
Далее потребуется спустить воздух из внутреннего контура в котле, для этого снимают рабочую панель аппарата, на насосе находится винт для спуска воздуха.
Запускают котел в минимальном режиме, и прогревают контур до температуры 50 С, отключают его кнопками, и от электросети и стравливают воздух на котловом насосе. Операцию повторяют несколько раз, пока весь воздух не будет удален из завоздушеной системы отопления.

Далее котел включается на рабочую температуру термостата и контролируется работа системы отопления на достаточность выставленной температуры.
Нюансы эксплуатации
Котел очень функциональный, после того как будет выставлен на рабочем табло температурный режим, устройство будет работать автоматически, практически без участия человека.
В процессе эксплуатации нужно обращать внимание на отсутствие шумов и вибрации, достаточность температуры в подающей магистрали, отсутствия загазованности в помещении и работу батарей отопления.
Котлы Бакси имеют отличную систему диагностики, которая сама установит причины неудовлетворительной работы котла и при необходимости остановит его. На табло для пользователя будет выведен код ошибки, чтобы он мог устранить неисправность.
Для котлов Baxi, которые находятся на гарантийном обслуживании, самостоятельное устранения выполняют только в случае видимых и легко устранимых причин.

Возможные сбои работы котлов Бакси:
- тухнет газовая горелка;
- не срабатывает пьезорозжиг;
- хлопки в топке;
- высокий/низкий температурный режим теплоносителя;
- высокое/низкое давление теплоносителя;
- высокое/низкое давление газа;
- шумная работа котла.
Засорение системы и чистка
Самый распространенный сбой в работе котла Бакси — резкий скачек температуры воды в отопительном контуре на выходе из устройства.

Причиной такого сбоя становится нарушение циркуляции воды в котле по следующим причинам:
- Забит фильтр на подаче воды в аппарат:
- утечка воды в контуре отопления;
- забиты радиаторы отопления;
- забиты накипью поверхность теплообменника газового котла в контуре отопления.
В последнем случае потребуется провести чистку теплообменника. Для этого сливают воду из котла, открывая дренажный вентиль на агрегате справа. Если возможно сливают воду из контура отопления.
Для чистки внутреннего теплообменника используют прибор «Жель». Вначале подсоединяют патрубки этого прибора к патрубкам Бакси. Снимают крышку на приборе, и заливают в него жидкость для чистки. Обычно ее состав указывает завод-изготовитель в заводской инструкции.
Включают «Жель» в электросеть на пару часов, переключая время от времени направление движения промывочной жидкости «вперед — назад». Далее отсоединяют прибор и восстанавливают схему теплоснабжения.
Такая очистка котлоагрегата удаляет все отложения с внутренней поверхности нагрева котла Baxi Main, тем самым предупреждая систему от поломки.
Требования к электропитанию
Котлы Бакси энергозависимые и могут работать только при наличии электроэнергии с напряжением 220В. Электронное оборудование агрегата практически не переносит скачков напряжения в сети, поэтому специалисты рекомендуют устанавливать перед котлом стабилизатор напряжения.
Кроме того для работы электрической части аппарата необходимая правильная синусоида тока и стабильная частота 50 Гц. Эту проблему сможет решить бесперебойный источник тока on-line класса.
Также потребуется установить УЗИП, защищающий котел от импульсных токов при включении рядом мощного электрического оборудования либо во время грозовых атмосферных воздействий.

Не менее важно для безопасности работы оборудования и обслуживания выполнить систему заземления двухконтурного котла с потенциалом между заземлением и нейтралью 0,5 В.
При неверном заземлении на заземляющей планке будет присутствовать постоянный потенциал, что приводит к сбоям во время розжига частым отключениям котла. Это станет причиной того, что воздух остывает в помещениях и в доме будет холодно.
Источник
