Устройство системы теплого пола заключается в монтаже нагревательных элементов под напольным покрытием и дальнейшем подключении их к источнику электроэнергии. Это происходит не напрямую, а через термостат – прибор, служащий для регулировки температурного режима. Подключение теплого пола к терморегулятору (термостату) и электричеству – операция несложная, поэтому выполнить ее можно и без привлечения профессиональных электриков. Тем более, что заботливые производители обычно изображают электрическую схему монтажа на корпусах своих терморегуляторов. Однако, если вы – человек, совершенно не разбирающийся в дебрях электричества, некоторые нюансы могут быть вам непонятны. Мы попытаемся учесть возможные спорные нюансы и описать процесс подключения термостата к системе теплого пола максимально подробно – для «чайников».
Как работает терморегулятор?
Терморегулятор используется для поддержания стабильной температуры в «теплой» системе, а также для включения и выключения нагревательных матов (пленки). Прибор «считывает» показания датчика температуры и автоматически отключает электропитание, как только пол нагреется до необходимого предела. При этом сам остается в рабочем режиме и продолжает контролировать ситуацию. Если датчик известит об отклонениях в температурном режиме, терморегулятор опять запустит электричество в систему и пол начнет нагреваться.
Самые популярные и надежные термостаты – механические и обычные электронные. Более сложные – электронные программируемые. Несмотря на значительную разницу в своей «начинке», принцип подключения терморегуляторов очень похож.

В комплект к терморегулятору входит датчик температуры, монтажная коробка, клеммы, инструкция по монтажу и эксплуатации
Установка и подключение термостата
Термостат обычно монтируется в стену, как обычный выключатель. Для него выбирается место вблизи имеющейся электропроводки, например, возле розетки. Вначале в стене делается углубление, туда устанавливается монтажная коробка термостата, к ней подводятся провода (фаза и ноль) питающей сети и термодатчика. Следующий шаг – подключение термостата.
С боковой стороны терморегулятора располагаются «гнезда». Сюда подводятся провода сети (220В), датчика и нагревательного кабеля.

Общая схема подключения термостата
Полезно знать, что провода, которые подключают при установке термостата, отличаются цветовой маркировкой:
Подключение теплого пола к электричеству выполняют в следующем порядке:
Схемы подключения могут несколько различаться, в зависимости от видов и моделей термостатов. Поэтому, чтобы пользователь не ошибся, на корпусе прибора, как правило, прописываются все контакты.

Подключая термостат, руководствуйтесь схемой подключения, изображенной на корпусе прибора
Небольшие различия в подключении диктуют и особенности нагревательных кабелей теплого пола. По своему строению и количеству жил, они делятся на одножильные и двужильные. Соответственно, в схемах их подключения есть некоторые нюансы.
Подключение к термостату двужильного кабеля
Двужильный нагревательный кабель имеет под защитной оболочкой два токоведущих проводника. Этот вид кабеля более удобен, чем одножильная конструкция, так как к терморегулятору он подключается только с одного конца. Рассмотрим типичную схему подключения:

Схема подключения двужильного кабеля к термостату
Мы видим, что в одном двужильном кабеле соседствуют 3 провода: 2 из них – токоведущие (коричневый и синий), 1 – заземление (желто-зеленый). На контакт 3 подключается коричневый провод (фаза), на контакт 4 – синий (ноль), на контакт 5 – зеленый (заземление).
В комплект к терморегулятору, схему которой мы только что рассмотрели, не входит клемма заземления. При наличии клеммы заземления монтаж намного упрощается.

Два светло-зеленых провода через клемму РЕ соединяются с контуром заземления
Подключение одножильного кабеля
В одножильном кабеле только один токоведущий проводник, обычно он белого цвета. Второй провод – зеленый – это заземление экрана РЕ. Схема подключения может быть такой:

Схема подключения одножильного кабеля к термостату
На контакты термостата 3 и 4 подводятся белые провода (оба конца одножильного кабеля), на контакт 5 – зеленый провод заземления.
Видео-пример проведения монтажных работ
Как вы успели убедиться, подключение термостата – один из самых легких этапов сооружения теплого пола. Не нужно иметь семь пядей во лбу, чтобы разобраться с простейшей схемой, нарисованной на корпусе прибора, и выполнить все рекомендации производителя. Единственной сложностью может стать обеспечение личной безопасности при работе с электричеством. Соблюдайте инструкцию по монтажу и помните, что работы по подключению термостата должны проводиться при отключенном автомате (автоматическом выключателе).
Регулятор температуры помещения пола с центральной панелью и светодиодом Черный Berker R.1/R.3 20342045

Терморегулятор для электрического теплого пола, с накладкой и выносным датчиком. Цвет: Черный, глянцевый; Серия R.1/R.3; Производитель Berker
- с выключателем
- с индикацией режимов
- длина провода датчика 4 метра
- подходит для серий Berker R.1 и Berker R.3
Регулятор температуры, размыкатель, с центральной панелью с одноклавишным выключателем, внешним датчиком температуры пола. Рамка в комплект не входит.
Как работает терморегулятор для электрических теплых полов?
С помощью кнопки настройки устанавливается нужная температура пола. Если температура пола меньше температуры уставки, термостат коммутирует нагрузку, при этом загорается красный индикатор. С помощью таймера или контрольного переключателя можно активировать ночное понижение температуры. При этом на кнопке настройки загорится зеленый индикатор. Понижение температуры составит примерно 5 °C
Подходит ли этот терморегулятор для другого климатического оборудования ?
Данный термостат предназначен только для электрических теплых полов. Для работы с обогревателями, кондиционерами и др. устройствами следует использовать другие термостаты. Также, этот терморегулятор не подходит для водяного теплого пола и систем водяного отопления.
Рекомендации:
Компектация:
Схема подключения:
Технические характеристики:
Розетки и выключатели Berker – неизменно высокое качество с 1919 года!
Компания Berker уделяет огромное внимание качеству, дизайну и инновациям. И не напрасно. Это подтверждается многочисленными наградами, полученными в различных международных конкурсах.

Регулятор температуры помещения пола с центральной панелью и светодиодом Черный Berker R.1/R.3
Изображения и характеристики данного товара, в том числе цвет, могут отличаться от реального внешнего вида. Комплектация и габариты товара могут быть изменены производителем без предварительного уведомления. Описание на данной странице не является публичной офертой.
Термостат с центральной панелью и светодиодом с датчиком Полярная белизна Berker R.1/R.3 20342089

Терморегулятор для электрического теплого пола, с накладкой и выносным датчиком. Цвет: Полярная белизна, глянцевый; Серия R.1/R.3; Производитель Berker
- с выключателем
- с индикацией режимов
- длина провода датчика 4 метра
- подходит для серий Berker R.1 и Berker R.3
Регулятор температуры, размыкатель, с центральной панелью с одноклавишным выключателем, внешним датчиком температуры пола. Рамка в комплект не входит.
Как работает терморегулятор для электрических теплых полов?
С помощью кнопки настройки устанавливается нужная температура пола. Если температура пола меньше температуры уставки, термостат коммутирует нагрузку, при этом загорается красный индикатор. С помощью таймера или контрольного переключателя можно активировать ночное понижение температуры. При этом на кнопке настройки загорится зеленый индикатор. Понижение температуры составит примерно 5 °C
Подходит ли этот терморегулятор для другого климатического оборудования ?
Данный термостат предназначен только для электрических теплых полов. Для работы с обогревателями, кондиционерами и др. устройствами следует использовать другие термостаты. Также, этот терморегулятор не подходит для водяного теплого пола и систем водяного отопления.
Рекомендации:
Компектация:
Схема подключения:
Технические характеристики:
Розетки и выключатели Berker – неизменно высокое качество с 1919 года!
Компания Berker уделяет огромное внимание качеству, дизайну и инновациям. И не напрасно. Это подтверждается многочисленными наградами, полученными в различных международных конкурсах.

Термостат с центральной панелью и светодиодом с датчиком Полярная белизна Berker R.1/R.3
Изображения и характеристики данного товара, в том числе цвет, могут отличаться от реального внешнего вида. Комплектация и габариты товара могут быть изменены производителем без предварительного уведомления. Описание на данной странице не является публичной офертой.
Регулятор теплого-пола с датчиком, Цвет:»белый»

Доступное многообразие. Можно сочетать любые клавиши, центральные вставки и рамки серий выключателей S.1, B.3 и B.7 друг с другом. Весь ассортимент представлен на сайте и он постоянно обновляется!
- Параметры:
- Номинальное напряжение 250 В
ТЕХНИЧЕСКИЕ ДАННЫЕ

Белый матовый
Цена от 195 руб.


7 ошибок при подключении коллектора теплого пола и автоматики регулировки температуры.

После проведения всех работ по укладке контуров водяного теплого пола, наступает ответственный момент их подключения к коллектору.
В данной статье рассмотрим пошаговую последовательность как это правильно сделать, когда и какие испытания следует проводить и какие ошибки вас могут подстерегать в этом деле. Также затронем вопрос автоматического регулирования температуры в помещениях.
Подключение труб теплого пола к гребенке
Монтаж греющих труб начинается с подключения свободного конца трубки к штуцеру подающей гребенки распределительного коллектора.

У большинства современных производителей, например таких как Rehau, это делается при помощи резьбозажимного соединения под евроконус. Оно считается одним из самых простых и надежных по исполнению на сегодняшний день.

Евроконус зачастую идет под диаметр 17мм, тем временем как масса пользователей собирает свою систему теплых полов из 16-й трубы. В этом случае вам придется откалибровать трубку под заданный размер.
Можно применить оригинальные трубки из сшитого полиэтилена от Rehau, которые идут 17-го диаметра, тогда все должно зайти без дополнительных телодвижений.


Кто-то расширяет стенку при помощи ножниц по металлу. Вроде бы все и подходит, но идеально ровного соприкосновения вы таким способом не добьетесь.
Надежность соединения от этого в итоге проиграет. При частых перепадах температуры, в этом месте в будущем вполне возможно появление течи.
Далее одеваете на трубку накидную гайку, вставляете туда же обжимное кольцо и упорную втулку.



После чего от руки затягиваете конец трубки к присоединительному штуцеру.

Для того, чтобы не сорвать штуцер на коллекторе, окончательную затяжку следует производить при помощи двух ключей. Одним фиксируете шестигранник на штуцере, а вторым производите затяжку резьбозажимного соединения.

При монтаже эластичных труб подводку коллектора у пола лучше заключить в фиксатор поворота.

25см будут выходить наружу, а другие 25см будут расположены в самой стяжке.

Подводку греющих контуров следует прокладывать с шагом в 100мм.

Монтаж контура заканчивается подведением другого конца трубы к соответствующему штуцеру обратной гребенки.
В зоне присоединения труб к коллектору, где расстояния между трубок минимальное или они идут вплотную друг к другу, их также нужно помещать в теплоизоляцию или гофру.

Это предотвратит перегрев стяжки и снизит температуру поверхности вблизи самого коллектора. Точно таким же образом поочередно подключаете все остальные контура.

Все зависит от типа ротаметра. Поэтому сверяйтесь с документацией. В одном случае шток должен отклоняться потоком воды вниз, поэтому через него и заводят подачу.

А в другом наоборот, поднимать шток вверх.
Заполнение водой и проверка герметичности давлением
После подключения приходит время заполнить систему водой.

Делать это нужно не через котел отопления, а непосредственно через краны для спуска и наполнения. Они расположены на задней заглушке распредколлектора.

При этом обязательно перекрывайте шаровые краны с подачей от котла.

Далее воспользовавшись специальным ключом, закрываете все контура, кроме одного. Именно с него и будете начинать заполнение системы водой.

Также закрываете все краны на ротаметрах, кроме одного.
Теперь можно подключить шланг с водой к сливному крану на подающей гребенке.

К обратной гребенке подсоединяется шланг для слива воды. После чего можно потихоньку пускать воду.
Сливной шланг с обратной гребенки опускаете в канализацию или просто в ведро и ждете пока спустится весь воздух.
Как только пойдет одна вода, вентиль данного контура можно перекрыть и перейти к следующему. Вся процедура повторяется опять.
После заполнения всех контуров, можно приступать к подаче воды в распределительную систему через тепловой узел или сам котел.

Только после этого открываете шаровые краны на коллекторе и окончательно выпускаете остатки воздуха через воздухоотводчики.
До заливки стяжки сами трубопроводы теплого пола следует проверить на герметичность.

Испытания производятся на холодной воде. При этом испытательное давление должно превышать рабочее в 1,5 раза.

Как правило, гидравлические испытания проходят в течение 3-х часов. В течение первого часа, каждые 10 минут понижающееся давление доводят до требуемого.
А в течение последующих 2-х часов производят контрольный замер.
Давление в рабочей и исправной системе, не должно понизиться от первоначального, более чем на 2 бара.
Вам обязательно нужно убедиться в герметичности не только трубок, но и всех стыков и соединений. Дело в том, что небольшое подкапывание, падением давления никак не определяется.

В итоге, вы довольные всеми показаниями окончательно зальете стяжку и смонтируете всю систему. А через время, эти мокрые места себя покажут во всей красе.

В виде исключения, если у вас на объекте отрицательная температура, для систем напольного исполнения допускается проведение пневматических испытаний сжатым воздухом или инертным газом.
Герметичность каждого соединения при этом проверяется пенящимся составом.
Гидравлические испытания обычно оформляются протоколом.
Балансировка контуров и заливка стяжки

Далее происходит гидравлическая балансировка отдельных контуров теплого пола. Для этого необходимо с помощью специального регулировочного ключа выставить заданное проектировщиком значение на вентилях тонкой регулировки.
Если таких вентилей у вас нет, то выставляете расчетный расход теплоносителя для каждого отопительного контура. Делается это расходомерами.

Ими задают проток, дабы выровнять все контура между собой. Ведь длина каждого может быть любой, а теплоноситель у вас должен равномерно пройти по всем контурам, а не только по самому короткому.
После опрессовки и проверки на герметичность, трубы заливаются стяжкой. При этом система должна быть обязательно заполнена холодной водой и находиться под давлением.
Когда стяжка наберет прочность, проводятся тепловые испытания. Это занимает промежуток времени равный 7 дням.
При этом в течение первых трех дней, система отопления промывается водой с температурой 20 градусов. В последующие 4 дня устанавливается максимальная рабочая температура и проверяется прогрев всех контуров.

Тепловой испытание также оформляется протоколом.
Автоматическое регулирование температуры теплых полов

Если теплые полы разветвленные и обогревают большое кол-во помещений, то их целесообразно оснастить автоматическим регулированием.
Это избавит вас от постоянного подкручивания регулировочных вентилей на коллекторе.

Монтаж системы автоматического регулирования начинается с установки в распределительном шкафу на din-рейке клеммной колодки.
Она монтируется непосредственно над распределительным коллектором.

Сначала к этой колодке подводите сетевое напряжение.

Затем на обратную гребенку распределительного коллектора устанавливаются сервоприводы.
Они присоединяются двухжильными кабелями, к соответствующим клеммам.
Следует обращать внимание, чтобы все сервоприводы отопительных контуров одного помещения, подключались на колодке к клеммам одного терморегулятора.



В отапливаемых помещениях монтируются сами терморегуляторы.
Они устанавливаются на высоте от пола в 130см.


При этом соблюдайте правила и не размещайте их там, где возможно влияние посторонних факторов на реальную температуру в комнате.

Терморегуляторы, предназначенные для управления отоплением электрическими теплыми полами, имеют специальное обозначение.

Не путайте их с другими популярными моделями, которые выпускаются для работы с газовыми котлами или водяным отоплением через коллектор.
На обратной стороне устройства между двух клемм, ищите изображение в виде змейки (контакты L1 и N1).


Именно сюда подключается кабель теплого пола или электрического мата.
Выносной температурный датчик, предотвращающий перегрев теплых полов и контролирующий нагрев, заводится на колодки с изображением сенсора (NTC).


Полярность подключения проводов датчика не важна. Подсоединяйте их в любой последовательности.
Погрешность определения температуры

Обратите внимание, что температура непосредственно на выносном датчике всегда будет выше, чем температура в комнате, которую на своем табло показывает регулятор.

Это связано с глубиной залегания датчика в стяжку.
Обычно эта дельта, между t на поверхности пола и t внутри стяжки, не превышает 5-7 градусов.

На дисплеях электронных приборов можно увидеть оба параметра, а вот в механических устройствах с колесиком, зачастую по окружности даже не прописывают градусы, а указывают только цифры 1-2-3 и т.д.
При пяти цифрах одно деление соответствует примерно 8 градусам.
Градусы не указываются с определенной целью, дабы не запутать пользователя. Выставишь на корпусе термостата +25С, а комнатный градусник в квартире будет показывать всего +20С.
У большинства сразу же возникнет вопрос, почему регулятор работает с такой погрешностью? Не поломался ли он?
Нет, с ним все в порядке. В данном случае до +25С прогревается датчик в полу, а не воздух в помещении. Именно поэтому производители в механике и указывают просто цифры, дабы вы, ориентируясь только на свои ощущения, могли подобрать наиболее комфортный для себя режим.
Если же на вашем механическом термостате указаны именно градусы, это означает, что он главным образом работает и ориентируется на собственный датчик температуры воздуха, встроенный в корпус.


Тот, что подключается к нему извне и прячется в стяжку, играет только роль защиты кабеля от перегрева.
Питание 220В заводите на клеммы L и N через УЗО с током утечки не более 30мА.
Схема подключения теплого пола напрямую через терморегулятор разных производителей однотипна и выглядит следующим образом.




Схема подключения теплого пола большой мощности
При подключении обязательно проверяйте мощность, которую способен пропустить через себя термостат. Обычно он рассчитан на нагрузку не более 16А (3,7кВт при напряжении 230В).
Это именно максимальное значение. Рекомендуется использовать устройство под постоянной нагрузкой не более 70% от этой мощности.
В этом случае девайс прослужит долго и исправно. Релюшка, которая коммутирует контакт, при перегреве быстро выходит из строя. А вместе с ней придется менять и весь прибор.

При нагрузке более 3,7кВт потребуется модульный контактор.

Схема подключения в этом случае изменится на следующую.
Здесь вместо нагрузки, провода с регулятора идут на контакты включающей катушки (А1-А2), а сам кабель обогрева подключается к силовым клеммам пускателя (1-2 или 3-4).
Фазировка на терморегуляторе
Частый вопрос – есть ли разница, куда на терморегуляторе подключать фазу, а куда ноль?
Да, есть. На логику работы устройства это не влияет, а вот на безопасность еще как.

Если перепутаете фазу и ноль, то при отключении термостата разрываться будет не фазный проводник, а нулевой. Таким образом, фаза будет постоянно присутствовать на кабеле теплого пола, что естественно не безопасно.
В тех устройствах, которые на корпусе имеют отдельный выключатель, при его нажатии происходит разрыв сразу двух проводников, и фазы, и ноля. Но это в ручном режиме отключения, и то не во всех моделях.

Зачастую ноль через свою дорожку подается напрямую. Зашел на клемму и тут же ушел на теплый пол.
При этом сам переключатель отвечает лишь за разрыв подачи питания на плату управления. При автоматическом срабатывании от датчика, всегда разрывается только один провод.

Еще обратите внимание на то, что защитное заземление непосредственно на сам терморегулятор на заводится!
Это может быть отдельная, обособленная клемма, через которую к защитному проводнику подсоединяется экран нагревательного кабеля.

На самих терморегуляторах даже стоит значок “квадрат в квадрате”, что означает – прибор с двойной изоляцией.
Такие знаки обычно наносят на переносные инструменты, не требующие наличия заземляющего контакта на вилке шнура питания.
Отличие дорогих электронных термостатов от механических

Какие сверхзадачи решают умные терморегуляторы, начиненные электроникой и дисплеем? Казалось бы, зачем покупать дорогое изделие, если можно приобрести регулятор с механическим колесиком и точно также выставлять для себя нужную температуру?

А дело здесь в одной из принципиальных проблем комфортной работы систем отопления – инерционности.
Дело в том, что выставив на теплых полах приемлемую для себя температуру в районе 23-25С, после ее достижения, даже с отключенным отопительным прибором, система до определенного момента по инерции все равно будет продолжать набирать градусы.
То же самое касается и минимального параметра. Фактически такие колебания в помещении могут достигать от 19 до 27С.

Ни о каком поддержании комфортных условий с такими разбросами речи не идет. В умных электронных термостатах все это решается ШИМ регулированием.
Термин этот пришел из радиоэлектроники. Там ШИМ – это широтно-импульсная модуляция. В отоплении данный принцип заключается в изменении времени включения и работы греющих элементов.

Пока температура в комнате находится далеко от желаемых параметров (задано +25С, в комнате +18С), теплые полы все время включены (греют, греют и греют).

Однако по мере достижения заданной точки (+25С), тепло начинает подаваться как бы небольшими, короткими импульсами (вкл-выкл). За счет этого происходит точное поддержание температуры в районе комфортной.
Про инерционные процессы, связанные с перегревом или наоборот с чрезмерным охлаждением, в этом случае можете забыть. Ничего подобного от термостата с колесиком вы не добьетесь.

В то же самое время не ждите каких-то глобальных изменений при замене термостата одной модели на другую. Бытует мнение, что если теплый пол не догревает, то стоит поменять терморегулятор на более дорогой, все само собой изменится.
Тут же поднимется температура воздуха в комнате, и там, где ранее было холодно, наступит жарища. Грубо говоря, термостат – это своего рода спидометр в вашем автомобиле.

Можете на спидометре нарисовать 300-350км/ч, но если движок не способен выдать такой мощи, то и данной скорости вам не видать. Если что-то и виновато в плохой работе теплых полов, то в первую очередь смотрите на температурный датчик.
Проверить работоспособность термостата очень просто. Подаете на него питание 220В и подключаете выносной датчик.
Далее, вместо теплого пола подсоединяете к термостату обычную лампочку накаливания. Начинаете выкручивать ручку, изменяя температуру.


В определенный момент лампочка должна загореться.
Далее зажимаете в руке температурный датчик и ждете. При нагреве от вашего тела исправный термостат сработает, и лампочка потухнет.
Если датчик запрятан глубоко в стяжку, то можете прогреть это место феном и дождаться такого же эффекта. Когда лампа никак не реагирует, это говорит о неисправности устройства.
Самый быстрый способ ремонта в этом случае – перевод работы с датчика пола, на встроенный в корпус датчик воздуха.



Концы кабеля на девайсе от напольного источника температуры придется откинуть, а настройки самого прибора перезагрузить.
Работать все это будет корректно при условии установки терморегулятора непосредственно в обогреваемом помещении.

Если у вас электронный термостат с ШИМ управлением, то при вышеприведенном способе проверки, не рекомендуется слишком быстро нагревать датчик посторонним источником тепла. Чем это чревато?
Во-первых, термостат тут же зафиксирует не нормальный рост тепла и сработает раньше времени. Во-вторых, “умные мозги” девайса принудительно отключат обогрев на ближайшие 20 минут.
При этом температура уже через 5 минут на дисплее устройства будет достаточной для включения, а запуска и замыкания контактов не произойдет. Вследствие чего у вас возникнут сомнения в корректности работы терморегулятора.

Поэтому проверка с быстрым нагревом идеально подходит для механических устройств, а с электронными будьте осторожны.
Подключение температурного датчика

Еще одна ошибка возникает при замене или подключении датчика разных производителей к одному и тому же регулятору. Дело в том, что все они имеют определенное сопротивление, соответствующее той или иной температуре.
И если без изменения настроек взять и поменять температурный датчик на другой, это может привести к некорректной работе отопления. Разница по температуре между определяемой и фактической может достигать 10 градусов!

Из-за другого сопротивления, меньше чем заводское, регулятор поймет это как завышенную температуру и даст команду на раннее отключение, хотя теплые полы будут еще не достаточно прогретыми.
Для теплого пола применяются, так называемые NTC – датчики с отрицательным температурным коэффициентом. Данный термин означает, что с повышением окружающей температуры, их сопротивление уменьшается.
Еще бывает PTC – положительный t коэфф. сопротивления. С ними происходит обратный процесс.
У продвинутых девайсов (Devireg Touch) изначально в программу настроек занесено несколько разновидностей датчиков. На этапе установки просто выбирайте требуемый.




Если вы не знаете марку, придется вручную сделать замеры сопротивления мультиметром.
Полученные данные сравниваются и проверяются, соответствуют ли они выставленным заводским настройкам или нет.

Наиболее правильной системой отопления считается та, которая имеет в каждой комнате свою собственную зону регулирования. Что это означает?
При наличии в доме всего одного терморегулятора, разброс температур в разных частях здания будет достигать 5-6 градусов.

Поэтому придется покупать и устанавливать не один, а несколько термостатов.

Можно настроить отдельные регуляторы одновременно на две зоны, при этом меняя приоритет температур. То есть, установить в термостат в одной комнате, а выносной датчик от него завести в соседнее помещение.
При этом в настройках нужно будет сделать выбор на какой элемент должен реагировать терморегулятор – на встроенный в корпус или на выносной. Добиться одинаковой температуры от одного прибора у вас не получится.


Размещать терморегуляторы в мокрых зонах запрещено. Они должны иметь соответствующий уровень влагозащиты IP и монтироваться в зоне 3.

Что это за зона, читайте в отдельной статье.
Обзор многофункционального терморегулятора теплых полов

Настройка и управление электронных разновидностей термостатов происходит по заводским инструкциям. В качестве примера давайте рассмотрим популярную (тысячи заказов со всего света + положительные отзывы) и недорогую модель терморегулятора от наших китайских товарищей.
Для начала работы с прибором, первым делом подаете на него напряжение 220В.

Через какое-то время подсветка гаснет и девайс переходит в режим энергосбережения. При этом даже в случае полного исчезновения напряжения, термостат запоминает и сохраняет в памяти все ранее заданные настройки.
Поэтому один раз внесли все параметры, и далее ничего перепрограммировать не придется.

В ручном режиме, когда на экране высвечивается иконка руки, можно установить требуемую температуру в комнате.
Данный параметр выставляется путем нажатия кнопок со стрелочками (вверх – вниз).
В состоянии покоя экран показывает действующую температуру в помещении.

Чтобы перевести устройство в автоматический режим, нажимаете на кнопку с квадратиками и на дисплее тут же отображается значок часов или будильника.
В автоматике изменить ранее заданный порог температуры при помощи стрелочных кнопок не получится. Данные намертво привязаны к конкретному дню недели.

Этот день также высвечивается на экране (1-понедельник, 2-вторник и т.д).
Временной отрезок суток показывается в виде маленького домика с цифрой (чуть выше дня недели).
Через него можно запрограммировать работу отопления так, чтобы ночью полы работали на полную или наоборот с минимальной нагрузкой. Все зависит от ваших условий проживания.
Всего можно установить шесть временных периодов.

Если вы выбрали модель с WiFi, то время и день недели отображаются автоматически.

При рабочем состоянии отопления, над домиком появляется дымок.
Как только обогрев отключается, дымок исчезает.

Гораздо удобнее управление термостатом осуществлять на смартфоне. Для этого потребуется скачать и установить программку Smart Life.
Более подробно со всеми нюансами настроек данного термостата можете ознакомиться из видеоролика ниже.

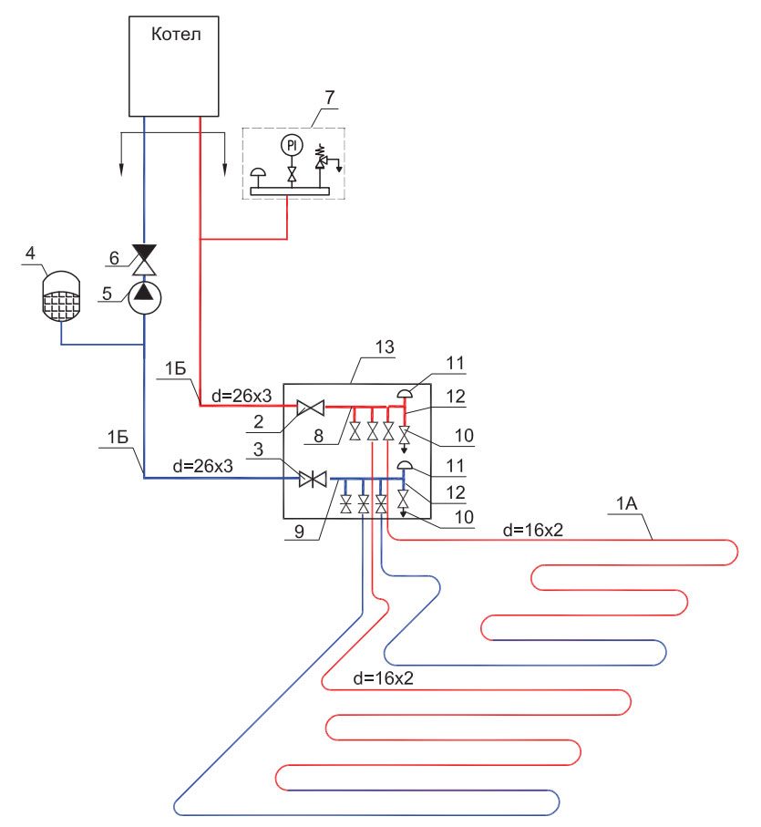
Теплый водяной пол к системе отопления можно подключить множеством вариантов. Давайте рассмотрим четыре основные схемы, которые чаще всего применяются в наших реалиях.
Но прежде чем перейти к их подробному изучению, стоит обратить внимание на те минимальные требования, которые вообще применяются к теплым полам. Они тем или иным образом могут повлиять на выбор схемы.
Начнем с того, что водяной теплый пол не относится к высокотемпературным системам отопления. По нормативам, здесь нельзя превышать и нагревать температуру теплоносителя свыше 55С.

На практике нагрев происходит максимум до 35 или 45 градусов.
При этом не путайте температуру теплоносителя и температуру поверхности пола. Она может составлять от 26 до 31 градуса максимум.

Кроме того, не забывайте про циркуляционный насос. Теплый пол — это все таки отдельный самостоятельный контур. Насос может быть как встроенным в котел, так и смонтирован за его пределами.
С помощью насоса легче выполнить еще одно требование, касающееся перепада температур. К примеру между подачей и обраткой, перепад должен составлять не более 10 градусов.
Но выбирая насос, не переборщите со скоростью протока теплоносителя. Максимально допустимое значение здесь — 0,6м/с.
Зная все эти ограничения и рекомендации, давайте перейдем непосредственно к самим схемам. Схема прямого подключения
У вас есть котел, после которого смонтирована вся арматура безопасности + циркуляционный насос. В некоторых настенных вариантах котлов, насос идет изначально встроенным в его корпус.
Для напольных экземпляров придется ставить его отдельно. От этого котла, вода сначала направляется в распределительный коллектор, и далее разбегается по петлям. После чего завершив проход, возвращается через обратку в теплогенератор.


Спецификация материалов и оборудования на примере Valtec

При такой схеме, котел непосредственно настраивается на желаемую температуру самих ТП. У вас тут нет никаких дополнительных батарей отопления или радиаторов.

На какие главные особенности здесь стоит обратить внимание? Во-первых, при таком прямом подключении, желательно устанавливать конденсационный котел.
В таких схемах, работа при относительно невысоких температурах для конденсационника вполне оптимальна. В этом режиме он достигнет своего наибольшего КПД.

Если же вы будете использовать обычный газовый котел, то в скором времени попрощаетесь со своим теплообменником.

Второй нюанс касается твердотопливных котлов. Когда у вас смонтирован именно он, для прямого подключения к теплым полам, вам потребуется еще и буферная емкость.
Она нужна для ограничения температурного режима. Твердотопливными котлами напрямую очень тяжело регулировать температуру.
Схема с трехходовым клапаном
В подавляющем большинстве домов монтируют именно эту комбинированную систему теплых полов.
Спецификация материалов и оборудования

- наличие радиаторов отопления с нагревом до 70-80С
- отдельный контур ТП со средней температурой воды в 40С
Главный вопрос здесь — как получить из 80 градусов идущих на батареи, поток воды для теплых полов в два раза меньшей температуры.

Проблема решается при помощи трехходового термостатического клапана.
Монтируется он на подающей трубе. При этом после него не забудьте поставить циркуляционный насос.

Более холодная вода берется из обратки теплого пола. Смешиваясь с горячей водой поступающей из котла, теплоноситель и приобретает пониженную температуру, необходимую для напольного отопления.
Недостатком такой схемы является то, что вы не сможете точно ограничить и отрегулировать поток остывшей воды из обратки. Чем это чревато?
Тем, что в трубки теплых полов периодически будет попадать как слишком остывшая вода, так и наоборот — перегретая сверх нормы.
Эффективность и комфорт всей системы из-за этого страдает.

Непридирчивый человек этого может и не заметить, тем не менее данные перепады температуры в этой схеме присутствуют, и от них никуда не деться. Конечно, временные отрезки подачи горячего и непрогретого теплоносителя могут компенсироваться тепловой инерцией бетона стяжки.
Но это все относительно. Никогда точно не рассчитаешь оптимальную толщину при таком обогреве.
Достоинства такой комбинированной схемы с трехходовым клапаном:
- доступная цена оборудования
Такой способ монтажа себя оправдывает, если у вас квартира или дом небольшой площади. Да и завышенными требованиями к суперкомфортным условиям проживания вы не страдаете.
Схема с насосно смесительным узлом
Эта схема тоже относится к комбинированным системам, когда у вас одновременно есть и радиаторы, и теплый пол.
Однако здесь вместо 3-х ходового клапана, применяется более дорогой насосно-смесительный узел.


По факту, здесь также подмешивается остывшая обратка к основной котловой подаче. Но благодаря балансировочному клапану, остывшую воду можно подмешивать в определенных дозах и заданных пропорциях.
Этим вы обеспечите точно заданную температуру теплоносителя, поступающего в трубки ТП через коллектор.
Это наиболее эффективная и самая комфортная схема. Сам насосно-смесительный узел может быть собран в различных вариациях.

В зависимости от ваших потребностей и финансовых возможностей в него могут быть включены следующие компоненты:
Схема с терморегулирующим комплектом для одной петли
Здесь вам не придется городить сложных коллекторов, смесительных групп и т.п. Она рассчитана на обогрев помещений с максимальной площадью 15-20м2.

С виду это небольшая пластиковая коробочка, в которой смонтированы:
Производим подключение инфракрасного теплого пола – инструкция по шагам с фото и видео пособием
Плёночные тёплые полы – это одна из самых популярных систем отопления помещений. Отсутствие на стенах внутри дома радиаторов и труб водяного обогрева, а под полом трубопроводов с горячей водой, избавляет интерьеры помещений от громоздких не эстетичного вида конструкций.
Так же, важным аспектом является отсутствие угрозы затопления помещений, расположенных ниже. И всё это, может дать подключение инфракрасного пола, а правильный монтаж всех элементов плёночного обогрева принесёт значительный экономический эффект.
Устройство инфракрасного плёночного пола
Инфракрасный плёночный тёплый пол (ИТП) – эта тонкая полимерная плёнка, в которую впечатана сеть из плоских термоэлементов. Нагревательные полосы из прессованной карбоновой пасты (высокопрочного углепластика) заключены в защитную полимерную оболочку.
Монтаж
Плёночный обогрев настилают под любое листовое или рулонное напольное покрытие. Большой эффект даёт инфракрасная плёнка, помещённая под ламинат, линолеумом, ковролином либо другим напольным материалом небольшой толщины.
Одна из самых распространённых схем подключения плёночного тёплого пола — это подсоединение нагревательной системы через терморегулятор.
Схема подключения
Применяют две схемы подключения к электричеству ИТП. Это подсоединение к розетке напрямую и через терморегулятор. Первый вариант чреват всяческими неудобствами.
Приходится вручную включать и выключать тёплый пол, соединив его с электросетью через выключатель. Это довольно хлопотное занятие и выгодно оно только тогда, когда стоимость установки инфракрасной системы (маленькая площадь обогрева) намного меньше цены терморегулятора.
В схеме подключения инфракрасного тёплого пола через терморегулятор нет ничего сложного. Достаточно следовать нижеследующим советам и пунктам, прилагаемой инструкции к комплекту поставки, чтобы получить эффективно работающий плёночный тёплый пол.
На нижеследующей схеме видно двухстороннее подключение нагревательных полос. Бывает одностороннее подключение медных шин через раз. И тот и другой варианты одинаково правильные.
Два провода от инфракрасного покрытия, провод термодатчика и два силовых проводника сходятся в распиновке терморегулятора.

Терморегулятор через термодатчик получает информацию о степени нагрева пола. Сравнивая реальные показания температуры нагрева напольного покрытия с заданным параметром, микропроцессор регулятора подаёт сигналы в реле на включение или выключение системы обогрева пола.
Каждый комплект инфракрасных тёплых полов поставляется в продажу с подробной инструкцией установки и соединения всех элементов в единую систему и подключения к электросети.
Используя руководство, хозяин жилья может вполне самостоятельно своими руками осуществить сборку и запустить в эксплуатацию инфракрасные тёплые полы. Для этого нужно последовательно выполнить нижеследующие операции.
Источник

