
ИНСТРУКЦИЯ ПО ЭКСПЛУАТАЦИИ
1.Назначение отопительного прибора.
2.1.Безопасность при монтаже. 2.2.Безопасность при эксплуатации.
4.1.Технические характеристики. AIRTRONIC D2/D4
4.2.Технические характеристики. AIRTRONIC B4 5.Габаритные размеры отопителей.
6.Основные требования по монтажу.
6.1. Место расположения отопительного прибора.
6.2.Пример установки на легковой автомобиль. 6.3.Пример установки в грузовом автомобиле (только дизельные отопительные приборы)
7.Основные требования по монтажу отопителя.
7.1.Допустимые монтажные положения.
7.2.Фиксация на кузове автомобиля.
7.3.Разъем подключения кабельного жгута, слева или справа.
8. Монтаж системы подачи воздуха в камеру сгорания и отводы выхлопных газов.
8.1.Подача воздуха в камеру сгорания.
9.Подача горячего воздуха на отопление.
10.1.Схема подачи топлива через Т-образную врезку.
10.2.Забор топлива с помощью отдельного топливозаборника в бак.
10.3.Монтажное положение дозирующего насоса. 10.4.Допустимая высота сторон всасывания и нагнетания дозирующего насоса.
12.Электрооборудование 12.1.Общие требования.
12.2.Электросхема внутренних и внешних соеденений Airtronic D2 / D4 / B4
13.1.Индикация рабочего режима.
14.Первоначальный ввод в эксплуатацию. 15.Предохранительные устройства.
16.Принудительное отключение при перевозке опасных грузов.
17.Эксплуатация на возвышенностях. 18.Возможные неисправности.
19.Указания по техобслуживанию
20.Сертификат соответствия ЕЭС. 21.Гарантийные обязательства.
1.Назначение отопительного прибора.
Независимый воздушный отопитель AIRTRONIC предназначен для подогрева стекол, для их размораживания и удаления конденсата. А также для обогрева и поддержание температуры.
Автономный воздухонагревательный прибор с учетом его тепловой мощности предназначен для установки на следующих транспортных средствах:
— транспортные средства всех видов (макс. 9 сидячих мест) и прицепы к ним,
— автомобили, оборудованные под жилье. Вследствие своего функционального назначения отопительный прибор не разрешается использовать в следующих целях:
Длительная непрерывная эксплуатация для обогрева:
— строительных вагончиков, дачных домов и охотничьих домиков
— барж, используемых для жилья, и т. д.
— людей или животных путем прямого обдува горячим воздухом,
— вдувание горячего воздуха в какие-либо емкости.
2.Инструкция по технике безопасности.
2.1.Безопасность при монтаже.
— Монтаж и ремонт (в том числе и по гарантии) отопительного прибора может выполняться только компаниями имеющие допуск от производителя согласно предписаниям данной документации, в определенных случаях — согласно специальным монтажным правилам.
— Выполнение ремонтных работ с привлечением не имеющих допуска организаций и / или с использованием неоригинальных запасных частей является источником опасности и поэтому не допускается; последствием этого является прекращение действия гарантийных обязательств.
— При монтаже или ремонте разрешается использовать только оригинальные принадлежности или оригинальные запасные части.
— Для управления отопительным прибором разрешается использовать только одобренные компанией Eberspacher элементы управления. Использование других элементов управления может стать причиной неправильного срабатывания.
— Перед проведением работ с отопительным прибором выключить его и дождаться, пока не остынут все горячие детали.
— При установке отопителя на специальных автомобилях необходимо соблюдать действующие в отношении таких автомобилей предписаний. При установке отопительного прибора на транспортных средствах, которые не подпадают под действие Правил допуска транспортных средств к движению (напр., суда), необходимо соблюдать специальные действующие в таких случаях предписания и инструкции по монтажу.
— Для установки отопительного прибора на автомобилях, предназначенных для перевозки опасных грузов, необходимо дополнительно выполнить предписания ADR / ADR99
— При установке отопительного прибора необходимо выполнять все необходимые меры предосторожности, чтобы максимально исключить возможность травмирования людей или повреждения перевозимых предметов.
2.2.Безопасность при эксплуатации.
— Запрещается эксплуатировать отопительный прибор в закрытых помещениях, например, в гаражах или на закрытой стоянке. -Запрещается преждевременная остановка инерционного выбега отопительного прибора путем использования разъединителя аккумуляторной батареи, за исключением аварийного выключения. — Запрещается эксплуатация отопительного прибора в таких местах, где в атмосфере могут содержаться воспламеняющиеся пары или пыль, напр., если вблизи располагается
— угольный склад дровяной склад -зернохранилище и т. п.
—Запрещается включать отопительный прибор при открытой смотровой крышке
и не смонтированных выпускных патрубках. Запрещается открывать смотровую крышку на работающем приборе.
Регулируемые обдувочные сопла всегда должны быть направлены таким образом, чтобы исключить непосредственный обдув горячим воздухом людей и животных, а также термочувствительных предметов.
— При выполнении на транспортном средстве электросварочных работ для защиты блока управления необходимо снять клемму с плюсового вывода аккумуляторной батареи и замкнуть ее на массу. —При заправке необходимо отключать отопительный прибор. — Монтажный отсек для отопительного прибора, за исключением его установки в защитном кожухе и т. п., не предназначен для хранения каких-либо предметов и должен быть свободным. Вблизи отопительного прибора или на нем ни в коем случае не должны храниться или транспортироваться запасные канистры с топливом, емкости с маслом, аэрозольные и газовые баллоны, ветошь, одежда, бумага и т. д — При обнаружении утечки топлива из топливной системы отопительного прибора
(разгерметизация) обратиться за устранением неисправности в авторизованный сервисный центр.
— Запрещаются отклонения от правовых предписаний, требований техники безопасности и / или эксплуатационных нормативов, содержащихся в данной документации, при монтаже или эксплуатации. В особенности это относится к электропроводке, системе подачи топлива, системе подачи воздуха в камеру сгорания и выхлопной системе.
Данные правила обязательны к исполнению ив тех странах в которых не существует специальных предписаний.
При несоблюдении правовых предписаний и инструкций по технике безопасности, а также при выполнении ремонта не имеющим допуска персоналом даже с использованием оригинальных запасных частей действие гарантии прекращается, и компания Eberspaecher снимает с себя всякую ответственность в отношении возможного ущерба.
Всегда необходимо выполнять общепринятые правила по предотвращению несчастных случаев и соблюдать соответствующие нормативы по охране труда.

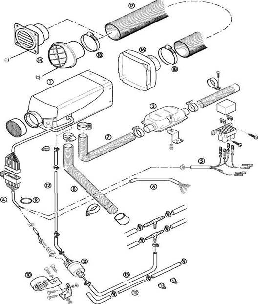
1.Отопительный прибор 9.Хомут пластиковый. 2.Дозирующий насос 10. Держатель дозирующего насоса 3.ГлушиТопливная трубка 4 х 2,0 (синяя) 4. Кабельный жгут отопиТопливная трубка 4 х 1,0 (белая) 5. Кабельный жгут эл. питания 13.Топливный шланг Д4мм. 6. Кабельный жгут устройства управления. 14.Дефлектор куполообразный. 7.Гибкая выхлопная труба 16.Выходной кожух. 8.Труба воздухозаборника 17.Гибкий гофрированный воздуховод
Источник
LiveInternetLiveInternet
—Поиск по дневнику
—Подписка по e-mail
—Статистика
Установка воздушного отопителя салона Eberspacher Airtronic D2 (Эберспехер Аиртроник) на Volkswagen Crafter
Данная инструкция по установке рекомендуется для автомобилей, модельного ряда 2013 г; ВНИМАНИЕ! • Данная инструкция по установке не распространяется на автомобили с правым рулем. • На модели автомобилей, не перечисленные в данной инструкции, установка не рекомендуется. ПЕРВЫЙ ЗАПУСК ОТОПИТЕЛЯ • После установки отопителя проверить, хорошо ли установлены и закреплены все провода, хомуты, электрические соединения. • Соблюдать указания изготовителя автомобиля при заполнении жидкостной системы отопления. • Удалить воздух из системы жидкостного отопления. • Во время первого запуска проверить жидкостной контур и трубки подачи топлива на предмет утечек. • Если возникают неисправности с отопителем при первом запуске, то необходимо воспользоваться диагностическим оборудованием для устранения неполадок. КОМПЛЕКТ ОТОПИТЕЛЯ ДЛЯ УСТАНОВКИ Кол-во Название Каталожный номер 1 Airtronic D2, 12V 25 2115 05 00 00 1 Монтажный кронштейн * 1 Переходник для топливопровода 25 1596 80 00 01 1 Топливозаборник 22 1000 20 16 00 2 Хомут 9мм 10 2068 00 90 98 1 Пластина для крепления 25 1482 89 00 13 * — кронштейн в комплект не входит; приобретается или изготавливается самостоятельно. ВРЕМЯ МОНТАЖА Рекомендуемое время для установки отопителя – 7 н/ч. ВНИМАНИЕ! Данный монтажный комплект содержит всё необходимое оборудование для установки отопителя на автомобили, указанные в этой инструкции. НЕОБХОДИМЫЙ СПЕЦИАЛЬНЫЙ ИНСТРУМЕНТ Динамометрический ключ (5…50 Nm) Клещи для штатных хомутов Инструмент для обжима клемм МОМЕНТЫ ЗАТЯЖЕК Если момент затяжки не указан, затянуть резьбовое соединение согласно таблице. Вид резьбового соединения Момент затяжки М6 10 Nm М8 20 Nm
М10 45 Nm
Airtronic устанавливается в кабине водителя под пассажирским сиденьем. 1. Отопитель 2. Глушитель отопителя 3. Забор воздуха 4. Предохранители 5. Дозирующий насос 6. Забор топлива 7. Устройство управления 8. Гибкий воздуховод
9. Поворотный дефлектор
ПОДГОТОВКА АВТОМОБИЛЯ К УСТАНОВКЕ ОТОПИТЕЛЯ
Демонтировать сиденья в кабине автомобиля Для получения доступа к модулю топливного насоса требуется демонтировать топливный бак Отопитель устанавливается в кабине водителя под правым пассажирским сиденьем при помощи составного уникального монтажного кронштейна. ВНИМАНИЕ! Уникальный монтажный кронштейн в комплект поставки не входит, рекомендуется приобрести у стороннего производителя либо изготовить самостоятельно. Разметить и просверлить точки крепления монтажного кронштейна, установив основание кронштейна на пол автомобиля. Также просверлить отверстия для патрубка забора воздуха и металлорукава выхлопа. Кромки высверленных отверстий рекомендуется обработать антикоррозионным составом; на контактную площадку нанести термостойкий клей-герметик.
Основание кронштейна закрепить к полу автомобиля в заранее подготовленные отверстия при помощи заклепок (не входят в комплект).
Установить отопитель на верхнюю часть составного кронштейна, закрепить при помощи гаек М6. Установить патрубок забора воздуха и металлорукав выхлопа на соответствующие штуцеры, закрепив их хомутами из комплекта. На топливоподводящий штуцер установить топливопровод d=1,5mm (белого цвета) при помощи резинового шланга l=50mm из комплекта. Соединение зафиксировать хомутами. Подсобранный отопитель установить на основание кронштейна, пропустив патрубок забора воздуха и металлорукав выхлопа в соответствующие отверстия; топливоподводящую трубку вывести сквозь боковое отверстие кронштейна. Закрепить кронштейн к основанию при помощи болтов М6. При установке отопителя соблюдать допустимые монтажные положения. 1. Отверстие забора воздуха. 2. Положение штифта накала. 3. Направление потока. Установить на отопитель решетку забора воздуха, как показано на фото. ВНИМАНИЕ! От воздухозаборного отверстия до стенки требуется оставлять минимальный зазор в 30мм. Гибкий гофрированный воздуховод со стороны подачи горячего воздуха установить на отопитель и зафиксировать хомутом. Воздуховод вывести в пассажирский отсек сквозь заранее подготовленное отверстие. При необходимости разъем кабельного жгута может быть перемонтирован на противоположную сторону корпуса отопителя.
На гибкий гофрированный воздуховод установить поворотный воздухораспределительный дефлектор и закрепить его червячным хомутом из комплекта.
ПОДАЧА ВОЗДУХА В КАМЕРУ СГОРАНИЯ И ОТВОД ОТРАБОТАННЫХ ГАЗОВ
Патрубок забора воздуха вывести под днище автомобиля. Проложить и закрепить патрубок пластиковыми стяжками так, чтобы входное отверстие не было направлено в сторону движения автомобиля и было защищено от попадания грязи. В самой нижней точке воздушного патрубка рекомендуется просверлить отверстие d= 4,5-5 мм для дренажа конденсата Металлорукав выхлопа вывести под днище автомобиля. Кронштейн с глушителем закрепить на усилителе кузова в проеме между правым порогом и лонжероном в заранее подготовленное отверстие при помощи болта М6 и резьбовой расклепной втулки, как показано на фото ОСТОРОЖНО Ввиду высоких температур выхлопных газов нужно следить, чтобы выхлопной трубопровод находился на достаточном расстоянии от шлангов, жгутов электрических проводов и других элементов автомобиля. Входящий в стандартный монтажный комплект выхлопной трубопровод укоротить по месту, установить на патрубок глушителя; оставшуюся часть трубопровода с оконечным рассекателем установить на выпускном патрубке глушителя и закрепить хомутами.
Выходное отверстие выхлопной трубы не должно быть направлено в сторону движения автомобиля, а также на узлы и агрегаты, которые могут пострадать от воздействия высоких температур выхлопных газов
ОПАСНОСТЬ Перед установкой топливной системы снять крышку топливного бака, провентилировать. После монтажа – закрыть. Извлечь модуль топливного насоса из бака, отсоединив топливопроводы и электрические разъемы Просверлить отверстие в топливном баке диаметром 8-8,5 мм и установить топливозаборник, как показано на фото 19. Учитывая глубину топливного бака, рекомендуется оставлять примерно 25мм от дна. Следует обратить внимание, что топливозаборник не должен создавать помех подвижным частям модуля таким, как поплавок датчика уровня топлива и пр. На топливозаборник установить топливопровод, d=2 мм (черного цвета) с помощью резинового переходника d1=3,5мм, d2=5мм, l=120мм. Соединение зафиксировать хомутами, входящими в монтажный комплект. Установить Г-образный кронштейн дозирующего насоса в заранее подготовленное отверстие при помощи болта М6, и гайки. На кронштейн установить дозирующий насос. При установке дозирующего насоса следует соблюдать допустимое монтажное положение.
ОСТОРОЖНО
Дозирующий насос всегда располагать стороной нагнетания вверх с повышением, как показано на рис. 5. При этом допустима установка под любым углом, превышающим 15°, но предпочтительна установка под углом от 15 до 35°. 1. Установка под углом 0° – 15° не допускается. 2. Предпочтительна установка под углом 15° – 35°. 3. Установка под углом 35° – 90° допускается. ВНИМАНИЕ! При соединении топливных проводок и шлангов всегда соединять их встык, чтобы исключить возможность образования пузырей. 1 –правильно; 2 – непрвильно. Установить топливопроводы на дозирующий насос со стороны всасывания (черный) и со стороны нагнетания (белый) при помощи резиновых шлангов l=50мм и хомутов из комплекта. ВНИМАНИЕ! Не допускается каким-либо образом увеличивать длину топливопровода! Проложить топливопроводы вместе с кабельным жгутом от дозирующего насоса к отопителю. Жгут питания дозирующего насоса допускается укоротить по месту и подключить к разъему, используя обжимные клеммы, входящие в комплект.
Подключить основной жгут электропроводки отопителя и проложить его в пластиковом коробе к монтажному блоку под водительским сиденьем для подключения питания и установки устройства управления.
ВНИМАНИЕ!
Для правильной работы отопителя при подключении устройства управления обязательно смонтировать перемычку между коричневым и желто-фиолетовым проводами (3-й и 5-й контакты на жгуте минирегулятора).
ОСТОРОЖНО Перед проведением монтажа вынуть предохранители из колодки. Установить колодку с предохранителями под водительским сиденьем в монтажном блоке. Вынуть предохранители. Подключить красный (+) и коричневый (-) провода отопителя к аккумуляторной батарее.
Допускается коричневый провод подсоединить к штатной точке крепления массы на кузове автомобиля.
УСТАНОВКА УСТРОЙСТВА УПРАВЛЕНИЯ
Минирегулятор
Проложить кабель управления к месту установки Минирегулятор. Отмерить и отрезать лишнюю длину проводов кабеля. Обжать провода контактными клеммами из комплекта Минирегулятор . Установить колодку из комплекта Минирегулятор на контакты проводов кабеля управления от отопителя в соответствии со схемой, представленной на рисунках Установить предохранители в держатели. На рисунке представлена монтажная схема устройства управления Минирегулятор . За более подробной информацией по установке, подключению и настройке Минирегулятор рекомендуется обратиться к инструкции по монтажу Минирегулятор .
Установить предохранители в держатель.
Подсоединить аккумуляторную батарею автомобиля. Установить все демонтированные детали. Проверить, хорошо ли установлены и закреплены все провода, хомуты, электрические соединения. Соблюдайте инструкции и правила техники безопасности, содержащиеся в техническом описании. ВНИМАНИЕ!
Для правильного функционирования Airtronic требуется следить за тем, чтобы отверстия забора и отвода горячего воздуха не перекрывались посторонними предметами.
Вышеизложенный материал описывает установку автономного воздушного отопителя Eberspacher Airtronic D2 (Эбершпехер Аиртроник Д2) 12V на цельнометаллический автофургон / микроавтобус Volkswagen Crafter (Фольксваген Крафтер). Альтернативой воздушному отопителю Аиртроник может быть, как Webasto Airtop 2000 ST (Вебасто Аиртоп 2000 СТ), 12V Disel, так и Планар 2Д-12В
Источник

Вам также может понравиться
