Принцип работы IGBT транзисторов основан на применении n-канального МОП-транзистора малой мощности для управления мощным биполярным транзистором. Таким образом, удалось совместить достоинства биполярного и полевого транзистора. Малая управляющая мощность, высокое входное сопротивление, большой уровень пробивных напряжений, малое сопротивление в открытом состоянии — позволяют применять IGBT в цепях с высокими напряжениями и большими токами.
Биполярные транзисторы с изолированным затвором (IGBT или БТИЗ) целесообразно использовать в сильноточных, высоковольтных ключевых схемах. Сварочные аппараты, источники бесперебойного питания, приводы электрических двигателей, мощные преобразователи напряжения – вот сфера применения таких элементов.
Названия выводов IGBT: затвор, эмиттер, коллектор.

Биполярные транзисторы с изолированным затвором способны коммутировать токи в тысячи ампер, напряжение эмиттер-коллектор может достигать несколько киловольт. Но частота работы этих транзисторов значительно ниже, чем частота полевых транзисторов.
Как проверить IGBT транзистор мультиметром
Проверяется IGBT FGH40N60SFD. IGBT часто пробиваются накоротко, такие неисправные транзисторы легко выявить с помощью мультиметра. Перед проверкой IGBT транзистора мультиметром, необходимо обратиться к справочным данным и выяснить назначение его выводов.

Затем произвести следующие действия:
1. Переключить мультиметр в режим «прозвонка». Произвести измерение между затвором и эмиттером для выявления возможного замыкания.

2. Произвести измерение между затвором и коллектором для выявления возможного замыкания.

3. На секунду замкнуть пинцетом или перемычкой эмиттер и затвор. После этого транзистор будет гарантированно закрыт.

4. Соединить щуп мультиметра «V/Ω» с эмиттером, щуп «СОМ» с коллектором. Мультиметр должен показать падение напряжения на внутреннем диоде.

5. Соединить щуп мультиметра «V/Ω» с коллектором, щуп «СОМ» с эмиттером. Мультиметр должен показать отсутствие замыкания и утечки.

Для более надежной проверки IGBT транзистора можно собрать следующую схему:

При замыкании контактов кнопки лампочка должна загораться, при размыкании – тухнуть.
В этом видео показано как проверить IGBT мультиметром:
Источник
Как проверить полевой МОП (Mosfet) — транзистор цифровым мультиметром
В этой статье я расскажу вам, как проверить полевой транзистор с изолированным затвором, то есть МОП-транзистор. Это вторая часть статьи по проверки полевых транзисторов. В первой части я рассказывал, как проверить транзистор с управляющим p-n переходом.
Да, полевые транзисторы с управляющим p-n переходом уходят в прошлое, а сейчас в современных схемах применяются более совершенные полевые транзисторы с изолированным затвором. Тогда предлагаю научиться их проверять.
Но для того, что бы понять, как проверить полевой транзистор, давайте я вам в двух словах расскажу, как он устроен.
Полевой транзистор с изолированным затвором мы знаем под более привычным названием МОП -транзистор (метал -окисел-полупроводник), МДП -транзистор(метал -диэлектрик-полупроводник), либо в английском варианте MOSFET(Metal-Oxide-Semiconductor-Field-Effect-Transistor)
Эти аббревиатуры вытекают из структуры построения транзистора. А именно.
Структура полевого MOSFET транзистора.
Для создания МОП-транзистора берется подложка, выполненная из p-полупроводника, где основными носителями заряда являются положительные заряды, так называемые дырки. На рисунке вы видите, что вокруг ядра атома кремния вращаются электроны, обозначенные белыми шариками.

Когда электрон покидает атом, в этом месте образуется «дырка» и атом приобретает положительный заряд, то есть становиться положительным ионом. Дырки на модели обозначены, как зеленые шарики.
На p-подложке создаются две высоколегированные n-области, то есть области с большим количеством свободных электронов. На рисунке эти свободные электроны обозначены красными шариками.

Свободные электроны свободно перемещаются по n-области. Именно они впоследствии и будут участвовать в создании тока через МДП-тназистор.
Пространство между двумя n-областями, называемое каналом покрывается диэлектриком, обычно это диоксид кремния.

Над диэлектрическим слоем располагают металлический слой. N-области и металлический слой соединяют с выводами будущего транзистора.

Выводы транзистора называются исток, затвор и сток.
Ток в МОП-транзисторе течет от истока через канал к стоку. Для управления этим током служит изолированный затвор.

Однако если подключить напряжение между истоком и стоком, при отсутствии напряжения на затворе ток через транзистор не потечет, потому что на его пути будет барьер из p-полупроводника.
Если подать на затвор положительное напряжение, относительно истока, то возникающее электрическое поле будет к области под затвором притягивать электроны и выталкивать дырки.
По достижению определенной концентрации электронов под затвором, между истоком и стоком создается тонкий n-канал, по которому потечет ток от истока к стоку.

Следует сказать, что ток через транзистор можно увеличить, если подать больший потенциал напряжения на затвор. При этом канал становиться шире, что приводит к увеличению тока между истоком и стоком.
МДП-транзистор с каналом p-типа имеет аналогичную структуру, однако подложка в таком транзисторе выполнена из полупроводника n-типа, а области истока и стока из высоколегированного полупроводника p-типа.

В таком полевом транзисторе основными носителями заряда являются положительные ионы (дырки). Для того, что бы открыть канал в полевом транзисторе с каналом p-типа необходимо на затвор подать отрицательный потенциал.

Проверка полевого MOSFET транзистора цифровым мультиметром
Для примера возьмем полевой МОП-транзистор с каналом n-типа IRF 640. Условно-графическое обозначение такого транзистора и его цоколевку вы видите на следующем рисунке.

Перед началом проверки транзистора замкните все его выводы между собой, что бы снять возможный заряд с транзистора.
Проверка встроенного диода
Для начал следует подготовить мультимер и перевести его в режим проверки диодов. Для этого переключатель режимов/пределов установите в положение с изображением диода.

В этом режиме мультиметр при подключении диода в прямом направлении (плюс прибора на анод, минус прибора на катод) показывает падение напряжения на p-n переходе диода. При включении диода в обратном направлении мультиметр показывает «1».
Итак, подключаем щупы мультиметра, как было сказано выше, в прямом включении диода. Таким образом, красный шум (+) подключаем на исток, а черный (-) на сток.

Мультиметр должен показать падение напряжение на переходе порядка 0,5-0,7.
Меняем полярность подключения встроенного диода, при этом мультиметр, при исправности диода покажет «1».

Проверка работы полевого МОП транзистора
Проверяемый нами МОП-транзистор имеет канал n-типа, поэтому, что бы канал стал электропроводен необходимо на затвор транзистора относительно истока либо стока подать положительный потенциал. При этом электроны из подложки переместятся в канал, а дырки будут вытолкнуты из канала. В результате канал между истоком и стоком станет электропроводен и через транзистор потечет ток.
Для открытия транзистора будет достаточно напряжения на щупах мультиметра в режиме прозвонки диодов.
Поэтому черный (отрицательный) щуп мультиметра подключаем на исток (или сток), а красным касаемся затвора.

Если транзистор исправен, то канал исток-сток станет электропроводным, то есть транзистор откроется.
Теперь если прозвонить канал исток-сток, то мультиметр покажет какое-то значение падение напряжения на канале, в виду того, что через транзистор потечет ток.
Таким образом черный щуп транзистора ставим на исток, а красный на сток и мультиметр покажет падение напряжение на канале.
Если поменять полярность щупов, то показания мультиметра будут примерно одинаковыми.
Что бы закрыть транзистор достаточно относительно истока на затвор подать отрицательный потенциал.
Следовательно, подключаем положительный (красный) щуп мультиметра на исток, а черным касаемся затвор.

При этом исправный транзистор закроется. И если после этого прозвонить канал исток-сток, то мультиметр покажет лишь падение напряжения на встроенном диоде.
Если транзистор управляется напряжением с мультиметра (то есть открывается и закрывается), значит можно сделать вывод, что транзистор исправен.
Проверка полевого МОП – транзистора с каналом p-типа осуществляется подобным образом. За тем исключением, что во всех пунктах проверки полярность подключения щупов меняется на противоположную.
Более подробно и просто всю методику проверки полевого транзистора я изложил в следующем видеоуроке:
ПОНРАВИЛАСЬ СТАТЬЯ? ПОДЕЛИСЬ С ДРУЗЬЯМИ В СОЦИАЛЬНЫХ СЕТЯХ!
Источник
Igbt транзисторы как проверить
Полупроводниковые элементы используются практически во всех электронных схемах. Те, кто называют их наиболее важными и самыми распространенными радиодеталями абсолютно правы. Но любые компоненты не вечны, перегрузка по напряжению и току, нарушение температурного режима и другие факторы могут вывести их из строя. Расскажем (не перегружая теорией), как проверить работоспособность различных типов транзисторов (npn, pnp, полярных и составных) пользуясь тестером или мультиметром.
С чего начать?
Прежде, чем проверить мультиметром любой элемент на исправность, будь то транзистор, тиристор, конденсатор или резистор, необходимо определить его тип и характеристики. Сделать это можно по маркировке. Узнав ее, не составит труда найти техническое описание (даташит) на тематических сайтах. С его помощью мы узнаем тип, цоколевку, основные характеристики и другую полезную информацию, включая аналоги для замены.
Например, в телевизоре перестала работать развертка. Подозрение вызывает строчный транзистор с маркировкой D2499 (кстати, довольно распространенный случай). Найдя в интернете спецификацию (ее фрагмент показан на рисунке 2), мы получаем всю необходимую для тестирования информацию.
Рисунок 2. Фрагмент спецификации на 2SD2499
Большая вероятность, что найденный даташит будет на английском, ничего страшного, технический текст легко воспринимается даже без знания языка.
Определив тип и цоколевку, выпаиваем деталь и приступаем к проверке. Ниже приведены инструкции, с помощью которых мы будем тестировать наиболее распространенные полупроводниковые элементы.
Проверка биполярного транзистора мультиметром
Это наиболее распространенный компонент, например серии КТ315, КТ361 и т.д.
С тестированием данного типа проблем не возникнет, достаточно представить pn переход в как диод. Тогда структуры pnp и npn будут иметь вид двух встречно или обратно подключенных диодов со средней точкой (см. рис.3).
Рисунок 3. «Диодные аналоги» переходов pnp и npn
Присоединяем к мультиметру щупы, черный к «СОМ» (это будет минус), а красный к гнезду «VΩmA» (плюс). Включаем тестирующее устройство, переводим его в режим прозвонки или измерения сопротивления (достаточно установить предел 2кОм), и приступаем к тестированию. Начнем с pnp проводимости:
- Присоединяем черный щуп к выводу «Б», а красный (от гнезда «VΩmA») к ножке «Э». Смотрим на показания мультиметра, он должен отобразить величину сопротивления перехода. Нормальным считается диапазон от 0,6 кОм до 1,3 кОм.
- Таким же образом проводим измерения между выводами «Б» и «К». Показания должны быть в том же диапазоне.
Если при первом и/или втором измерении мультиметр отобразит минимальное сопротивление, значит в переходе(ах) пробой и деталь требует замены.
- Меняем полярность (красный и черный щуп) местами и повторяем измерения. Если электронный компонент исправный, отобразится сопротивление, стремящееся к минимальному значению. При показании «1» (измеряемая величина превышает возможности устройства), можно констатировать внутренний обрыв в цепи, следовательно, потребуется замена радиоэлемента.
Тестирование устройства обратной проводимости производится по такому же принципу, с небольшим изменением:
- Красный щуп подключаем к ножке «Б» и проверяем сопротивление черным щупом (прикасаясь к выводам «К» и «Э», поочередно), оно должно быть минимальным.
- Меняем полярность и повторяем измерения, мультиметр покажет сопротивление в диапазоне 0,6-1,3 кОм.
Отклонения от этих значений говорят о неисправности компонента.
Проверка работоспособности полевого транзистора
Этот тип полупроводниковых элементов также называют mosfet и моп компонентами. На рисунке 4 показано графическое обозначение n- и p-канальных полевиков в принципиальных схемах.
Рис 4. Полевые транзисторы (N- и P-канальный)
Для проверки этих устройств подключаем щупы к мультиметру, таким же образом, как и при тестировании биполярных полупроводников, и устанавливаем тип тестирования «прозвонка». Далее действуем по следующему алгоритму (для n-канального элемента):
- Касаемся черным проводом ножки «с», а красным – вывода «и». Отобразится сопротивление на встроенном диоде, запоминаем показание.
- Теперь необходимо «открыть» переход (получится только частично), для этого щуп с красным проводом соединяем с выводом «з».
- Повторяем измерение, проведенное в п. 1, показание изменится в меньшую сторону, что говорит о частичном «открытии» полевика.
- Теперь необходимо «закрыть» компонент, с этой целью соединяем отрицательный щуп (провод черного цвета) с ножкой «з».
- Повторяем действия п. 1, отобразится исходное значение, следовательно, произошло «закрытие», что говорит об исправности компонента.
Для тестирования элементов p-канального типа последовательность действий остается той же, за исключением полярности щупов, ее нужно поменять на противоположную.
Заметим, что биполярные элементы, у которых изолированный затвор (IGBT), тестируются также, как описано выше. На рисунке 5 показан компонент SC12850, относящийся к этому классу.
Рис 5. IGBT транзистор SC12850
Для тестирования необходимо выполнить те же действия, что и для полевого полупроводникового элемента, с учетом, что сток и исток последнего будут соответствовать коллектору и эмиттеру.
В некоторых случаях потенциала на щупах мультиметра может быть недостаточно (например, чтобы «открыть» мощный силовой транзистор), в такой ситуации понадобится дополнительное питание (хватит 12 вольт). Подключать его нужно через сопротивление 1500-2000 Ом.
Проверка составного транзистора
Такой полупроводниковый элемент еще называют «транзистор Дарлингтона», по сути это два элемента, собранные в одном корпусе. Для примера, на рисунке 6 показан фрагмент спецификации к КТ827А, где отображена эквивалентная схема его устройства.
Рис 6. Эквивалентная схема транзистора КТ827А
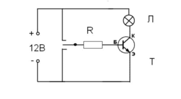
Проверить такой элемент мультиметром не получится, потребуется сделать простейший пробник, его схема показана на рисунке 7.
Рис. 7. Схема для проверки составного транзистора
Обозначение:
- Т – тестируемый элемент, в нашем случае КТ827А.
- Л – лампочка.
- R – резистор, его номинал рассчитываем по формуле h21Э*U/I, то есть, умножаем величину входящего напряжения на минимальное значение коэффициента усиления (для КТ827A – 750), полученный результат делим на ток нагрузки. Допустим, мы используем лампочку от габаритных огней автомобиля мощностью 5 Вт, ток нагрузки составит 0,42 А (5/12). Следовательно, нам понадобится резистор на 21 кОм (750*12/0,42).
Тестирование производится следующим образом:
- Подключаем к базе плюс от источника, в результате должна засветиться лампочка.
- Подаем минус – лампочка гаснет.
Такой результат говорит о работоспособности радиодетали, при других результатах потребуется замена.
Как проверить однопереходной транзистор
В качестве примера приведем КТ117, фрагмент из его спецификации показан на рисунке 8.
Рис 8. КТ117, графическое изображение и эквивалентная схема
Проверка элемента осуществляется следующим образом:
Переводим мультиметр в режим прозвонки и проверяем сопротивление между ножками «Б1» и «Б2», если оно незначительное, можно констатировать пробой.
Как проверить транзистор мультиметром, не выпаивая их схемы?
Этот вопрос довольно актуальный, особенно в тех случаях, если необходимо тестировать целостность smd элементов. К сожалению, только биполярные транзисторы можно проверить мультиметром не выпаивая из платы. Но даже в этом случае нельзя быть уверенным в результате, поскольку не редки случаи, когда p-n переход элемента зашунтирован низкоомным сопротивлением.
Принцип работы IGBT транзисторов основан на применении n-канального МОП-транзистора малой мощности для управления мощным биполярным транзистором. Таким образом, удалось совместить достоинства биполярного и полевого транзистора. Малая управляющая мощность, высокое входное сопротивление, большой уровень пробивных напряжений, малое сопротивление в открытом состоянии – позволяют применять IGBT в цепях с высокими напряжениями и большими токами.
Биполярные транзисторы с изолированным затвором (IGBT или БТИЗ) целесообразно использовать в сильноточных, высоковольтных ключевых схемах. Сварочные аппараты, источники бесперебойного питания, приводы электрических двигателей, мощные преобразователи напряжения – вот сфера применения таких элементов.
Названия выводов IGBT: затвор, эмиттер, коллектор.

Биполярные транзисторы с изолированным затвором способны коммутировать токи в тысячи ампер, напряжение эмиттер-коллектор может достигать несколько киловольт. Но частота работы этих транзисторов значительно ниже, чем частота полевых транзисторов.
Как проверить IGBT транзистор мультиметром
Проверяется IGBT FGH40N60SFD. IGBT часто пробиваются накоротко, такие неисправные транзисторы легко выявить с помощью мультиметра. Перед проверкой IGBT транзистора мультиметром, необходимо обратиться к справочным данным и выяснить назначение его выводов.

Затем произвести следующие действия:
1. Переключить мультиметр в режим «прозвонка». Произвести измерение между затвором и эмиттером для выявления возможного замыкания.

2. Произвести измерение между затвором и коллектором для выявления возможного замыкания.

3. На секунду замкнуть пинцетом или перемычкой эмиттер и затвор. После этого транзистор будет гарантированно закрыт.

4. Соединить щуп мультиметра «V/Ω» с эмиттером, щуп «СОМ» с коллектором. Мультиметр должен показать падение напряжения на внутреннем диоде.

5. Соединить щуп мультиметра «V/Ω» с коллектором, щуп «СОМ» с эмиттером. Мультиметр должен показать отсутствие замыкания и утечки.

Для более надежной проверки IGBT транзистора можно собрать следующую схему:

При замыкании контактов кнопки лампочка должна загораться, при размыкании – тухнуть.
В этом видео показано как проверить IGBT мультиметром:
Это сравнительно новый тип транзисторов, управление которых осуществляется не электрическим током, как в биполярных транзисторах, а электрическим напряжением (полем), о чём и говорит английская аббревиатура MOSFET (Metal-Oxide-Semiconductor Field Effect Transistor или в переводе металл-окисел-полупроводник полевой транзистор), в русской транскрипции этот тип обозначается как МОП (металл-окисел-полупроводник) или МДП (металл-диэлектрик-полупроводник).
Отличительной конструктивной особенностью полевых транзисторов является изолированный затвор (вывод, аналогичный базе у биполярных транзисторов), также у MOSFET имеются выводы сток и исток, аналоги коллектора и эмиттера у биполярных.
Существует и ещё более современный тип IGBT, в русской транскрипции БТИЗ (биполярный транзистор с изолированным затвором), гибридный тип, где МОП (МДП) транзистор с переходом n-типа управляет базой биполярного, и это позволяет использовать преимущества обоих типов: быстродействие, почти как у полевых, и большой электрический ток через биполярный при очень малом падении напряжения на нём при открытом затворе, при очень большом напряжении пробоя и большом входном сопротивлении.
Полевики находят широкое применение в современной жизни, а если говорить о чисто бытовом уровне, то это всевозможные блоки питания и регуляторы напряжения от компьютерного железа и всевозможных электронных гаджетов до других, более простых, бытовых приборов — стиральных, посудомоечных машин, миксеров, кофемолок, пылесосов, различных осветителей и другого вспомогательного оборудования. Само собой, что-то из всего этого разнообразия иногда выходит из строя и появляется необходимость выявления конкретной неисправности. Сама распространённость этого вида деталей ставит вопрос:
Как проверить полевой транзистор мультиметром?
Перед любой проверкой полевого транзистора нужно разобраться с назначением и маркировкой его выводов:
- G (gate) — затвор, D (drain) — сток, S (source) — исток
Если маркировки нет или она не читается, придётся найти паспорт (даташип) изделия с указанием назначения каждого вывода, причём выводов может быть не три, а больше, это значит, что выводы объединены между собой внутри.
И также нужно подготовить мультиметр: подключить красный щуп к плюсовому разъёму, соответственно, чёрный к минусу, переключить прибор в режим проверки диодов и коснуться щупами друг друга, мультиметр покажет «0» или «короткое замыкание», разведите щупы, мультиметр покажет «1» или «бесконечное сопротивление цепи» — прибор рабочий. Про исправную батарейку в мультиметре говорить излишне.
Подключение щупов мультиметра указано для проверки n-канального полевого транзистора, описание всех проверок тоже для n-канального типа, но если вдруг попадётся более редкий p-канальный полевик, щупы надо поменять местами. Понятно, что в первую очередь ставится задача оптимизации процесса проверки, чтобы пришлось как можно меньше выпаивать и паять деталей, поэтому посмотреть, как проверить транзистор, не выпаивая, можно на этом видео:
Проверка полевика, не выпаивая
Является предварительной, она может помочь определить, какую деталь нужно проверить точнее и, может быть, заменить.
При прозвонке полевого транзистора, не выпаивая, обязательно отключаем проверяемый прибор от сети и/или блока питания, вынимаем аккумуляторы или батарейки (если они есть) и приступаем к проверке.
- Чёрный щуп на D, красный на S, показание мультиметра примерно 500 мВ (милливольт) или больше — скорее исправен, показание 50 мВ вызывает подозрение, когда показание меньше 5 мВ — скорее неисправен.
- Чёрный на D, а красный на G: большая разность потенциалов (до1000 мВ и даже выше) — скорее исправен, если мультиметр показывает близко к пункту 1, то это подозрительно, маленькие цифры (50 мВ и меньше), и близко к первому пункту — скорее неисправен.
- Чёрный на S, красный на G: около 1000 мВ и выше — скорее исправен, близко к первому пункту — подозрительно, меньше 50 мВ и совпадает с предыдущими показаниями — видимо, полевой транзистор неисправен.
Проверка показала предварительно по всем трём пунктам неисправность? Нужно выпаивать деталь и приступать к следующему действию:
Проверка полевого транзистора мультиметром
Включает в себя подготовку мультиметра (смотри выше). Обязательно снятие статического напряжения с себя и накопленного заряда с полевика, иначе можно просто «убить» вполне себе исправную деталь. Статическое напряжение с себя можно снять, используя антистатический манжет, накопленный заряд снимается закорачиванием всех выводов транзистора.
Прежде всего нужно учитывать, что практически все полевые транзисторы имеют предохранительный диод между истоком и стоком, поэтому проверять начинаем именно с этих выводов.
- Красный щуп на S (исток), чёрный на D (сток): показания мультиметра в районе 500 мВ или чуть выше — исправен, чёрный щуп на S, красный на D, показания мультиметра «1» или «бесконечное сопротивление» — шунтирующий диод исправен.
- Чёрный на S, красный на G: показания мультиметра «1» или «бесконечное сопротивление», норма, заодно зарядили затвор положительным зарядом, открыли транзистор.
- Не убирая чёрного щупа, переносим красный на D, по открытому каналу течёт ток, мультиметр что-то показывает (не «0» и не «1»), меняем щупы местами: показания примерно такие же — норма.
- Красный щуп на D, чёрный на G: показания мультиметра «1» или «бесконечное сопротивление» — норма, заодно разрядили затвор, закрыли транзистор.
- Красный остаётся на D, чёрный щуп на S, показания мультиметра «1» или «бесконечное сопротивление» — исправен. Меняем щупы местами, показания мультиметра в районе 500 мВ или выше — норма.
Вывод по итогам проверки: пробоев между электродами (выводами) нет, затвор срабатывает от небольшого (меньше 5В) напряжения на щупах мультиметра, транзистор исправен.
Проверка IGBT (БТИЗ) мультиметром
Про подготовку мультиметра повторяться не будем.
IGBT транзистор имеет следующие выводы:
- G (gate) — затвор, К (C) — коллектор, Э (E) — эмиттер
Красный на G, чёрный на E: мультиметр показывает «1» или «бесконечное сопротивление» — норма. Меняем щупы местами, показания те же — норма, заодно зарядили затвор отрицательным зарядом, закрыли транзистор.- Чёрный на C, красный на E: мультиметр показывает «1» или «бесконечное сопротивление» — норма.
- Меняем щупы местами, когда есть шунтирующий диод, мультиметр покажет не«0» и не «1», а падение напряжения на диоде, если диода нет мультиметр покажет «1» или бесконечное сопротивление — норма.
Вывод: по итогам проверки это изделие исправно.
Источник
