Устройства, которые входят в схему блока питания, и поддерживают стабильное выходное напряжение, называются стабилизаторами напряжения. Эти устройства рассчитаны на фиксированные значения напряжения выхода: 5, 9 или 12 вольт. Но существуют устройства с наличием регулировки. В них можно установить желаемое напряжение в определенных доступных пределах.
Большинство стабилизаторов предназначены на определенный наибольший ток, который они выдерживают. Если превысить эту величину, то стабилизатор выйдет из строя. Инновационные стабилизаторы оснащены блокировкой по току, обеспечивающей выключение устройства при достижении наибольшего тока в нагрузке и защищены от перегрева. Вместе со стабилизаторами, которые поддерживают положительное значение напряжения, есть и устройства, действующие с отрицательным напряжением. Они применяются в двухполярных блоках питания.
Стабилизатор 7805 изготовлен в корпусе, подобном транзистору. На рисунке видны три вывода. Он рассчитан на напряжение 5 вольт и ток 1 ампер. В корпусе есть отверстие для фиксации стабилизатора к радиатору. Модель 7805 является устройством положительного напряжения.
Зеркальное отображение этого стабилизатора — это его аналог 7905, предназначенный для отрицательного напряжения. На корпусе будет положительное напряжение, на вход поступит отрицательное значение. С выхода снимается -5 В. Чтобы стабилизаторы работали в нормальном режиме, нужно подавать на вход 10 вольт.
Распиновка
Стабилизатор 7805 имеет распиновку, которая показана на рисунке. Общий вывод соединен с корпусом. Во время установки устройства это играет важную роль. Две последние цифры обозначают выдаваемое микросхемой напряжение.
Стабилизаторы для питания микросхем
Рассмотрим методы подключения к питанию цифровых приборов, сделанных самостоятельно, на микроконтроллерах. Любое электронное устройство требует для нормальной работы правильное подключение питания. Блок питания рассчитывается на определенную мощность. На его выходе устанавливается конденсатор значительной величины емкости для выравнивания импульсов напряжения.

Блоки питания без стабилизации, применяемые для роутеров, сотовых телефонов и другой техники, не сочетаются с питанием микроконтроллеров напрямую. Выходное напряжение этих блоков изменяется, и зависит от подключенной мощности. Исключением из этого правила являются зарядные блоки для смартфонов с USB портом, на котором выходит 5 В.
Схема работы стабилизатора, сочетающаяся со всеми микросхемами этого типа:

Если разобрать стабилизатор и посмотреть его внутренности, то схема выглядела бы следующим образом:

Для электронных устройств не чувствительных к точности напряжения, такой прибор подойдет. Но для точной аппаратуры нужна качественная схема. В нашем случае стабилизатор 7805 выдает напряжение в интервале 4,75-5,25 В, но нагрузка по току не должна быть больше 1 А. Нестабильное входное напряжение колеблется в интервале 7,5-20 В. При этом выходное значение будет постоянно равно 5 В. Это является достоинством стабилизаторов.
При возрастании нагрузки, которую может выдать микросхема (до 15 Вт), прибор лучше обеспечить охлаждением вентилятором с установленным радиатором.
Работоспособная схема стабилизатора:

- Наибольший ток 1,5 А.
- Интервал входного напряжения – до 40 вольт.
- Выход – 5 В.
Во избежание перегрева стабилизатора, необходимо поддерживать наименьшее входное напряжение микросхемы. В нашем случае входное напряжение 7 вольт.
Лишнюю величину мощности микросхема рассеивает на себе. Чем выше входное напряжение на микросхеме, тем выше потребляемая мощность, которая преобразуется в нагревание корпуса. В итоге микросхема перегреется и сработает защита, устройство отключится.
Стабилизатор напряжения 5 вольт
Такое устройство имеет отличие от аналогичных приборов в своей простоте и приемлемой стабилизации. В нем использована микросхема К155J1А3. Этот стабилизатор использовался для цифровых устройств.

Устройство состоит из рабочих узлов: запуска, источника образцового напряжения, схемы сравнения, усилителя тока, ключа на транзисторах, накопителя индуктивной энергии с коммутатором на диодах, фильтров входа и выхода.
После подключения питания начинает действовать узел запуска, который выполнен в виде стабилизатора напряжения. На эмиттере транзистора возникает напряжение 4 В. Диод VD3 закрыт. В итоге включается образцовое напряжение и усилитель тока.
Ключ на транзисторах закрыт. На выходе усилителя образуется импульс напряжения, который открывает ключ, пропускающий ток на накопитель энергии. В стабилизаторе включается схема отрицательной связи, устройство переходит в режим работы.
Все применяемые детали тщательно проверяются. Перед установкой на плату резистора, его значение делают равным 3,3 кОм. Стабилизатор вначале подключают на 8 вольт с нагрузкой 10 Ом, далее, при необходимости устанавливают его на 5 вольт.
Источник
L7805 схема источника тока
L7805-CV линейный стабилизатор постоянного напряжения

L7805-CV — практически для любого радиолюбителя собрать источник питания со стабилизирующим выходным напряжением на микросхеме 7805 и аналогичных из этой серии, не представляет никакой сложности. Именно об этом линейном регуляторе входного постоянного напряжения пойдет речь в данном материале.

На рисунке выше, представлена типичная схема линейного стабилизатора L7805 с положительной полярностью 5v и номинальным рабочим током 1.5А. Данные микросхемы приобрели такую известность, что за их производство взялись большинство мировых компаний. А вот на снимке ниже, представлена схема немного усовершенствованная, за счет увеличения емкости конденсаторов С1-С2.

Как правило, между радиотехниками и электронщиками этот чип называют сокращенно, не называя впереди стоящих буквенных обозначений указывающих на производителя. Ведь и так понятно для каждого, что это — стабилизатор, последняя цифра, которого указывает его напряжение на выходе.
Кто еще не сталкивался с данными электронными компонентами на практике и мало, что о них знает, то вот вам для наглядности небольшое видео по сборке схемы:
Стабилизатор напряжения 5v! На микросхеме L7805CV
Одно из важных условий — высокое качество компонентов
На самом деле при покупке комплектующих изготовитель играет значительную роль. Когда вы приобретаете любые электронные компоненты, всегда обращайте внимание на бренд детали, а также поинтересуйтесь кто их поставляет. Лично меня устраивает продукция компании «STMicroelectronics», производителя микроэлектронных компонентов.

Безымянные стабилизаторы или от мало известных фирм, как правило всегда стоят дешевле, чем аналогичные от известных брендов. Но и качество таких деталей не всегда на должном уровне, особенно сказывается в их работе существенный разброс напряжения на выходе.
Практически мне много раз попадались микросхемы L7805 выдававшие выходное напряжение в пределах 4,6v, вместо 5v, а другие из этой же серии давали наоборот больше — 5,3v. К тому же, такие образцы частенько могут создавать приличный фон и повышенное потребление мощности.
Схема источника тока выполненная на микросхемах из серии L78xx

Значение выходного тока обусловлено постоянным резистором R*, включенным параллельно с конденсатором 0,1uF, именно это сопротивление в свою очередь создает нагрузку для L7805. Причем, стабилизатор не имеет заземления. На «землю» идет только один вывод сопротивления нагрузки Rн. Принцип действия такой схемы включения обязывает L7805-CV выдавать в нагрузку определенную величину тока, посредством регулирования выходного напряжения.
Величина тока на выходе источника L78хх
Неприятный момент, который можно наблюдать в схеме, это суммирование тока покоя Id с током на выходе. Параметры тока покоя обозначены в документации на микросхему. В основном такие стабилизаторы имеют постоянную величину тока покоя, составляющую 8мА. Это значение является наименьшим током выходной цепи чипа. Следовательно, при попытке создать источник тока, у которого значение будет меньше, чем 8мА, никак не получится.
Здесь можно скачать документацию на микросхему L78xx L78_DataSheet.pdf
В лучшем случае от L7805 можно получить выходные токи в пределах от 8мА до 1А. Впрочем, при работе на токах превышающие значение 750-850 мА, категорически рекомендуем устанавливать микросхему на радиатор. Но и работать на таких токах все же не оправдано. Обозначенный в документации ток в 1А — это его максимальное значение. В фактических условиях чип наверняка выйдет из строя из-за перегрева. Поэтому, оптимальный выходной рабочий ток должен находится в пределах от 20 мА до 750 мА.

Корректность выходного тока и величина напряжения
В тоже время не постоянность тока покоя формируется как ΔId = 0.5мА. Данное значение показывает верность настройки тока в выходном тракте. Соответственно и точность установки выходного тока зависит от сопротивления нагрузки микросхемы R*. В этом случае, желательно применять прецизионные резисторы, обладающие высокой стабильностью и существенной точностью, от ±0,0005% до ±0,5%.
Оптимальное сопротивление нагрузки
Одновременно с этим нужно принять во внимание значение сопротивления нагрузки. Здесь все просто, то есть используя закон Ома можно все высчитать. Например:
Исходя их таких несложных расчетов мы выяснили, какое должно быть напряжение на нагрузке с сопротивлением 100 Ом, чтобы создать выходной ток 100 мА. Согласно эти расчетам получается, что оптимальным вариантом будет использовать микросхему 7812 либо 7815, рассчитанную на 12v и 15v в соответствии, с целью иметь запас.
Заключение
Естественно, в такой схеме источника тока присутствуют ограничительные моменты. Хотя она может быть полезна для большого количества решений, в которых высокая точность не играет особой роли. Отсутствие какой либо сложности в схеме, дает возможность изготовить источник тока практически в любых условиях, тем более комплектующие для нее приобрести не составит труда.
Источник
Характеристики стабилизатора L7805CV
Согласно техническим характеристикам микросхема L7805CV является 12 В стабилизатором. Ее можно оснастить внешними компонентами для получения регулируемых напряжений и токов. Она защищена от перегрузок и перегрева. Очень часто ее почему то путают с транзистором.
Цоколевка
Стабилизатор L7805CV изготавливается в корпусе ТО-220. Если смотреть на устройство сверху, на то место, где нанесена маркировка, первый вывод это input (вход), второй – ground (общий), третий – output (выход). По рисунку, расположенному ниже, можно ознакомиться с расположением ножек.

Характеристики
Начнём знакомство с техническими характеристиками микросхемы L7805CV с рассмотрения предельно допустимых параметров. Их знание важно при проектировании новых электронных приборов. Если их значения выйдут за пределы нормы, устройство может выйти из строя. Вот они:
- предельно допустимое напряжение на входе – 35 В;
- выходной ток – более 1,5 А;
- термическое сопротивление кристалл — окружающая среда – 50 О С/Вт;
- тепловое сопротивление кристалл — корпус 5 О С/Вт;
- рабочая температура – 0 … +150 О С;
- температура хранения — -65 …+150 О С .
Значение максимальной мощности микросхемы зависит от геометрических размеров используемого теплоотвода.
Теперь можно детально рассмотреть все остальные электрические параметры. Их значения были измерены при температуре +25 О С. Остальные условия проведения тестирования можно найти в колонке «Условия тестирования» приведённой ниже таблицы.
| Название параметра | Обозн | Условия тестирования | мин | тип | макс | Ед. изм |
| Напряжение на выходе | VO | TJ= 25°C | 4,8 | 5 | 5,2 | В |
| IO=5 мA … 1A;
Vin=8 … 20 В; |
4,65 | 5 | 5,35 | |||
| Отклонение выходного напряжения в зависимости от входного | △VO | 7 ≤ Vin ≤ 25 V
TJ= 25°C |
50 | мВ | ||
| 8 В ≤ Vin ≤ 12 В
TJ= 25°C |
25 | |||||
| Отклонение выходного напряжения в зависимости от тока нагрузки | △VO | 5,0 мA≤IO≤1,5 A
TJ= 25°C |
100 | мВ | ||
| 250мA≤IO≤750мA
TJ= 25°C |
25 | |||||
| Ток покоя | Id | TJ= 25°C | 6,0 | мА | ||
| Отклонения тока покоя | △ Id | 5 мA≤IO≤1 A | 0,5 | мА | ||
| 8 В ≤ Vin ≤ 25 В | 0,8 | |||||
| Изменение выходного напряжения | ∆VO/∆T | IO= 5 мA | 0,6 | мВт/ О С | ||
| Выходное шумовое напряжение | eN | 10Гц≤В ≤100кГц
TJ= 25°C |
40 | В | ||
| Отношение величины входного напряжения к выходному | SVR | 8 В ≤ Vin ≤ 18 В
f = 120 Гц |
68 | дБ | ||
| Падение напряжения | Vd | IO= 1 A TJ= 25°C | 2 | 2,5 | В | |
| Выходное сопротивление | RO | f = 1 кГц | 17 | мОм | ||
| Ток короткого замыкания | Isc | VI=35В, TJ= 25°C | 0,75 | 1,2 | А | |
| Пиковый ток короткого замыкания | Iscр | TJ= 25°C | 1,3 | 2,2 | 3,3 | А |
Схемы включения L7805CV
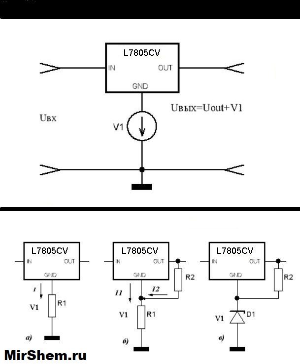
Рассмотрим схему регулировки выходного напряжения. Такие конструкции основаны на использовании простого приёма. Суть его заключается в следующем, при увеличении разности потенциалов на выводе стабилизатора GND, разность потенциалов на выходе увеличивается на ту же величину. Добиться этого можно тремя способами:
- с помощью резистора, подключено к земляному выводу, напряжение на котором создаётся током потребления стабилизатора (рисунок а);
- через резистор протекает ток потребления стабилизатора и делителя R1 и R2 (рисунок б);
- при помощи стабилитрона (рисунок в).

По этому принципу построена схема регулятора выходного напряжения, представленная на рисунке ниже. Эту схему, с небольшими переделками можно использовать, например, для корректировки разности потенциалов на нагрузке в зависимости от температуры. В зависимости от того, какого типа датчик температуры используется его можно включать вместо резистора R1 или R2.

Аналоги
Полными аналогами L7805CV является LM7805CT.
Производители
Основными производителями стабилизатора L7805CV являются компании STMicroelectronics и Inchange Semiconductor. В отечественных магазинах в большинстве случаев представлена продукция первой компании. Очень редко можно встретить изделия второй компании.
Источник
