Распиновка ISO или разводка выводов – определение каждого контакта электрического соединения в разъеме или схеме согласно соответствующей нумерации и функциональности. Акустическая система любого производителя подсоединяется к штатным ISO разъемам автомобиля. Грамотная распиновка поможет получить на выходе хороший звук и не сжечь при этом разъемы напряжением. Разобраться в проводах можно с помощью стандартных схем. Вы сможете установить любую марку автомагнитолы, не имея специализированных знаний в электрике. Работая с нестандартными коннекторами, не забывайте о безопасности. «Прозванивайте» провода, используя мультиметр.
Что такое iso
ISO – международная организация, которая занимается разработкой стандартов и нормативных документов для разных отраслей. Аббревиатура одинаково звучит на всех языках. Российский производитель, работающий в соответствии со стандартами, маркирует свою продукцию аббревиатурой «ISO» или «ИСО». Все известные разработчики автомобильных магнитол оснащают продукцию стандартными штекерами двух видов. Каждый выглядит, как восьмиконтактный прямоугольный разъем.

Распиновка стандартного евроразъема
Евроразъемом называют стандартный штекер, который используют в большинстве стран мира. При подключении оборудования можно столкнуться с запутанными в пучок нестандартными проводами. Решается эта проблема приобретением переходников и распиновкой фишек магнитолы.
Стандарты 1din и 2din

Разъемы акустических систем бывают двух видов: нестандартные от компании-производителя в основном штырькового вида и стандартизированные европейские, которые находятся сзади. Установка оборудования со специальным аудиоразъемом от производителя потребует использование специального фирменного коннектора. Если штекер ISO, то подключиться нему можно напрямую. Евроразъемы бывают двух видов 1din и 2din, разница в высоте автомагнитол. Двухблочный в два раза выше, подсоединяется не ко всем автомобилям, потому что на панели нет места под нужные размеры.
Магнитолы с европейским 1din самые распространенные.
При установке автомагнитол применяют провода с маленьким диаметром 1,5-2 мм, для силовых линий – с большим сечением. Несоблюдение этих простых правил исказит звук, выведет оборудование из строя.
| № 1 | — |
| № 2 | — |
| № 3 | — |
| № 4 | Постоянное питание |
| № 5 | Питание антенны |
| № 6 | Подсветка |
| № 7 | Зажигание |
| № 8 | Масса |
Производители в Японии, США и некоторые китайские применяют стандарт 2din.

Верхний силовой разъем А
Штекер используют для питания электричеством ресивера, антенны и усилителя, а также при необходимости управления подсветкой или при отключении сигнала звука. Применяют стандартную маркировку по цветовой гамме. Выходы 1-3 и 6 в акустике низкого и среднего ценового сегмента не используются, они предназначены для дополнительных опций продукции высокого класса.

Типы подключения
- Первый – соединение в цоколе проводов двух цветов желтого и красного, включение/выключение ресивера не зависит от зажигания. Способ не удобен тем, что предрасполагает к разрядке АКБ, если не выключить акустику;
- Второй – провод подключают через замок зажигания, желтый – к бортовому компьютеру.
Функциональное назначение выходов ресивера
| ANT | Разъем применяется, если в автомобиле имеется выдвижная антенна |
| Remote | Возможно подключение несколько динамиков |
| Illumination | Позволяет менять интенсивность свечения устройства |
| Mute | Регулировка звука |
| А4 | Включение/выключение |

Распиновка ISO-разъема магнитолы
| А 4 | Цв. желтый | Аккумулятор + Питание |
| А 5 | Цв. синий | Антенна. |
| А 6 | Цв. оранжевый | Подсветка |
| А 7 | Цв. красный | Зажигание, 12В. При отключении сброс параметров к заводским. |
| А 8 | Цв. черный | Акустика |
Нижний акустический разъем В
Применяют для подключения усилителей (2 кабеля на каждый). Звучание аппаратуры зависит от того, правильно ли подключены все разъемы. Главное – не перепутать, иначе акустика будет некачественной.

Правила подключения колонок по цветовой маркировке проводов
| Цв. белый | Левая передняя |
| Цв. серый | Правая передняя |
| Цв. зеленый | Левая задняя |
| Цв. фиолетовый | Правая задняя |
Двойной ИСО разъем

Штатные аудиосистемы некоторых автомобилей подключаются двойным штекером. Распиновка разъемов для них стандартная. Половинки контактов соединяются между собой прочной пластиковой перемычкой, фиксируются специальным зажимом. Для корректного монтажа используется направляющий паз, который исключает установку штекера в неправильном положении.
Черный присоединяет к магнитоле источник тока, коричневый – для акустики .
Переходники для iso разъемов

Срезка нестандартного штатного штекера и присоединение проводов напрямую не рекомендуется, потому что со временем соединение разболтается, может окислиться, придется спаивать не только проводку, потребуется дополнительный ремонт, замена перегоревших предохранителей. Иногда встречается акустика с тремя выходами, но она имеет стандаризированную маркировку и электросхемы, позволяющие соединить с помощью распиновки штатные кабели с устройством. Можно купить любой тип переходника для ИСО разъёмов от одной модели к другой.
Автомобиль может быть не оснащен коннекторами, тогда нужно подключать разъем магнитолы к кабелю напрямую. Это делают скручиванием, пайкой либо применяют клеммную колодку, которая не требует последующей изоляции. При скручивании и пайке используют термоусадочные трубки для безопасного использования оборудования.
Распиновка для различных марок авто и магнитол
Приступая к работе, ознакомьтесь с инструкцией к ресиверу, а также обратите внимание на маркировку и фишки самого изделия. На распиновку магнитол влияют штатные разъемы в разных автомобилях.
Схема распиновки iso разъемов к магнитолам pioneer
Подключение акустики этого хорошо известного, пользующегося популярностью у автомобилистов бренда, имеет некоторые особенности. Перед началом работы обязательно изучите руководство к установке. Монтаж прост, главное разобраться в назначении каждого цвета. Помимо инструкции в комплект входят две «фишки» с 4 парами контактов: для питания и акустики.
В распиновке штекера 10-20 выходов, функционал каждого разъема меняется зависимости от модели. Для серии KEH характерна следующая схема: № 1 — антенна, № 2 — зажигания, № 3-6 и 8-11 — усилители. Чтобы не запутаться внимательно изучите инструкцию.

Чтобы не сжечь акустику, перед подключением динамиков нужно подсоединить магнитолу, проверить, чтобы она светилась и переключалась.
toyota
Распиновку акустики этой марки осуществляют по стандартным схемам. Оптимально выбрать систему питания от АКБ, в этом случае нет риска его разрядки.

При подключении магнитолы используются стандартные схемы.
| № 1 | ANT |
| № 3 | LR. Линейный выход |
| № 4 | GND. Линейных выход |
| № 5 | RR. Линейный выход |
| № 6 | CD – LCH |
| № 7 | CD – GND |
| № 8 | CD – RCH |
| № 9 | CD – Reset |
| № 10 | CD – CD clock out |
| № 11 | CD – DSPL select |
| № 12 | CD – data out |
| № 13 | CD – clock in |
| № 14 | CD – data in |
| № 16 | A+ |
| № 17 | GND |
| № 18 | ANT GND |
| № 22-27 | Динамики (LF-, LR+, RF-, RR+, LF+, LR-, RF+, RR-) |
| № 28 | Mute |
| № 29-30 | Динамики (LF-, LR+, RF-, RR+, LF+, LR-, RF+, RR-) |
| № 31 | ANT CONT |
| № 32 | CD ACC Постоянный |
| № 33 | AMP Постоянный |
| № 34 | B UP |
nissan

| № 1-6 | Динамики (LR+, RR+, LR-, RR-, LF+, RF+) |
| № 7 | А+ |
| № 8 | Подсветка |
| № 9 | BAT+ |
| № 10 | Динами LF- |
| № 11 | динамик RF- |
| № 12 | Антенна |
| № 13 | GND |
honda
Все модели автомобильных магнитол оборудованы универсальным европейским штекером для подключения к гнезду.
| № 1 | Динамик RR+ |
| № 2 | Динамик LR+ |
| № 3 | Подсветка |
| № 4 | BAT+ |
| № 5 | A+ |
| № 6 | Антенна |
| № 7-10 | Динамики LF+, RF+, RR-, LR- |
| № 13 | GND |
| № 14-15 | Динамики LF-, RF- |
Стандартная европейская разводка выводов.
alpine

Во всех моделях используется стандартная европейская распиновка акустической системы.
| № 1-2 | Динамики RR+, LR+ |
| № 3 | Управление антенной |
| № 4 | Управление подсветкой |
| № 5-8 | Динамики LF+, RF+, RR-, LR- |
| № 10 | А+ |
| № 11 | BAT+ |
| № 12 | Управление подсветкой |
| № 13-14 | Динамики LF-, RF- |
| GND |
Видео разбор распиновки автомагнитолы
Источник
Инструкция по подключению китайской магнитолы
В самом начале нашей статьи определимся с понятием «китайские магнитолы», для того чтобы не возвращаться к нему впоследствии. Итак. На сегодняшний день вся аудио- и видеоэлектроника всеобще известных мировых брендов, предназначенная к установке в легковом и большегрузном автотранспорте, производится на вынесенных на территорию Китая производствах одноименных компаний. Таким образом, говоря Пионер, Сони и тому подобные названия, мы автоматически подразумеваем продукцию, выпущенную в КНР.
Схема
Китайские проигрыватели для легковых автомобилей
Следует отметить, что весь производственный цикл по сборке такого вида оборудования происходит в полном соответствии с требованиями компаний-правообладательниц брендов, что гарантирует высокое качество заявленной торговой маркой.

Существует ряд автомагнитол, которые позиционируются как родные, китайские товары. Но при ближайшем рассмотрении, это зачастую оказываются все те же Кенвуды, Пролоджи и так далее, в слегка видоизмененной форме. Кстати, весьма хорошего качества. По той причине, что китайские разработчики не утруждают себя техническим изменениями приборов, ограничиваясь, как мы уже сказали, изменением дизайна.
Третьим вариантом китайских проигрывателей можно назвать гаджеты непонятной марки и производства. От таких магнитол следует держаться подальше, так как, кроме неприятностей и потраченных впустую денег (несмотря на низкую цену), они вам ничего не принесут.

Резюмируя наше вступление, скажем. Большая часть присутствующего на современном рынке звуковоспроизводящего оборудования по своей природе является китайским, но разработанным и сертифицированным по общемировым стандартам известными компаниями. Соответственно процесс установки, подключения и эксплуатации этих гаджетов, а также дополнительно подключаемого оборудования единообразен (по моделям). И ничем не отличается от техники европейской (американской, японской) сборки (есть ли она вообще?).

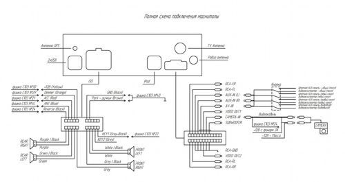
Подключение 2 din через разъем ISO
Схема подключения китайской магнитолы типоразмера 2 din подробно описана в прилагаемой к ней эксплуатационной инструкции от производителя. Для облегчения монтажных работ на задней панели проигрывателя, как правило, находится необходимая маркировка всех узлов и соединений. В основном трудности у сталкивающихся впервые с установкой штатной или нестандартной магнитолы автолюбителей вызывает правильное присоединение электропроводки авто к приемнику.

Все работы по подключению автомагнитолы производятся через разъем ISO, который состоит из двух штекерных коробок – А и В (каждая содержит восемь контактных соединений) или одной объединенной коробки, где А — штекер силовых подключений магнитолы, В — отвечает за автомобильную акустику.
Стандартная схема подключения по проводам (распиновка) выглядит следующим образом.
- Разъем А. 1, 2 и 3 контакты не задействованы.
- 4 — силовой кабель желтого цвета, идущий на аккумуляторную батарею авто;
- 5 — синий провод, усилители и внешняя антенна;
- 6 — оранжевый кабель, подсветка;
- 7 — красный — зажигание;
- 6 — черный. Масса.

- Колодка В. Здесь тоже все достаточно просто.
- 1 и 2 контакт — фиолетовый, фиолетово-черный провод. Плюс и минус правого заднего динамика (колонки);
- 3, 4. Серый. Серо-черный. Плюс-минус передней правой колонки;
- 5, 6. Белый. Бело-черный провод. Передний левый плюс-минус;
- 7 и 8. Зеленый и зелено-черный провод. Задний левый положительный и отрицательный контакт.
Подключая автомагнитолу, очень важно не перепутать контактные группы проводов. Так как именно от них зависит качество звучания вашего оборудования. А зачастую и сохранность самой аппаратуры.
Камера заднего вида
О полезности данного оборудования нет необходимости рассказывать. Камера заднего вида является неоценимым помощником для начинающих автолюбителей, которые, как правило, испытывают трудности при совершении парковочных действий.
По видам (месту и способу) установки различают несколько типов обзорных камер заднего вида:
- Камеры штатной установки. В строго определенных производителем авто местах;
- Универсальные устройства. Место расположения выбирает сам водитель;
- Проводные;
- Беспроводные камеры заднего вида.

В качестве примера используем универсальную проводную камеру и китайскую магнитолу формата 2 din.
Выбираем место установки. Рамка номера, ручка багажного отсека и т.д. В салоне, за задним стеклом камеру располагать не рекомендуется.
Осуществляем прокладку соединяющего камеру и ГО кабеля. Провод пятиметровой длины входит в комплект устройства.
Подсоединяем камеру к питанию. В роли источника выступает любой из фонарей заднего хода. Обязательно используем предохранитель в этой цепи.
Подключаем через тюльпан (разъем) камеру к проигрывателю. Для этого предназначается отдельный выход. В случае его отсутствия устройство присоединяется через вход «видео».
Производим настройку картинки и расположения камеры.
Мультируль
Под таким названием подразумевается подключение китайской магнитолы к рулю автомобиля. То есть обеспечивается возможность управления штатным проигрывателем непосредственно с рулевого колеса.
Для осуществления данного подключения понадобятся:
- Руль с встроенными управленческими кнопками или нишей для их размещения;
- Автомагнитола;

- Два переходника (адаптера) ISO;
- Переходные устройства для антенны и совмещения кнопок руля с магнитолой.
Сразу оговоримся, процесс подключения мультимедийной системы и ее адаптация с мультирулем – процесс не то чтобы сложный, но кропотливый и требующий определенных навыков. Объясняется это тем, что очень часто распиновка такого подключения у автомагнитолы и рулевого колеса не совпадают, хоть и прописаны в инструкциях. И поэтому советуем по возможности обратиться в специализированный центр, занимающийся такого рода установками.
Источник
