- автоэлектрик
- Сайт автоэлектрика. Практика ремонта, электросхемы и т.д.
- Ниссан XTrail T31 ошибка C1111
- Замена щёток мотора АБС ниссан Xtrail T31
- Системы управления тормозами ABS и EBD Nissan X-Trail / Nissan Rogue с 2007 года
- Обычно пользователи нашего сайта находят эту страницу по следующим запросам: нет тормозов Nissan Rogue , прокачка тормозов Nissan Rogue , схема тормозной системы Nissan Rogue , ремонт тормозной системы Nissan Rogue , неисправности тормозной системы Nissan Rogue , нет тормозов Nissan X-Trail , прокачка тормозов Nissan X-Trail , схема тормозной системы Nissan X-Trail , ремонт тормозной системы Nissan X-Trail , неисправности тормозной системы Nissan X-Trail
- 6. Системы управления тормозами (ABS и EBD)
- Замена датчика ABS Ниссан Икстрейл: видео
- Назначение датчика АБС и принцип работы
- Детали
- Процесс замены
- Ошибки и их устранение
- Видео
- Загораются 4WD ABS Стояночный тормоз Nissan X-Trail

Ниссан XTrail T31 ошибка C1111
На диагностике Ниссан икс треил, причина обращения — горит лампа неисправности ABS. В памяти блока ABS ошибка С1111 указывающая на электрическую неисправность насоса блока АБС или его реле. На одном известном сайте встречается процедура замены реле в каком-то блоке под капотом. Это не то. Реле насоса на этом автомобиле находится непосредственно в блоке АБС и оно представляет из себя полупроводниковый ключ.

Вот описание ошибки из руководства по ремонту.

При активной ошибке С1111 невозможно провести тест мотора АБС, оно и понятно, он же неисправен.
При обрыве мотора ошибка не стирается. Для подтверждения диагноза используем вот такой диагностический инструмент. Несколько несильных постукиваний по мотору АБС восстанавливают контакт в щёточном узле и ошибка стирается.

Теперь можно провести тест мотора АБС со сканера, мотор включается и выключается как положено. Но это конечно не ремонт, будем снимать блок АБС и менять щётки мотора.
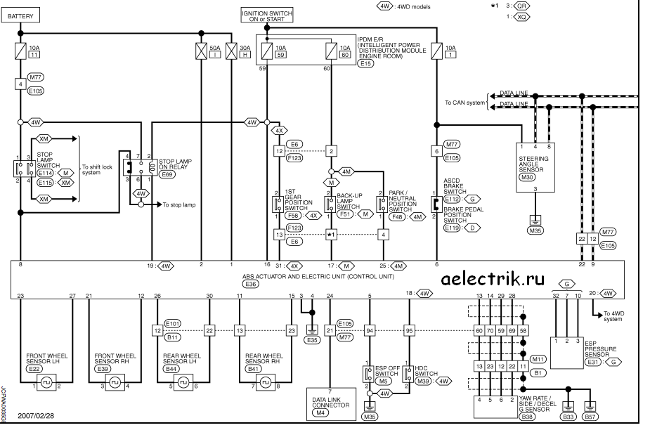
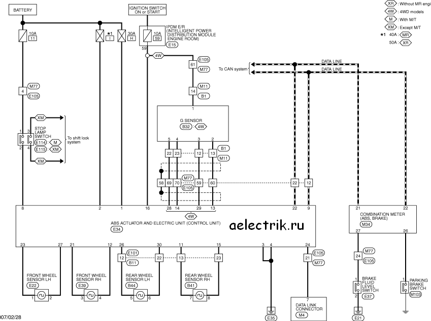
И, для тех, кто не верит в то, что реле мотора снаружи блока нет, электросхемы системы АБС и ESP.

Замена щёток мотора АБС ниссан Xtrail T31
Для ремонта снимаем блок АБС с машины

И снимаем мотор. Сразу предупреждаю что разобрать мотор и собрать блок АБС обратно будет сложно, поэтому если не уверены в своих силах лучше не пробовать.

Разбираем и видим полностью изношенные щётки

Меняем щётки, собираем блок абс и устанавливаем на машину, всё работает, ошибок нет.


Ремонтировали автомобиль в автосервисе «Пронто», город Барнаул, телефон 22-35-05 (с 9.00 до 19.00 в рабочие дни)
Источник
Системы управления тормозами ABS и EBD Nissan X-Trail / Nissan Rogue с 2007 года
Обычно пользователи нашего сайта находят эту страницу по следующим запросам:
нет тормозов Nissan Rogue , прокачка тормозов Nissan Rogue , схема тормозной системы Nissan Rogue , ремонт тормозной системы Nissan Rogue , неисправности тормозной системы Nissan Rogue , нет тормозов Nissan X-Trail , прокачка тормозов Nissan X-Trail , схема тормозной системы Nissan X-Trail , ремонт тормозной системы Nissan X-Trail , неисправности тормозной системы Nissan X-Trail
6. Системы управления тормозами (ABS и EBD)
1. Индикатор ABS. 2. Индикатор тормозной системы. 3. Гидроэлектронный блок управления. 4. Датчик частоты вращения переднего колеса. 5. Датчик ускорения. 6. Датчик частоты вращения заднего колеса (модификации 2WD). 7. Датчик частоты вращения заднего колеса (модификации 4WD).
А. Комбинация приборов. В. Моторный отсек (правая сторона). С. Поворотный кулак. D. Центральная консоль. Е. Задний мост
1. Индикатор ABS. 2. Индикатор тормозной системы. 3. Датчик ускорения (модификации AWD). 4. Гидроэлектронный блок управления. 5. Датчик частоты вращения переднего колеса. 6. Датчик частоты вращения заднего колеса (модификации 2WD). 7. Датчик частоты вращения заднего колеса (модификации AWD).
А. Комбинация приборов. В. Центральная консоль. С. Моторный отсек (правая сторона). D. Поворотный кулак. Е. Задний мост
Снятие и установка датчиков частоты вращения колес
— При снятии датчика по возможности не вращать его и не тянуть датчик за провод.
— Соблюдать осторожность, чтобы не повредить края датчика или зубьев импульсного диска. Перед снятием передней или задней колесной ступицы снять датчик частоты вращения колеса, чтобы избежать повреждений проводки датчика.
При установке датчиков затягивать болты установленным моментом затяжки.
Соблюдать следующие условия:
— Проверить внутреннюю часть установочного отверстия датчика на предмет засорения, поверхность ротора на предмет наличия железных опилок и других инородных материалов. При обнаружении каких-либо отклонений произвести чистку или заменить дефектные детали новыми.
— При установке переднего датчика, полностью втолкнуть в кронштейн стойки и корпус кронштейна резиновые прокладки пока они не зафиксируются так, чтобы провод датчика не был перекручен. Кроме того, не должно быть никаких перегибов в установленном проводе. Установить провод так, чтобы окрашенная его часть выходила наружу от автомобиля.
— При установке заднего датчика, полностью втолкнуть резиновый кронштейн кронштейна рычага подвески и зафиксировать отмеченную область бокового элемента крепления проводки так, чтобы провод датчика не был перекручен. Кроме того, не должно быть никаких перегибов в установленном проводе.
Снятие и установка гидроэлектронного блока управления
1. Гидроэлектронный блок управления. 2. Разъем. 3. Кронштейн.
А. К переднему левому тормозному суппорту. В. К заднему правому тормозному суппорту. С. К заднему левому тормозному суппорту. D. К переднему правому тормозному суппорту. Е. От первичной камеры главного тормозного цилиндра. F. От вторичной камеры главного тормозного цилиндра.
Стрелка указывает в сторону передней части автомобиля.
— Перед обслуживанием гидроэлектронного блока управления отсоединить провода от аккумуляторной батареи.
— Для снятия тормозных трубопроводов использовать накидной гаечный ключ для предотвращения повреждений соединительных гаек и тормозных трубопроводов.
— Затягивать соединительные гайки установленным моментом затяжки.
— Не подвергать гидроэлектронный блок управления ударам, в частности не ронять его.
— Не снимать и не устанавливать гидроэлектронный блок управления, удерживая его за провода.
— После завершения работы удалить воздух из тормозной системы.
— После подсоединения разъемов проводов убедиться в надежности их фиксации.
1. Снять верхнюю облицовку капота.
2. Отсоединить разъем гидроэлектронного блока управления.
3. Отвернуть соединительные гайки тормозных трубопроводов и отсоединить трубопроводы от гидроэлектронного блока управления.
4. Снять переднее левое колесо.
5. Снять задний подкрылок ниши переднего левого колеса.
6. Отвернуть болты крепления и снять гидроэлектронный блок управления с автомобиля.
7. Установка производится в порядке, обратном снятию.
— Не ронять и не бросать датчик бокового ускорения/ замедления/ рыскания, поскольку он очень чувствителен к любого рода ударам.
— Не использовать силовой привод (гайковерт), поскольку датчик очень чувствителен к любого рода ударам.
1. Снять центральную консоль в сборе.
2. Отсоединить разъем проводов датчика ускорения.
3. Отвернуть гайки крепления и снять датчик ускорения.
4. Установка производится в порядке, обратном снятию.
Источник
Замена датчика ABS Ниссан Икстрейл: видео
Перед вами сервисное руководство по замене датчика скорости системы АБС переднего колеса автомобиля Nissan X-trail, а также жгута его проводки
Антиблокировочная система (АБС) предотвращает блокировку колёс при торможении, устраняя опасность потери управления транспортным средством и сохраняя его устойчивость при движении.

За счёт своей приемлемой стоимости это оборудование массово устанавливается на современной автомобильной технике. Важную роль в работе системы играют сенсорные датчики, которые монтируются на ступицах и фиксируют скорость вращения колёс.
Назначение датчика АБС и принцип работы
Датчик АБС представляет собой один из трёх основных компонентов системы, в которую также входит модуль управления и гидравлический блок. Устройство определяет момент блокировки колеса по частоте его вращения.
При наступлении этого нежелательного события электронный модуль управления получает сигнал датчика и формирует воздействие на гидравлический блок, установленный в магистрали сразу за главным тормозным цилиндром.
Детали

- ST479101DA1A — 2 шт по 790 рублей.
- Можно поставить bosh от Кашкая цена около 800рублей. Ступицы и датчики — одинаковые
Важно!
Сопротивление на родных датчиках — 1200 Ом
Процесс замены
- Отключаем отрицательный провод аккумулятора.
- Разъедините разъем датчика скорости переднего колеса.
- Приподнимите автомобиль и установите его на предусмотренные для этого опоры.
- Снимите колесо.
- Поверните рулевое колесо таким образом, чтобы открыть доступ к датчику скорости колеса. Датчик расположен в задней части поворотного кулака около рулевой тяги.
- Снимите болт крепления и сам датчик с поворотного кулака.
- Чтобы добраться до фишки подключения, нужно снять 3 клипсы и отогнуть пластик.
Ошибки и их устранение
Обращаюсь ко всем кто хочет поменять датчик АБС.
На наших ИКСАХ очень легко сломать датчик АБС при попытке его снять (сам сломал)
- Многие когда открутят болт крепления пытаются вставить отвертку между ступицей и ушком на датчике, а затем дергают и сворачивают верхнюю часть датчика
- А нужно отверткой залезть в зазор между датчиком и кольцом АБС на приводе и от туда поддеть датчик.
- Если вы все же сломал верхнюю часть, то не выбрасывайте обе половинки датчика, грамотный электрик может его восстановить.
- Если вы выбросили датчик, то можно купить новый или попробовать подобрать датчик от других моделей, но нужно подбирать по сопротивлению и форме выходного металлического сердечника
Видео
Источник
Загораются 4WD ABS Стояночный тормоз Nissan X-Trail


ребят подскажите таже беда. утром завел загорелся 4wd, abs, ручник и не потухают. abs, полный привод, спидометр не работают. дело не в приборке т.к. стоит multitroniks он с диагностического разъема тоже скорость не видет.


Кто-нибудь знает откуда берутся данные на спидометр? датчик скорости есть или еще откуда то?

to alexzazulinski: Похоже, один из датчиков ABS в обрыве.
Проверяйте цепи всех датчиков ABS.

to alexzazulinski: Вся проблема в датчике ABS , посмотрите либо отошел либо же повредился. В любом случаи нужно его проверить так же проверить питание в нем.

Датчики проверю есть еще одна проблемма. хотел диагностировать на сто. компы не видят блок abs(4wd и двигатель видят). Диагностика 4wd пишет»ошибка CAN линии». и еще купил книгу по ремонту Написано «блок управления abs\4wd за перчаточным ящиком» залезаю под «бардачек» там блока abs нету, и еще «блок реле abs нарисован около двигателя abs» лезу под капот на двигателе abs только разъем для жгута проводов и никаких реле.

у меня недавно подобное случилось
поехал на сто подключили к компьютеру и вердикт был таков:
а то что горит ручник- это не связано с тормозами(в данной ситуации),а обращает внимание водителя ,что произошла какаято поломка

to nissanx: Спасибо за отзыв.

consult1,2,3 его не видят у офицалов был сказали, проводку пересыпать если будут, кучу бабла возьмут. я и без них могу с тестером полазить совершенно бесплатно 🙂 только пока времени нет. хотя жгут блока проверил вроде к нему питание и сигналы идут а вот на выходе can линии вообще пусто думаю его разбирать всетаки придется. и нижняя часть жгута подозрительно палеными проводами воняет но сам жгут целый. возможно какая нибудь дорожка внутри блока отгорела.

Добрый день. решился снять наконец блок abs: ну вот собственно и проблемма «на лицо»https://photo.qip.ru/users/alexzazuli. 4837/204758582https://photo.qip.ru/users/alexzazuli. 4837/204758583https://photo.qip.ru/users/alexzazuli. 4837/204758586 в общем попал на деньги еще и номер у блока почему-то редкий exist не находит part№47660EQ041 ser№6409G0244
47660EQ069 в exist’e есть а вот моего нет. кто нибудь знает где раздобыть?
