10$. Там у китайцев вариантов очень много, разного дизайна.
Такие брелки (в один уже установлено подходящее к авто лезвие, которое доп. изготавливалось у «ключников»):
Инструкция прилагается, но была ошибочка у китайцев в описании положения джамперов (пневмо/электро) из-за чего сначала блок работал плохо — закрывал и сразу открывал (для пневмо время работы реле 3 сек, а для электро — 0,5с, спасибо Saulius, который подсказал направление поиска), как переставил наоборот — все стало ОК.
На картинке указана ошибка:
Особенность моей установки, что штатная проводка не повреждается (так захотелось ), все можно при желании убрать бесследно.
«Лишние» провода с колодки сразу достал:
Можно «врезаться» в проводку водительской двери, но мне показалось удобнее подсоединить к проводке непосредственно насоса ЦЗ — там есть все нужные провода, но есть нюансы (см. ниже)
Снимаю задний диван, отсоединяю фишку с насоса ЦЗ:
1 — «красно-син» — постоянные +12в, сюда я первоначально подключил питание китайского блока. 2 — «корич» — «минус», «масса», «земля» Массу отсюда не брал, а подключил непосредственно к кузову. 3 — «син-желт» — управляющий провод с актуатора (вакуумного привода) передней пассажирской двери (с пассажирской, к слову, у меня не работает на закрытие с ключа, только на открытие, но это уже другая история) 4 — «син-зел» — управляющий провод с актуатора водительской двери — этот провод надо разрезать (я разъединил на клеммы, чтоб не портить) и подсоединить с китайского блока «оранж-чер» провод к концу, который идет в дверь, а «белый» к концу, что в насос ЦЗ.
6 — «красн» — +12 от ключа.
(В положении «двери открыты» на «сине-зел» проводе насоса ЦЗ +12в, при закрытии дверей, актуатор двери идет вниз и на «сине-зел» проводе становится «0в»)
Я как-то на разборке повырывал всякие разъемы и клеммы VAG, чтоб у меня были под руками. Теперь я их применил. Извлекал из колодок самодельным инструментом:
Изготавливается из загнутой металлической пружины от дворников, лишнее стачивается болгаркой и напильником. Края обязательно закруглить так же, сложные клеммы без этого никак не достать.
В моей колодке были более «сложные», там по 2 усика, никак вообще не мог снять, пока не изготовил и не подточил инструмент.
Потом сверху прятал под термоусадку, которая фиксирует клеммы и не позволяет вылезти.
Точно также подключался к задним фонарям (чтоб блок при нажатии брелка авто моргал всеми поворотниками).
На колодках фонарей находим «черн-бел» и «черн-зел» провода, которые подсоединяем к двум коричневым проводам китайского блока (какой к какому — не важно).
Источник
Схемы Подключения Центрального Замка К Сигнализации
Похожие статьи:.
В момент отпирания замков на нем будет положительный заряд, при запирании — отрицательный.

Рассматриваемый блок может быть внедрен не только в штатную систему с управлением по минусу либо плюсу, но и в ЦЗ с вакуумным приводом.
Подключение и проверка ЦЗ и Сигнализации в домашних условиях.
Для первого случая найти выход можно с применением контрольной лампочки.

Обозначенное на схеме сверху реле отвечает за запирание.

Подключить багажник можно при помощи дополнительного 4-контактного реле. Если лампочка пробника погасла при закрытии или открытии, а затем опять загорелась, то пробник пересаживаем на минус и тыкаемся в тот же самый провод и опять управляем центральным замком.

Подключение к центральному замку с минусовыми контактами, как не трудно догадаться, осуществляется через подвод к ним минусового напряжения. Но такой вариант мы не упоминаем.

Если сигнализация со слаботочными отрицательными выходами, то подключайтесь так же,как сказано выше, используя дополнительные реле.

Как подключить сигнализацию
Комментарии и отзывы
Замок с положительным импульсным механизмом Аналогично с первым видом центрального замка, данное устройство также управляется через два провода, только для срабатывания в данном случае потребуется подача плюса. Проще всего в таком случае подключить сигнализацию со слаботочными минусовыми выходами, так как оно проводится напрямую через соединение с управляющими проводами замка. Остальные провода подключаются для световой сигнализации, доводчиков стекол и т. Специфика данной системы состоит в том, что найденные кабели управляют приводом дверного механизма.
К37 — блок управления ЦЗ.

Изначально электронная часть блока содержалась в одном корпусе, имеющем разъемы. Какие трудности могут возникнуть и как их преодолеть Процесс подключения довольно трудоёмкий, поэтому у пользователей могут возникнуть некоторые проблемы: Проблема выбора при большом разнообразии систем охраны.

Ток потребления обычного электропривода центрального замка может в пике достигать 5А. Опрелеляют неисправность вдвоем — один будет подавать сигналы с пульта на блокировку и разблокировку ЦЗ.

Провод этот находится или у компрессора в багажнике или под задним сиденьем или отходит от кнопки управления центральным замком.

В некоторых моделях охранных комплексов в качестве выходов применяются не контактные компоненты реле, а слаботочные сигнальные каналы.

Это приводит к отпиранию замочных устройств. В автомагазинах можно подобрать провода различного диаметра, цвета и длины.
✅Как подключить ЦЗ на любой автомобиль?
Принцип работы ЦЗ
Блок центрального замка соединен со всеми датчиками и проводами, поэтому является главным элементом системы безопасности; исполнительные устройства — по своей сути это двигатель постоянного тока, который связан с редуктором. Центральным замком обычно управляют с помощью двусторонней кнопки с тремя контактами — одним общим и двумя нормально-разомкнутыми.
Важно знать следующее. Найти такие провода относительно несложно при помощи пробника лампового. Электропривод Имеется несколько различающихся по конструкции видов электроприводов с тяговым усилием 2,5 — 6 кг.

Вместо этих компонентов могут использоваться сигнальные контакты. К37 — блок управления ЦЗ. Если же напряжение будет поступать на контакты отдельно, это никак не повлияет на функционирование устройств.

Это важно — иначе можете спалить сигнализацию или, что ещё хуже, какое-нибудь оборудование в авто. Если лампочка пробника погасла при закрытии или открытии, а затем опять загорелась, то пробник пересаживаем на минус и тыкаемся в тот же самый провод и опять управляем центральным замком. Плюс на одном проводе, минус на другом — моторчик в одну сторону закрутился, и двери закрылись, поменяли полярность — моторчик в другую сторону закрутился, и двери открылись. Сечение проводника должно быть не менее 0,75 квадрата.

В таком случае для поиска проводки пользуемся тем же пробником, не отключая при этом от питания стеклоподъемник и кнопку активации центрального замка. Для систем с силовыми выходами схема выглядит следующим образом: НР релейные контакты подключаются к плюсу, НЗ контакты игнорируются, общие контакты к управляющей проводке центрального замка. Чёрный кабель сирены коммутируется на корпус или на отрицательный полюс аккумулятора; красный проводок подсоедините к положительной клемме.
Разновидности элементов ЦЗ

Общая схема подключения будет выглядеть следующим образом: общие выходы подводятся к управляющим проводам замка, НЗ-контакты и половина релейных катушек к плюсу, другая половина катушек — к основной проводке. С пассажирских актуаторов к блоку приходят два сигнальных провода бело-коричневый и коричневый. В незадействованном режиме на них небольшой положительный потенциал.
Управляющая кнопка в салоне может быть одна на двери водителя или на панели или две — на обоих передних дверцах. При установке сигнализации желательно избегать вмешательства в управляющие блоки центрального замка. Речь идет о контактах, расположенных посредине. Ток потребления обычного электропривода центрального замка может в пике достигать 5А. Рекомендации: Для самостоятельной установки больше подходят простые охранные системы с минимальным набором датчиков.
Еще статьи из рубрики Тюнинг. Принципиальная схема взята с руководства по ремонту и эксплуатации Opel Astra F. Для подключения к центральному замку нужно знать — какой именно тип центрального замка стоит на Вашем авто. На дверях машины и в крышке багажного отсека вмонтированы приводы, оснащенные выключателями, каждый на три контакта.
Установка сигнализации
Замок с положительным импульсным механизмом
Он применяется для обеспечения слаженной работы всех замочных изделий.
Особенности подключения системы к замку с переменной полярностью В этом случае автосигнализация должна подключаться прямо к силовым автомобильным проводам, которые ищутся опять же таки пробником.
В комплекте с блоком ДУ идет инструкция, позволяющая подключить систему параллельно штатному блоку ЦЗ. Садимся пробником на массу и тыкаемся в провода, выходящие из двери пробник должен быть не диодный, а именно с лампочкой, иначе минуса может не хватить для управления центральным замком. От их сигналов зависит подача света на соответствующие фонари в салоне.
После того как все материалы собраны и вся ознакомительная информация прочитана, можно начинать установку. Но при такой схеме диодные элементы должны указывать на штекер замка. Действующая схема подключения центрального замка к сигнализации в данном случае предусматривает непосредственное соединение с силовыми проводами.
Перед тем как подключить центральный замок к сигнализации, по аналогии с предыдущим типом замка, нужно врезаться в контрольный провод. Сразу хотелось бы предупредить о том, что статья не претендует на роль лучшей инструкции или способа установки. Наша задача состоит в том, чтобы найти реле основного запорного блока.
Выходы сигналки, предназначенные для ЦЗ, могут быть силовыми или сигнальными. При отпирании на управляющем проводе фиксируется положительный заряд, и лампа прибора засветится. Имеет 10 проводов разного цвета. Если лампочка пробника загорелась при закрытии или открытии, то это один из нужных нам проводов. Если сигнализация со слаботочными положительными выходами, то подключение аналогично предыдущему, только одну из сторон катушек садите не на плюс, а на минус.
Имеются в виду элементы, с помощью которых можно отпирать и закрывать замочные изделия. В случае выхода из строя активатора, вы без проблем сможете заменить его на новый.
В большинстве случаев, если удаётся разобрать блок центрального замка, находятся две точки, при подаче минуса на которые, происходит управление дверями. Эти провода применяются для соединения различных электроприборов, электроинструмента и других машин и устройств. Конструктивно он состоит из электродвигателя и металлического или пластмассового редуктора. Провода охранной системы не обязательно подключать к разъемам реле, можно подцепить их к слаботочным сигнальным выводам.
Автосигнализация с Алиэкспресс — Схема подключения, логика работы, распаковка, обзор, тест.
Источник
Схема подключения китайского центрального замка
Наличие ЦЗ в авто значительно повышает уровень комфорта. Подобной функцией комплектуется подавляющее большинство современных автомобилей. Остальным водителям остается устанавливать ЦЗ своими руками. Рассмотрим, как подключить центральный замок, а также установку простейшего дистанционного управления.
Принципиальное отличие основных видов ЦЗ
Настоятельно рекомендуем оставить решение проблем, связанных с электричеством, если вам не известен принцип работы и предназначение подключаемых элементов питания. Подключение ЦЗ не является исключением из этого правила.
Принципиально устройства автоматического отпирания/запирания замков дверей можно разделить на 2 вида:
- ЦЗ с электроприводом. В дверях устанавливаются электрические активаторы. Каждый механизм может иметь индивидуальный блок управления либо управляется единым блоком (именно такая схема применяется на бюджетных авто);
- пневматический ЦЗ. Тяга активатора перемещается за счет изменения давления воздуха внутри магистрали. На данный момент система устарела и не используется, в прошлом такие системы устанавливали Mercedes, BMW, VW, Audi. Восстанавливать такую систему либо устанавливать своими руками экономически нецелесообразно. Гораздо проще установить электрические активаторы, подключив все к блоку с функцией дистанционного управления.
Рассматривать будем центральный замок с электроприводами. Устройства такого типа делятся на 2 вида:
- с управлением плюсовым потенциалом;
- с управлением минусовым потенциалом.
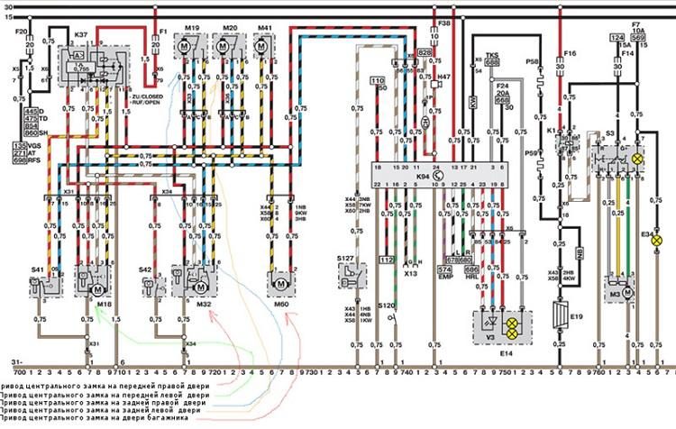
Что такое управляющий сигнал и зачем он нужен, вам станет понятно, когда мы рассмотрим принцип работы простейшего ЦЗ. В качестве примера возьмем наиболее распространенную на бюджетных авто схему с управлением по минусу. Принципиальная схема взята с руководства по ремонту и эксплуатации Opel Astra F.
Как работает простейший ЦЗ
Сразу можно увидеть, что в водительской двери установлен 5-проводной активатор. Некоторые производители авто, желая сэкономить, не устанавливают управляющий сервопривод в водительскую дверь, а только кнопку.
- S41 – концевик, расположенный у личинки замка водительской двери. При повороте ключа на отпирание либо запирания на блок ЦЗ коротко (порядка 1 сек.) подается минусовой потенциал.
- S42 – концевик пассажирской передней двери.
- M18, M19, M20, М32 – активаторы в дверях. М41 – замок запирания лючка бензобака, М60 – сервопривод багажника; Для работы сервоприводов достаточно 2 провода, которые называются силовыми. Разница потенциалов на этих проводах запускает двигатель, передвигающий тягу замка. В зависимости от того, на каком из проводов будет -, а на каком +, моторчик будет крутиться в одну либо другую сторону. Третий провод (сине-черный) необходим штатной сигнализации для контроля состояния замков.
- К37 – блок управления ЦЗ. Для работы блоку обязательно необходимы постоянный + и масса. С пассажирских актуаторов к блоку приходят два сигнальных провода (бело-коричневый и коричневый). В незадействованном режиме на них небольшой положительный потенциал. Появление на одном из проводов минуса провоцирует закрытие, на втором – открытие. Именно этот минусовой сигнал определяет – управляется ЦЗ по минусу либо по плюсу. В зависимости от того, на каком из проводов появляется -, блок подает напряжение нужной полярности на силовые провода.
Именно так работает простейший ЦЗ, который даже не реагирует на то, открыта водительская дверь либо закрыта. Простейший блок управления центральным замком работает по схеме двух 5-проводных реле. Предлагаем посмотреть видео, на котором подробно рассказан принцип работы и способ подключения двухпроводных активаторов.
Как реализовать дистанционное управление
Привлекающий своей низкой стоимостью блок ДУ с Aliexpress в последнее время завоевал большую популярность. С помощью блока такого типа вы можете подключить дистанционное управление к штатной системе либо оснастить авто ЦЗ своими руками, предварительно купив 4 двухпроводные активаторы. Разумеется, ни о какой защите автомобиля от угона речи идти не может. Столь бюджетный блок управления центральным замком может выполнять только сервисную функцию.
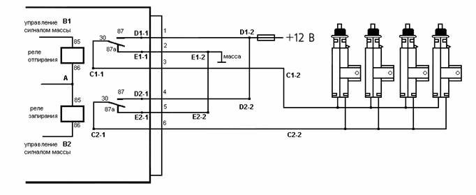
Нажатие кнопки на брелке заменяет физический поворот ключа в личинке замка для отпирания и запирания авто. Принимая сигнал, блок управления подает напряжение на силовые провода. За работоспособность блока и замков авто отвечает всего 6 проводов:
- постоянный +, защищенный предохранителем (в нашем случае — 15А);
- масса;
- 2 силовые провода, идущие на сервомоторы;
- 2 управляющие провода.
Остальные провода подключаются для световой сигнализации, доводчиков стекол и т.д.; отдельно можно запитать открытие багажника либо лючка бензобака.
Рассматриваемый блок может быть внедрен не только в штатную систему с управлением по минусу либо плюсу, но и в ЦЗ с вакуумным приводом. В комплекте с блоком ДУ идет инструкция, позволяющая подключить систему параллельно штатному блоку ЦЗ. В таком случае работоспособность заводского блока управления сохраняется.
Подключение
Схема центрального замка для подключения универсальных двухпроводных актуаторов.
Плюсовой провод можно протянуть непосредственно от АКБ, установив предохранитель на 15А как можно ближе к батарее, либо взять от защищенной цепи в блоке предохранителей. Потребление тока зависит от мощности и количества сервоприводов ЦЗ. Рекомендуем прочитать, как рассчитать номинал предохранителя. Массой может послужить любой болт, прикрученный к кузову автомобиля.
Если вы подключили провода, но при нажатии кнопки «закрыть» активаторы открывают замки, поменяйте местами силовые провода (в нашем случае – белый и бело-черный).
С блока дистанционного управления ЦЗ для отпирания/закрытия багажника выходит синий провод, на котором при нажатии клавиши появляется «минус». Подключить багажник можно при помощи дополнительного 4-контактного реле. Как подключить реле, наглядно показано на видео. При подключении коричневого провода постановка и снятие автомобиля с охраны будет сопровождаться морганием габаритов либо поворотных фонарей. Зеленый провод – управляющий сигнал для доводки стекол. После закрытия дверей авто на него порядка 30 секунд подается напряжение, что достаточно для поднятия стекол даже из полностью опущенного положения.
Внимательно отнеситесь к соединениям и изоляции проводов. Не приступайте к подключению без понимания электрической схемы и принципа работы ЦЗ на вашем автомобиле. Неправильная установка центрального замка своими руками чревата риском возгорания авто. Надеемся, предоставленные видео помогут ответить на оставшиеся вопросы по установке центрального замка с дистанционным управлением.

Покупался пульт ДУ на Aliexpress. На момент покупки стоил 580 рублей. Можно найти и дешевле.
В комплекте: два брелока, блок ДУ, комплект проводов с колодкой и мануал на английском языке:



Так как Гранта имеет свой ЦЗ, то подключаем блок ДУ по схеме «D»:

1. Прежде всего вскрываем блок управления (крышка на защёлках) и проверяем правильность установки джампера. Он должен стоять на группе контактов J1. По умолчанию у меня почему-то стоял на J2.

2. Провод антенны (красный) внутри блока ДУ никак не закреплен, только припаян. Желательно подвязать его к блоку управления чтобы не болтался. Из-за частого перегиба провод ломается в месте пайки на плате.

3. Снимаем обшивку водительской двери:
4. Извлекаем из замка колодку с черным и коричневым проводами. Чтобы снять колодку нужно потянуть красную защёлку вверх, а саму колодку в сторону. На фото жёлтым кругом обозначена красная защёлка:

5. Заранее подготовьте два провода метра по полтора (1,5 м). Такой длины будет достаточно для их прокладки вдоль двери и перехода «дверь-салон». В пустые контакты 2 и 7 на колодке засовываем зачищенные концы наших проводов (лучше заранее купить, попросить у соседа, найти на дороге, откуда-нибудь выдрать нужные клеммы и подпаять к ним провода. У меня нужных клемм под рукой, к сожалению, не оказалось по этому и сделал через задницу):

6. Зачищенные концы проводов в колодке загнул за бортики разъёма. Получилось как-то так:

7. Чтобы наши провода не елозили в колодке, изолентой приматываем их к коричневому и черному проводам. Аккуратно устанавливаем колодку обратно в разъем замка:

8. Далее прокладываем провода вдоль двери и через переход «дверь-салон», проводим их под блок предохранителей. Как протянуть провода через переход «дверь-салон» и что нужно для этого сделать:
9. У блока ДУ соединяем вместе:
а. оранжевый и оранжевый с черной полосой.
б. жёлтый и жёлтый с черной полосой.
10. Подключаем оранжевые провода к «+12», а жёлтые провода к «-12». Можно и наоборот, принципиальной разницы нет. «+» и «-» можно взять с тех же мест, куда вы подключили питание блока ДУ (красный и черный провода).
11. Белый провод от блока ДУ подключаем к проводу, подключенному ко 2-му контакту колодки замка, а белый провод с черной полосой подключаем к проводу, подключенному к контакту 7. Если подключите наоборот — пох…
12. Всё. Проверяем работу схемы.
PS: Если при нажатии на пульте на кнопку блокировки двери разблокируются, а при нажатии на кнопку разблокировки блокируются, то нужно поменять местами белый и белый с черным провода (2, 7 на 7, 2 или наоборот), либо поменять полярность у жёлтых и оранжевых проводов. Кому как будет удобнее.
На дальность не проверял.
К форточкам не подключал. Скорее всего, не буду.
Провода поворотников можно взять под пластиковым порогом со стороны водителя. Там пучок проводов идет в заднюю часть машины. 2 синих провода одинаковые по сечению (на схеме в книжке цвет другой).
Для подключения багажника нужно прикупить релюшку на 4 контакта, ибо блок выдает -12 вольт, а на замок в разрыве через кнопку +12 вольт. Не забудьте про колодку на реле (стоит копейки).


Подключение реле управления багажником:

Внимание!
За Ваши неправильные или ошибочные действия при установке ПДУ я ответственность не несу! Всё, что Вы делаете — делаете на свой страх и риск!


Приветствую заказывал для продажи у себя в магазине и решил поделиться с вами друзья. Писать кто какой спекулянт не нужно.Так как сейчас все дорого люди ищут что подешевле откроет и закроет их автомобиль. ссылка на товарочень понравилась сборка, простота подключения, все остальное рассказываю в видео. Видео рассказал в меру своих знаний.так же сделал перевод на Русский
Всем удачи, и не ленитесь делать отчеты что покупаете и делиться со всеми.












Здравствуйте. Подскажите, пожалуйста, как и куда подключить доводчики стеклоподъёмников?

зеленый провод отвечает за импульс для модуля стеклоподъемников

Почему на багажник обязательно делать реле? Почему нельзя на активатор кинуть плюс с АКБ и минус с блока?

потому что на блоке стоит слаботочное управления он просто сгорит вот и все, чтоб не сгорел ставят реле

блин почитал первые коменты и мозг взорвался, да если так разобраться в сути то ни сигналка ни иммо ни что либо другое не спасёт машину от реальных воров.К чему эти все споры?ЦЗ это реально удобная штука, на безопасность ну ни как не повлияет, опытный вор вскроет ваше корыто за пару минут, а не опытный тупо вынесет стекло и сопрёт что успеет, так что теперь решётки на окна поставить?Глюкнуть может и родная система, а вот сигналка правильно заметили, это не столько защита как способ привлечения внимания, не эффективный как показывает практика, ибо пустые срабатывания достали всех и ни кто уже не реагирует, кстати забавный факт, уже года как 3 если не больше не слышу во дворе ни одной орущей ночами машины.Наверное прошло то время когда это было модно и машина орала от каждого упавшего на неё листочка.

а какой от него прок? он не охраняет, наверняка кодграббером вскрывается. бесполезная трата денег

да как вы не поймете, что это из бюджетного сегмента, для людей которые машину закрывают ключом и там никогда никакой охраны не было и не будет, и охраняется она там или нет им до фени, она просто устали тыркаться ключом. вот для чего она

и ещё не известно, когда она глюканет или спалит замки, ибо кто и как писал ПО для неё, одному Богу и китайцу известно

На сколько криво там не написано было, будет по надежнее, чем электрик Вася, который напишет ПО.Китайцы лидеры в этой области.
Скажи мне, что сейчас не Китай?)

Я Вас умоляю, Вы видимо не работали с таким оборудованием, я работал, лучше бы наши программеры писали. Вы не знаете как работают китайские программеры?, как плохие врачи, одно лечат, другое калечат, исправили 1 ошибку, внесли новые 3
Это касается даже больших фабрик, все этим грешат.

Есть хороший продукт. Есть дешёвый, в котором все само за себя говорит как тут. за 500 руб.Есть и другие блоки за 9 тыс. Разница чувствуется? Качество тоже чувствуется.
На счет Китайских врачей ничего не могу сказать, отец посетил пару сеансов, и это здорово ему помогло, посетил наших врачей, его больше не стало.

Даже хороший продукт они могут испохабить, проверено.За 9 тысяч идёт уже сигнализация с автозапуском, нио ни как ен простой ЦЗ
Я говорил не про китайских врачей, а про хреновых врачей. Вы хоть текст то читайте внимательно. То, что отца не стало после посещения наших врачей не обязательно означает, что виноваты врачи, причина могла быть в неизлечимости болезни, как то РАК, к примеру.

Не смеши ок?Мой сосед умер от того, что врачи поставили не правильный диагноз.
После было назначено лечение разных лекарств, которые в свою очередь привели его на тот свет.
Второй случай, почти такой же. Не правильно поставив диагноз, было назначено лечение, которое привело в кому. Случилось с братом моей жены, ему было 13 лет, когда по ошибки врачей он пал в кому, и до сих пор в коме лежит, только дома, потому что врачи смыли все следы за собой.Максим Иванов, на ютубе есть видео про это, на тв об этом крутили и все ничего.
Чуть от темы ушел, скажите стоит ли ставить сигнализацию на авто? И На сколько это безопасно?

при чём тут смеши или нет, случаи бывают всякие, и врачебные ошибки в том числе
ставить стоит со сдвоенным диалогом, что бы не вскрыли кодграббером, можно даже с автозапуском, это безопасно. грамотно установленная сигнализации будет работать корректно.

Тогда у меня второй вопрос-Почему производители мерседес, форд, мазда и т.д. Не ставят сигналки с завода? Это им не по карману? Или они не умеют это делать? Или Ваш вариант?

ставят, у мерса она вообще работает по ИК порту, у остальных или сигналка или ЦЗ на 434МГц работают, в зависимости от комплектации. Могут не ставить на совсем бюджетные авто, что бы цена была ниже.
Не редко штатный иммобилайзер есть, работает на 2.4 ГГц

Когда я задал этот вопрос одному человеку, который был в Германии с Представителями авто марок мерс, бмв, ауди и не только. Все производители в один голос ответили-Это не безопасно, по этому они не ставят их.По сути сигнал ка это средство для тревоги а не защита от угона.Очень часто обращаются люди за помощью в сервис.То машина у них не заводится, то двери не закрываются, то машина сама закрывается, то радио реле на сигнал ке вышел из строя, например из «пандора» который спрятан фиг знает где.То проводка, которая вот вот сгорит. Кривые установщики?Тогда все мастера криворукие, потому что один из установщиков, он же мой конкурент, он же самый опытный установщик по сигнал кам, поставив сигнал ку правильно на машину, которая едет ко мне, что бы снять сигнал ку.Я не ставлю сигнал ки, и никому не советую их ставить, это не безопасно, как бы их правильно не ставили.Производители Старлайна и пандора вроде наши нет? Могу и ошибиться)
Мне пора, всего Вам доброго.

ага, авто само по себе не безопасно, потому не стоит их производить.а если сигналки не безопасны, зачем ставят штатные иммобилайзеры, это безопасно получается? фигни не говоритеда, часто звонят и начинают втирать, что из-за сигналки авто не заводится, после разборов, выясняется, что в 99% случаев проблема в машине, а не в сигналке или в кривой установке этой сигналки и не более тогоЕсли провода выбраны сечением меньше, чем должны пропускать по току, виноват тот, кто такие сечения выбиралУ меня на все моих авто были сигналки, на каждом откатал по 3 года, сейчас на опеле уже лет 7 никаких проблем с сигналкой никогда не было. Нам звонят люди, у которых сиги 15 лет на авто стоят, и спрашивают как батарейку пеменять ив сё, в остальное всё работает отлично. В сигналке нет опасности, опасность есть в кривой установке. если бояться сигналку, лучше авто не покупать, вдруг тормоза откажут или рулевое, это смертельно опасно. Не надо нести чушь. Не включайте дома свет, может ударить током, не ешьте еду, она может быть отравлена, не пейте воду, там микробы. не надо до абсурда доводить.старлайн и пандора делается из тех же китайских деталей на китайских платах, только старлайн вроде как они рассказывают, собирают в Питере, а пандору в Калуге, от этого и ценники порой запредельные, а детали один хрен из поднебесной, не на наших транзисторах КТ, ГТ и диодах Д они сделаноы, а на импортных процерссорах PIC, микрухах управления ULN-2003 и транзитосрах ключевых 2222 и TIP32C
всего доброго
Источник

Вам также может понравиться
