Аналогичная ситуация возникает в условиях аварийной эксплуатации блока питания, связанной с короткими замыканиями в нагрузке, контроль которых осуществляется специальной схемой контроля. Вывод 1 ИМС является входом схемы сравнения.
Сигнал проходит через резистор R23, транзистор Q 6 и операционный усилитель IC 2.

Как только вы приступите к ремонту убедитесь, что все контакты и радио компоненты визуально в порядке, силовые шнуры не повреждены, предохранитель и выключатель исправен, коротких замыканий на землю нет.
Ремонт блока питания бп atx дежурка

Также проверке должны быть подвергнуты запаянные параллельно входным электролитам варисторы и выравнивающие сопротивления; Входные электролиты обозначены красным тестирование ключевых силовых транзисторов.
Хороший результат дает шунтирование электролитов при помощи керамических конденсаторов 0,1 мкФ; Проверка выходных диодных сборок диоды шоттки при помощи мультиметра, как показывает практика, наиболее характерная для них неисправность — КЗ; Отмеченные на плате диодные сборки проверка выходных конденсаторов электролитического типа.
Резистор R67 — нагрузка делителя. Структурная схема блока питания компьютера Схема блока питания компьютера кликните для увеличения.

При этом через диод D5, подключенный к этой обмотке, заряжается конденсатор С7, и происходит намагничивание трансформатора. Проверить наличие на контакте PS-ON потенциала корпуса нуля , исправность микросхемы U4 и элементов ее обвязки.

Отсутствие вращения вентилятора. Последний отсекает пульсации и состоит из группы дросселя и конденсаторов.

Обзор и ремонт блока питания FSP ATX 350PAF
Отзывы о сервисе
Мануалы Справочник Программы Радиосамоделки Медтехника Библиотека Схема блока питания для компьютера Здесь вы можете скачать довольно приличный сборник принципиальных схем компьютерных блоков питания АТХ и уже устаревших источников АТ, узнаете как проверить компьютерный источник, получите дельные советы по его ремонту и возможные варианты модернизации в нужные радиолюбительские конструкции. Сергеев Б. Фильтр состоит из группы конденсаторов и дросселя. Этот блок из диодов, выравнивающих напряжение, и фильтра пульсаций.
В этих БП используют специальный дроссель с индуктивностью выше чем на входе. С задержкой в 0,

Конструктивные особенности Для подключения комплектующих персонального компьютера на БП предусмотрены различные разъемы. Чаще всего при поломке компьютерного блока питания, в системнике отсутствуют признаки жизни, не горит светодиодная индикация, нет звуковых сигналов, не крутятся вентиляторы.

Но если осуществлять оперативное управление этими параметрами, например с помощью контроллера с функцией стабилизатора, то показанная выше структурная схема будет вполне пригодной для использования в компьютерной техники.

Нагрузка источника питания — схема терморегулирования. Сергеев Б.

Транзисторы Q 1 и Q 2 открываются противофазно на равные временные интервалы t1 и t2 рис. В источниках питания для конструктива АТХ в дальнейшем — источник изменен разъем для подключения питания к системной плате.

При помощи мультиметра проверяем переходы база-эмиттер и база-коллектор методика такая же, как при проверке диодов. Структурная схема блока питания компьютера Схема блока питания компьютера кликните для увеличения.
Блок питания АТХ пособие по ремонту часть1
Структурная схема
Установка компьютерного блока питания в корпус системного блока Для этого засовываете его в верхнюю часть системного блока, и затем фиксируете тремя или четырьмя винтами к тыловой панели системного блока.

К ним относятся двухзвенный заградительный фильтр сетевых помех, низкочастотный высоковольтный выпрямитель с фильтром, основной и вспомогательный импульсные преобразователи, высокочастотные выпрямители, монитор выходных напряжений, элементы защиты и охлаждения. В случае их наличия заменить микросхему U4.
Мюллер С. Резисторы R2, R3 — элементы цепи разряда конденсаторов С1, С2 при выключении питания.
Положительная обратная связь обеспечивается дополнительной обмоткой, расположенной на магнитопроводе трансформатора ТЗ. Временные диаграммы коммутационных процессов переключения силовых транзисторов Q 1 и Q 2 Управление базовыми цепями транзисторов Q1 и Q 2 осуществляется через ускоряющие цепочки D 3, R 7, С9, R 5 и D 4, R 8, С10, R 6, которые форсируют прямые и обратные токи баз Q 1 и Q 2 на этапах их включения и выключения. Стабилизация этого напряжения осуществляется микросхемами U1, U2.

Как правило, их неисправность может быть обнаружена путем визуального осмотра. Уровень выходных напряжений источника устанавливается потенциометром VR 2. ККМ убирает появляющиеся погрешности мостового выпрямителя переменного тока и повышает коэффициент мощности КМ. Неисправности компьютерного блока питания и способы их диагностирования и ремонта Приступая к поиску неисправности рекомендуется ознакомится со схемой компьютерного БП.

В момент подачи питания начинает развиваться блокинг-процесс, и через рабочую обмотку трансформатора Т1 начинает протекать ток. Кучеров Д. Методика проверки инструкция После того, как блок питания снят с системного блока и разобран, в первую очередь, необходимо произвести осмотр на предмет обнаружения поврежденный элементов потемнение, изменившийся цвет, нарушение целостности. Структурная схема источника рис. В аварийном режиме функционирования увеличивается падение напряжения на резисторе R
Согласование маломощных выходных сигналов логических элементов УУ с входами силовых транзисторов выполняется усилителями импульсов УИ через трансформатор Т2, который обеспечивает гальваническую развязку. На некоторых моделях возможно встретить сразу два вентилятора. С выводов 8 и 11 микросхемы управляющие импульсы поступают в базовые цепи транзисторов Q5, Q6 каскада управления. В источнике также имеются цепи защиты от короткого замыкания в каналах выходного напряжения. Напряжение -5 В формируется с помощью диодов D27,
Питание ВПр осуществляекч от сетевого выпрями теля через резистор R 9. Возвратные диоды D 1 и D 2 ограничивают напряжения на коллекторах транзисторов Q 1 и Q 2, обеспечивая их безопасную paботу в инверсном режиме при возврате реактивной энергии, накопленной в нагрузке и трансформаторе, в систему электроснабжения через открытый транзистор.
Лабораторный БП из компьютерного блока питания ATX
Блок питания ATX-400W — принципиальная схема
Конденсаторы С1, С2 образуют фильтр низкочастотной сети.
Главным достоинством являются высокие показатели КПД усилителей мощности и широкие возможности в использовании. Такая упрощенная схема БП с использованием контроллера широтно-импульсной модуляции показана на следующем рисунке.
Диоды D13, D14 предназначены для рассеивания магнитной энергии, накопленной полуобмотками трансформатора Т2. В случае исправности элементов обвязки заменить U4. Магнитный поток, создаваемый этим током, наводит ЭДС в обмотке положительной обратной связи.
При этом в трансформаторе Т1 накапливается больше электромагнитной энергии, отдаваемой в нагрузку, вследствие чего выходное напряжение повышается до номинального значения. Структурная схема источника рис. Конструктивные особенности Для подключения комплектующих персонального компьютера на БП предусмотрены различные разъемы. Значительно реже происходит отказ вентилятора, но это также приводит к печальным последствиям: от перегрева выгорают дроссели L1, L 2.
Во вторичных обмотках блока питания компьютера, кроме диодных сборок на радиаторах задействованы дроссели. Принципиальные схемы блоков питания ATX. Особых предпочтений в порядке подключения нет, главное все сделать аккуратно и правильно.
Этой величины достаточно для запирания транзистора Q6. Резистор R47 и конденсатор С29 — элементы частотной коррекции усилителя.
Распиновка основного коннектора БП
Проверить исправность цепи стабилизации U1, U2, неисправный элемент заменяется. В отличие от линейных, импульсные блоки питания компактнее и обладают высоким КПД и меньшими тепловыми потерями. Выходной сигнал инвертора подается через токовый датчик Т4 на первичную обмотку силового трансформатора Т1. На неинвертирующий вход усилителя ошибки 1 выв. При протекании тока через первичную обмотку ТЗ происходит процесс накопления энергии трансформатором, передача этой энергии во вторичные цепи источника питания и заряд конденсаторов С1, С2.
Заметим, что у некоторых устройств цветовая маркировка может отличаться от стандартной, как правило, этим грешат неизвестные производители из поднебесной. В отличие от линейных, импульсные блоки питания компактнее и обладают высоким КПД и меньшими тепловыми потерями. С выводов 8 и 11 микросхемы управляющие импульсы поступают в базовые цепи транзисторов Q5, Q6 каскада управления. Импульсный ток, возникающий в процессе заряда конденсаторов, установленных на входе, может стать причиной пробоя диодного моста; Дисковый термистор обозначен красным тестируем диоды или диодный мост на выходном выпрямителе, в них не должно быть обрыва и КЗ. Обзор схем источников питания Главной частью структурной схемы ИП, формата ATX, является полумостовой преобразователь.
Как работает ATX
Источник
Схемотехника блоков питания: ATX-350WP4
В статье предлагается информация о схемных решениях, рекомендации по ремонту, замене деталей-аналогов блока питания ATX-350WP4. К сожалению, точного изготовителя автору установить не удалось, по-видимому, это сборка блока достаточно близкая к оригиналу предположительно Delux ATX-350WP4 (Shenzhen Delux Industry Co., Ltd), внешний вид блока показан на фото.
Общие сведения. Блок питания реализован в формате ATX12V 2.0, адаптирован под отечественного потребителя, поэтому в нем отсутствуют выключатель питания и переключатель вида переменной сети. Выходные разъемы включают:• разъем для подключения к системной плате -основной 24-контактный разъем питания;• 4-контактный разъем +12 V (Р4 connector);• разъемы питания съемных носителей;• питание жесткого диска Serial ATA. Предполагается, что основной разъем питанияможет быть легко трансформированным в 20-контактный путем отбрасывания 4-контактной группы, что делает его совместимым с материнскими платами старых форматов. Наличие 24-контактного разъема позволяет обеспечить максимальную мощность разъема с использованием стандартных терминалов в 373.2 Вт [1 ].
Эксплуатационная информация об источнике питания ATX-350WP4 приведена в табл.
| Характеристика | Параметр |
| Назначение | Внутренний блок питания для ПК |
| Формат | ATX12V 2.0 |
| Максимальная мощность | 350 Вт |
| Входная сеть -, В/А | 230/4 |
| Частота переменного тока, Гц | 50 |
| Выходные напряжения, В | +3,3;+5;+12;-12;-5;+5_SB |
| Размеры, см | 15,0×8,6×14,0 |
Структурная схема. Набор элементов структурной схемы источника питания ATX-350WP4 характерен для блоков питания импульсного типа [2]. К ним относятся двухзвенный заградительный фильтр сетевых помех, низкочастотный высоковольтный выпрямитель с фильтром, основной и вспомогательный импульсные преобразователи, высокочастотные выпрямители, монитор выходных напряжений, элементы защиты и охлаждения. Особенностью источника питания такого типа является наличие напряжения питающей сети на входном разъеме блока питания, при этом ряд элементов блока находятся под напряжением, присутствует напряжение на некоторых его выходах, в частности, на выходах +5V_SB. Структурная схема источника показана на рис.1.

Работа источника питания. Выпрямленное сетевое напряжение величиной порядка 300 В является питающим для основного и вспомогательного преобразователей. Кроме того, с выходного выпрямителя вспомогательного преобразователя подается напряжение питания на микросхему управления основным преобразователем. В выключенном состоянии (сигнал PS_On имеет высокий уровень) источника питания основной преобразователь находится в «спящем» режиме, в этом случае напряжение на его выходах измерительными приборами не регистрируются. В то же время, вспомогательный преобразователь вырабатывает напряжение питания основного преобразователя и выходное напряжение +5B_SB. Этот источник питания играет роль источника питания дежурного режима.
Включение основного преобразователя в работу происходит по принципу дистанционного включения, в соответствии с которым сигнал Ps_On становится равным нулевому потенциалу (низкий уровень напряжения) при включении компьютера. По этому сигналу монитором выходных напряжений выдается сигнал разрешения на формирование управляющих импульсов ШИМ-контроллера основного преобразователя максимальной длительности. Основной преобразователь выходит из «спящего» режима. С высокочастотных выпрямителей через соответствующие сглаживающие фильтры на выход блока питания поступают напряжения ±12 В, ±5 В и +3,3 В.
С задержкой в 0,1. 0,5 с относительно появления сигнала PS_On, но достаточной для окончания переходных процессов в основном преобразователе и формирования питающих напряжений +3,3 В. +5 В, +12 В на выходе блока питания, монитором выходных напряжений формируется сигнал RG. (питание в норме). Сигнал P.G. является информационным, свидетельствующим о нормальной работе блока питания. Он выдается на материнскую плату для начальной установки и запуска процессора. Таким образом, сигнал Ps_On управляет включением блока питания, а сигнал P.G. отвечает за запуск материнской платы, оба сигнала входят в состав 24-контактного разъема.
Основной преобразователь использует импульсный режим, управление преобразователем осуществляется от ШИМ-контроллера. Длительность открытого состояния ключей преобразователя определяет величину напряжения выходных источников, которое может быть стабилизировано в пределах допустимой нагрузки.
Состояние блока питания контролируется монитором выходных напряжений. В случае перегрузки или недозагрузки, монитором формируют сигналы, запрещающие функционирование ШИМ-контроллера основного преобразователя, переводя его в спящий режим.
Аналогичная ситуация возникает в условиях аварийной эксплуатации блока питания, связанной с короткими замыканиями в нагрузке, контроль которых осуществляется специальной схемой контроля. Для облегчения тепловых режимов в блоке питания использовано принудительное охлаждение, основанное на принципе создания отрицательного давления (выброса теплого воздуха).

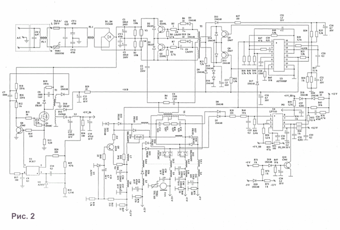
Принципиальная схема источника питания показана на рис.2.
Сетевой фильтр и низкочастотный выпрямитель используют элементы защиты от сетевых помех, пройдя которые сетевое напряжение выпрямляется схемой выпрямления мостового типа. Защита выходного напряжения от помех в сети переменного тока осуществляется с помощью пары звеньев заградительного фильтра. Первое звено выполнено на отдельной плате, элементами которой являются СХ1, FL1, второе звено составляют элементы основной платы источника питания СХ, CY1, CY2, FL1. Элементы Т, THR1 защищают источник питания от токов короткого замыкания в нагрузке и всплесков напряжения во входной сети.Мостовой выпрямитель выполнен на диодах В1-В4. Конденсаторы С1, С2 образуют фильтр низкочастотной сети. Резисторы R2, R3 — элементы цепи разряда конденсаторов С1, С2 при выключении питания. Варисторы V3, V4 ограничивают выпрямленное напряжение при бросках сетевого напряжения выше принятых пределов.
Вспомогательный преобразователь подключен непосредственно к выходу сетевого выпрямителя и схематически представляет автоколебательный блокинг-генератор. Активными элементами бло-кинг-генератора являются транзистор Q1 п-каналь-ный полевой транзистор (MOSFET) и трансформатор Т1. Начальный ток затвора транзистора Q1 создается резистором R11R12. В момент подачи питания начинает развиваться блокинг-процесс, и через рабочую обмотку трансформатора Т1 начинает протекать ток. Магнитный поток, создаваемый этим током, наводит ЭДС в обмотке положительной обратной связи. При этом через диод D5, подключенный к этой обмотке, заряжается конденсатор С7, и происходит намагничивание трансформатора. Ток намагничивания и зарядный ток конденсатора С7 приводят к уменьшению тока затвора Q1 и его последующему запиранию. Демпфирование выброса в цепи стока осуществляется элементами R19, С8, D6, надежное запирание транзистора Q1 осуществляется биполярным транзистором Q4.

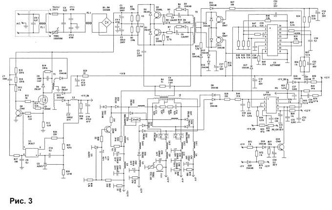
Основной преобразователь блока питания выполнен по двухтактной полумостовой схеме (рис.3). Силовая часть преобразователя транзисторная — Q2, Q3, обратно включенные диоды D1, D2 обеспечивают защиту транзисторов преобразователя от «сквозных токов». Вторая половина моста образована конденсаторами С1, С2, создающими делитель выпрямленного напряжения. В диагональ этого моста включены первичные обмотки трансформаторов Т2 и ТЗ, первый из них выпрямительный, а второй функционирует в схеме управления и защиты от «чрезмерных» токов в преобразователе. Для исключения возможности несимметричного подмагничивания трансформатора ТЗ, что может иметь место при переходных процессах в преобразователе, применяется разделительный конденсатор СЗ. Режим работы транзисторов задается элементами R5, R8, R7, R9.Управляющие импульсы на транзисторы преобразователя поступают через согласующий трансформатор Т2. Однако запуск преобразователя происходит в автоколебательном режиме, при открытом транзисторе 03 ток протекает по цепи:
+U(В1. В4) -> Q3(к-э) -> Т2 — T3 -> СЗ -> С2 -> -U(BL..B4).
В случае открытого транзистора Q2 ток протекает по цепи:
+U(B1. B4) -> С1 -> С3 -> Т3 -> Т2 -> Q2(к-э) -> -U(B1. B4).
Через переходные конденсаторы С5, С6 и ограничительные резисторы R5, R7 в базу ключевых транзисторов поступают управляющие сигналы, режекторная цепь R4C4 предотвращает проникновение импульсных помех в переменную электрическую сеть. Диод D3 и резистор R6 образуют цепь разряда конденсатора С5, a D4 и R10 -цепь разряда Сб.При протекании тока через первичную обмотку ТЗ происходит процесс накопления энергии трансформатором, передача этой энергии во вторичные цепи источника питания и заряд конденсаторов С1, С2. Установившийся режим работы преобразователя начнется после того, как суммарное напряжение на конденсаторах С1, С2 достигнет величины +310 В. При этом на микросхеме U3 (выв. 12) появится питание от источника, выполненного на элементах D9, R20, С15, С16.Управление преобразователем осуществляется каскадом, выполненным на транзисторах Q5, Q6 (рис.3). Нагрузкой каскада являются симметричные полуобмотки трансформатора Т2, в точку соединения которых поступает питающее напряжение +16 В через элементы D9, R23. Режим работы транзисторов Q5 и Q6 задается резисторами R33, R32 соответственно. Управление каскадом осуществляется импульсами микросхемы ШИМ-формирователя U3, поступающими с выводов 8 и 11 на базы транзисторов каскада. Под воздействием управляющих импульсов один из транзисторов, например Q5, открывается, а второй, Q6 соответственно, закрывается. Надежное запирание транзистора осуществляется цепочкой D15D16C17. Так, при протекании тока через открытый транзистор Q5 по цепи:
+ 16В -> D9 -> R23 -> Т2 -> Q5(к-э) -> D15, D16 -> корпус.
В эмиттере этого транзистора формируется падение напряжения +1,6 В. Этой величины достаточно для запирания транзистора Q6. Наличие конденсатора С17 способствует поддержанию запирающего потенциала во время «паузы».Диоды D13, D14 предназначены для рассеивания магнитной энергии, накопленной полуобмотками трансформатора Т2.
ШИМ-контроллер выполнен на микросхеме AZ7500BP (BCD Semiconductor), работающей в двухтактном режиме [3]. Элементами времязадающей цепи генератора являются конденсатор С28 и резистор R45. Резистор R47 и конденсатор С29 образуют цепь коррекции усилителя ошибки 1 (рис.4).

Для реализации двухтактного режима работы преобразователя вход управления выходными каскадами (выв. 13) соединен с источником эталонного напряжения (выв. 14). С выводов 8 и 11 микросхемы управляющие импульсы поступают в базовые цепи транзисторов Q5, Q6 каскада управления. Напряжение +16 В подводится на вывод питания микросхемы (выв. 12) от выпрямителя вспомогательного преобразователя.
Режим «медленного пуска» реализован с помощью усилителя ошибки 2, на неинвертирующий вход которого (выв. 16 U3) поступает напряжение питания +16 В через делитель R33R34R36R37C21, а на инвертирующий вход (выв. 15) поступает напряжение от источника опорного (выв. 14) с интегрирующего конденсатора С20 и резистора R39.На неинвертирующий вход усилителя ошибки 1 (выв. 1 U3) через сумматор R42R43R48 поступает сумма напряжений +12 В и +3,3 В. На противоположный вход усилителя (выв. 2 U3) через делитель R40R49 подается напряжение от эталонного источника микросхемы (выв. 14 U3). Резистор R47 и конденсатор С29 — элементы частотной коррекции усилителя.
Цепи стабилизации и защиты. Длительность выходных импульсов ШИМ-контроллера (выв. 8, 11 U3) в установившемся режиме определяется сигналами обратной связи и пилообразным напряжением задающего генератора. Интервал времени, в течение которого «пила» превышает напряжение обратной связи, определяет длительность выходного импульса. Рассмотрим процесс их формирования.
С выхода усилителя ошибки 1 (выв. 3 U3) информация об отклонении выходных напряжений от номинального значения в виде медленно изменяющегося напряжения поступает на формирователь ШИМ. Далее с выхода усилителя ошибки 1 напряжение поступает на один из входов широт-но-импульсного модулятора (ШИМ). На его второй вход поступает пилообразное напряжение амплитудой +3,2 В. Очевидно, что при отклонении выходных напряжения от номинальных значений, например, в сторону уменьшения будет происходить уменьшение напряжения обратной связи при той величине пилообразного напряжения, поступающее на выв. 1, что приводит к увеличению длительности циклов выходных импульсов. При этом в трансформаторе Т1 накапливается больше электромагнитной энергии, отдаваемой в нагрузку, вследствие чего выходное напряжение повышается до номинального значения.
В аварийном режиме функционирования увеличивается падение напряжения на резисторе R46. При этом увеличивается напряжение на выводе 4 микросхемы U3, а это, в свою очередь, приводит к срабатыванию компаратора «пауза» и последующему уменьшению длительности выходных импульсов и, соответственно, к ограничению протекания тока через транзисторы преобразователя, предотвращая тем самым выход Q1, Q2 из строя.
В источнике также имеются цепи защиты от короткого замыкания в каналах выходного напряжения. Датчик короткого замыкания по каналам -12 В и -5 В образован элементами R73, D29, средняя точка которых соединена с базой транзистора Q10 через резистор R72. Сюда же через резистор R71 поступает напряжение от источника +5 В. Следовательно, наличие короткого замыкания в каналах -12 В (или -5 В) приведет к отпиранию транзистора Q10 и перегрузке по выводу 6 монитора напряжений U4, а это, в свою очередь, прекратит работу преобразователя по выводу 4 преобразователя U3.
Управление, контроль и защита источника питания. Практически всем компьютерам кроме высококачественного выполнения его функций требуется легкое и быстрое включение / выключение. Задача включения / выключения источника питания решается путем реализации в современных компьютерах принципа дистанционного включения / выключения. При нажатии кнопки «I/O», расположенной на передней панели корпуса компьютера, процессорной платой формируется сигнал PS_On. Для включения источника питания сигнал PS_On должен иметь низкий потенциал, т.е. нулевой, при выключении — высокий потенциал.
В источнике питания задачи управления, контроля и защиты реализованы на микросхеме U4 монитора выходных напряжений источника питания LP7510 [4, 5]. При поступлении нулевого потенциала (сигнал PS_On) на вывод 4 микросхемы, на выводе 3 также формируется нулевой потенциал с задержкой на 2,3 мс. Этот сигнал является запускающим для источника питания. Если же сигнал PS_On высокого уровня или же цепь поступления его разорвана, то на выводе 3 микросхемы устанавливается также высокий уровень [5].
Кроме того, микросхема U4 осуществляет контроль основных выходных напряжений источника питания. Так, выходные напряжения источников питания 3,3 В и 5 В не должны выходить за установленные пределы 2,2 В Типовые неисправности Перегорание сетевого предохранителя Т или выходные напряжения отсутствуют. В этом случае необходимо проверить исправность элементов заградительного фильтра и сетевого выпрямителя (В1-В4, THR1, С1, С2, V3, V4, R2, R3), а также проверить исправность транзисторов Q2, Q3. Наиболее часто в случае выбора неправильной сети переменного тока выгорают ва-ристоры V3, V4.Проверяется также исправность элементов вспомогательного преобразователя, транзисторов Q1.Q4.Если неисправность не обнаруживается и выход и строя рассмотренных ранее элементов не подтвердился, то проверяется наличие напряжения 310 В на последовательно соединенных конденсаторах С1,C2. При его отсутствии проверяется исправность элементов сетевого выпрямителя.Напряжение+5\/_ЗВ выше или ниже нормы. Проверить исправность цепи стабилизации U1, U2, неисправный элемент заменяется. В качестве элемента замены U2 можно использовать TL431, КА431.Выходные напряжения питания выше или ниже нормы. Проверяем исправность цепи обратных связей — микросхемы U3, элементов обвязки микросхемы U3: конденсаторов С21, С22, С16. В случае исправности перечисленных выше элементов заменить U3. В качестве аналогов U3 можно использовать микросхемы TL494, КА7500В, МВ3759.Отсутствует сигнал P.G. Следует проверить наличие сигнала Ps_On, наличие питающих напряжений +12 В, +5 В, +3,3 В, +5 B_SB. В случае их наличия заменить микросхему U4. В качестве аналога LP7510 можно использовать TPS3510.Отсутствует дистанционное включение источника питания. Проверить наличие на контакте PS-ON потенциала корпуса (нуля), исправность микросхемы U4 и элементов ее обвязки. В случае исправности элементов обвязки заменить U4.
Отсутствие вращения вентилятора. Убедиться в работоспособности вентилятора, проверить элементы цепи его включения: наличие +12 В, исправность терморезистора THR2.
Д. Кучеров, Журнал Радиоаматор, №3, 5 2011г
Литература 1. Мюллер С. Модернизация и ремонт ПК / пер. с англ. — М.: ООО «И.Д. Вильяме», 2007.2. Кучеров Д.П. Современные источники питания ПК и периферии. Полное руководство (+CD) / Д.П. Кучеров, А.А. Куприянов. — СПб.: Наука и Техника, 2007.3. Даташит AZ7500BP4. Даташит LP7510
5. Даташит TPS3510
Источник

Вам также может понравиться
