Дата: 02.05.2018 // 0 Комментариев

В продолжение серии статей о переделке компьютерных блоков питания в зарядное, сегодня мы более близко познакомимся с переделкой INWIN POWER MAN IP-S350Q2-0 350 Вт в автомобильное зарядное устройство. Сам алгоритм работ, не особо отличается от блоков на основе ШИМ UC38xx, с которыми мы сталкивались ранее. Но, тут присутствуют свои некоторые нюансы.
Переделка в зарядное блока питания INWIN POWER MAN IP-S350Q2-0
Забегая наперед, можно уточнить, что некоторые модели блоков POWER MAN устроены практически идентично и сам подход может применяться как для 300Вт-ных блоков, так и для моделей в 450Вт. Практически точной копией POWER MAN IP-S350Q2-0 является блок питания Thermaltake 400PP.
INWIN POWER MAN IP-S350Q2-0 имеет на борту:
- ШИМ — UC3843;
- Держурка — DM311;
- Супервизор — WT7525 N140.
Ниже предоставлена принципиальная схема блока питания INWIN POWER MAN IP-S350Q2-0.

Для превращения в зарядку достаточно поднять напряжение питания по шине +12 В до 14,2-14,4 В. При этом зарядка АКБ будет происходить постоянным напряжением, будет меняться лишь сила тока по мере заряда АКБ. На плате предусмотрен подстроечный резистор, которым можно регулировать выходное напряжение в небольших пределах.

Диапазон регулировки составляет примерно от 11 до 13,5 В, при выходном напряжении более 13,5 В блок может остановиться т.к. супервизор WT7525 N140 отключит его.

Для возможности подстройки напряжения более 13,5 В ,необходимо удалить супервизор WT7525 N140 из платы и поставить перемычку между 2 и 3 посадочными выводами.


Проверяем работу блока. Если старта нет — удаляем с платы конденсатор С32. После старта выходное напряжение можно поднимать выше 13,5 В, но, предела регулировки недостаточно.

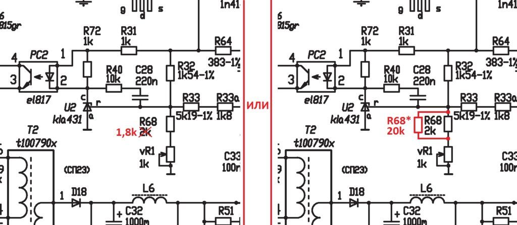
Для этого необходимо откорректировать сопротивление резистора обозначенного схеме R68, он включен последовательно с подстроечным.

Можно впаять новый 1,8 кОм вместо 2 кОм или поставить параллельно штатному резистору еще один на 20 кОм. Результат будет один и тот же. На плате, нужный резистор, отмечен синей стрелкой.

После корректировки этого резистора, предел подстройки превысит 14,4 В, можно установить нужное напряжение на выходе с помощью подстроечника и пользоваться зарядным устройством.

Важно! Блок питания без дополнительной защиты боится короткого замыкания и переполюсовки. Крайне желательно оснастить устройство вольтамперметром, защитой от переполюсовки и короткого замыкания.
Выше описанный материал по нашим наброскам изготовил и предоставил Виталий Ликин из Волгограда.
Источник
JLCPCB, всего $2 за прототип печатной платы! Цвет — любой!
Зарегистрируйтесь и получите два купона по 5$ каждый:https://jlcpcb.com/cwc
Сборка печатных плат от $30 + БЕСПЛАТНАЯ доставка по всему миру + трафарет
| Вложения: |
| Комментарий к файлу: wt751002 1133240930.pdf [159.79 KiB]
Скачиваний: 7247 |
| Комментарий к файлу: Powerman IP-S450T-0 Powerman IP-S450T-0.gif [93.2 KiB]
Скачиваний: 17630 |
Компания Компэл совместно с STMicroelectronics приглашает на вебинар о новых возможностях беспроводных МК STM32WL с радиоканалом беспрецедентной дальности. На вебинаре вы ознакомитесь с первой микросхемой STM32, которая имеет на борту радио для диапазона до 1 ГГц с максимальной разрешенной выходной мощностью. Мы расскажем о внутреннем устройстве чипа, ключевых преимуществах нового решения, как устроена система многоуровневой защиты данных, одновременном обновлении множества устройств в сети по воздуху, архитектуре STM32WL, новой периферии и режимах энергосбережения. В практической части мы покажем, как инициировать быстрый старт вашего проекта, и максимально просто запустить STM32WL в работу.
| Вернуться наверх | ||||
Карма: 134 |
|
|||
Карма: 8 |
|

