Описание ИП 212-41М Рубеж:
Извещатель пожарный ИП 212-41М применяется на таких типовых объектах: детские сады, образовательные учреждения, административные здания, медицинские учреждения, а так же торгово-развлекательные центры и другие сооружения.
Подробное описание
Принцип работы извещателя ИП 212-41М
Извещатель пожарный детектирует возникновение возгарания на ранних стадиях. При активации извещателя уменьшается его внутреннее сопротивление, а свечение индикатора становится постоянным. Передача сигнала «Пожар» и питание извещателя ИП 212-41М осуществляется по двухпроводному шлейфу сигнализации. В дежурном режиме индикатор мигает с периодичностью 1 через 5 сек.

Схема подключения извещателя ИП 212-41М по двухпроводному ШС
Пожарный извещатель ИП 212-41М включает в себя датчик и розетку. Датчик — оптико-электронная система и радиоэлементы в пластиковом корпусе. Удобство монтажа и обслуживание обеспечивается за счет разъемного соединения датчика с розеткой.

Датчик и розетка извещателя ИП 212-41М
Источник
ИП 212-41М


| Питание извещателя | от 9 до 30 В |
| Ток потребления в дежурном режиме | не более 45 мкА |
| Чувствительность извещателя соответствует задымленности окружающей среды, ослабляющей световой поток, в пределах |
от 0,05-0,2 дБ/м |
| Инерционность срабатывания | не более 9 сек |
| Сопротивление извещателя в режиме «Пожар», не более | 1 кОм |
| Частота моргания светодиодного индикатора: в дежурном режиме
в режиме «Пожар» |
1 раз в 5 сек. постоянное свечение |
| Извещатель сохраняет работоспособность при воздействии на него: воздушного потока со скоростью
фоновой освещенности |
до 10 м/с до 12000лк |
| Помехоустойчивость (по ГОСТ Р 53325): | 4 степень |
| Степень защиты оболочки извещателя | IP 30 |
| Габаритные размеры | Ø106х53 мм |
| Вес извещателя | 210 г |
| Диапазон рабочих температур | от -45 до +55 °С |
| Средний срок службы | не менее 10 лет |
Классический дымовой оптико-электронный извещатель с визуальной индикацией состояния извещателя и безвинтовыми контактами. Улучшенные потребительские свойства:
- обновленная конструкция дымовой камеры, повышающая точность срабатывания;
- широкий диапазон питающих напряжений от 9 до 30 В;
- малое токопотребление – не более 0,045 мА;
- промигивание светодиода в дежурном режиме;
- классический корпус извещателя с фирменным логотипом «Рубеж» изготовлен из материала УПМ;
- извещатель более 10 лет успешно используется монтажными и проектными организациями и является одним из наиболее известных пожарных извещателей производства ГК «Рубеж».
Извещатель предназначен для круглосуточной и непрерывной работы с приемно-контрольными приборами, обеспечивающими напряжение питания в шлейфе сигнализации в диапазоне от 9 до 30 В и воспринимающими сигнал «Пожар» в виде скачкообразного уменьшения внутреннего сопротивления извещателя в прямой полярности до величины не более 1000 Ом, таких как Гранит, Гранд Магистр, ВЭРС ПК, Сигнал-20, Сигнал-20П и др.
Извещатель выполняет следующие функции:
- измерение концентрации дыма;
- цифровая обработка по специальным алгоритмам результатов измерений и принятие решения о переходе в режим «Пожар»;
- уменьшение внутреннего сопротивления в режиме «Пожар» до величины 1 кОм;
- тестирование работоспособности извещателя с помощью специального устройства (металлического штыря) через отверстие в центре крышки извещателя;
- светодиодная индикация режимов работы.
Сигнал «Пожар» сохраняется после окончания воздействия на извещатель дыма. Сброс производится с приемно-контрольного прибора отключением питания извещателя на время не менее 2 сек.
Соединение датчика с розеткой является разъемным. Круговые контакты позволяют устанавливать извещатель, не ориентируя его относительно розетки. Розетка является унифицированной и позволяет устанавливать любой извещатель тм Рубеж без перемонтажа системы. Подключение минусового провода ШС к контактам 3 и 4, короткозамкнутым через извещатель, позволяет получить сигнал «неисправность ШС» на ППКП при изъятии извещателя с розетки.
Извещатель имеет возможность установки на подвесной потолок, используя для этого специальную розетку, совмещенную с монтажным кольцом.
Безвинтовой способ крепления проводов с помощью кнопки-зажима обеспечивает надежный контакт и простоту монтажа.
При подключении извещателя к ШС приемно-контрольного прибора, имеющего функцию определения количества сработавших извещателей (функция двойной сработки), необходимо использовать добавочный резистор Rд. Номинал добавочного резистора зависит от того, к какому приемно-контрольному прибору подключен извещатель и рассчитывается исходя из сопротивления шлейфа прибора в режимах «Пожар» и «Внимание». Вместо добавочного резистора возможно использовать устройство согласования УС-01, устанавливаемое в розетку извещателя и содержащее резистор (номинал определяется при заказе) и контактную колодку.

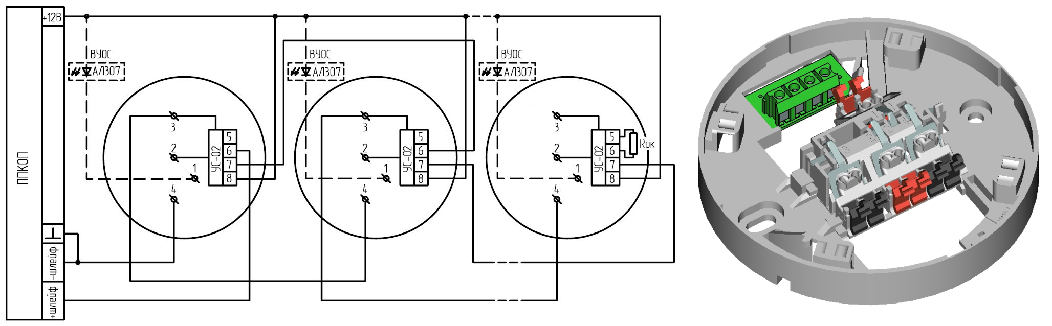
Извещатель может работать с приборами, имеющими четырехпроводную схему включения. Для этого используется устройство согласования УС-02. Оно устанавливается в корпусе штатной розетки извещателя.

Извещатель обеспечивает возможность подключения выносного устройства оптической сигнализации (ВУОС).

Если не требуется функция двойной сработки, то добавочный резистор Rд не устанавливается. При этом приемно-контрольный прибор должен иметь функцию ограничения тока в режиме «Пожар» до 20 мА во избежание выхода из строя извещателя.
Офлайн каталог продукции RUBEZH в вашем телефоне.Скачивайте мобильное приложение RUBEZH Ассистент

Источник
Подключение ИП-212-41М
Извещатель пожарный дымовой оптико-электронный ИП-212-41М с двухпроводным подключением

Производитель: Рубеж
Особенности:
- Двухпроводное подключение. Это означает, что цепи питания датчика и цепь охранного шлейфа совмещены
- Запоминает состояние тревоги до отключения питания не менее чем на 1,5сек.
Выход: Совмещен с цепью питания
Необходимые изменения в настройках блока Кситал
Для данного подключения необходимо изменить заводские значения порогов срабатывания зоны (60%-110%).
Для изменения порогов отправьте SMS-команду:
Если вы не меняли заводской пароль, то:
Схемы подключения
На рисунках приведены схемы подключения на один шлейф одного, двух и трех датчиков одновременно.
Схема подключения одного датчика ИП-212-41М на один шлейф Кситал:

Схема подключения двух датчиков ИП-212-41М на один шлейф Кситал:

Схема подключения трех датчиков ИП-212-41М на один шлейф Кситал:
Источник
ИП 212-41М


| Питание извещателя | от 9 до 30 В |
| Ток потребления в дежурном режиме | не более 45 мкА |
| Чувствительность извещателя соответствует задымленности окружающей среды, ослабляющей световой поток, в пределах |
от 0,05-0,2 дБ/м |
| Инерционность срабатывания | не более 9 сек |
| Сопротивление извещателя в режиме «Пожар», не более | 1 кОм |
| Частота моргания светодиодного индикатора: в дежурном режиме
в режиме «Пожар» |
1 раз в 5 сек. постоянное свечение |
| Извещатель сохраняет работоспособность при воздействии на него: воздушного потока со скоростью
фоновой освещенности |
до 10 м/с до 12000лк |
| Помехоустойчивость (по ГОСТ Р 53325): | 4 степень |
| Степень защиты оболочки извещателя | IP 30 |
| Габаритные размеры | Ø106х53 мм |
| Вес извещателя | 210 г |
| Диапазон рабочих температур | от -45 до +55 °С |
| Средний срок службы | не менее 10 лет |
Классический дымовой оптико-электронный извещатель с визуальной индикацией состояния извещателя и безвинтовыми контактами. Улучшенные потребительские свойства:
- обновленная конструкция дымовой камеры, повышающая точность срабатывания;
- широкий диапазон питающих напряжений от 9 до 30 В;
- малое токопотребление – не более 0,045 мА;
- промигивание светодиода в дежурном режиме;
- классический корпус извещателя с фирменным логотипом «Рубеж» изготовлен из материала УПМ;
- извещатель более 10 лет успешно используется монтажными и проектными организациями и является одним из наиболее известных пожарных извещателей производства ГК «Рубеж».
Извещатель предназначен для круглосуточной и непрерывной работы с приемно-контрольными приборами, обеспечивающими напряжение питания в шлейфе сигнализации в диапазоне от 9 до 30 В и воспринимающими сигнал «Пожар» в виде скачкообразного уменьшения внутреннего сопротивления извещателя в прямой полярности до величины не более 1000 Ом, таких как Гранит, Гранд Магистр, ВЭРС ПК, Сигнал-20, Сигнал-20П и др.
Извещатель выполняет следующие функции:
- измерение концентрации дыма;
- цифровая обработка по специальным алгоритмам результатов измерений и принятие решения о переходе в режим «Пожар»;
- уменьшение внутреннего сопротивления в режиме «Пожар» до величины 1 кОм;
- тестирование работоспособности извещателя с помощью специального устройства (металлического штыря) через отверстие в центре крышки извещателя;
- светодиодная индикация режимов работы.
Сигнал «Пожар» сохраняется после окончания воздействия на извещатель дыма. Сброс производится с приемно-контрольного прибора отключением питания извещателя на время не менее 2 сек.
Соединение датчика с розеткой является разъемным. Круговые контакты позволяют устанавливать извещатель, не ориентируя его относительно розетки. Розетка является унифицированной и позволяет устанавливать любой извещатель тм Рубеж без перемонтажа системы. Подключение минусового провода ШС к контактам 3 и 4, короткозамкнутым через извещатель, позволяет получить сигнал «неисправность ШС» на ППКП при изъятии извещателя с розетки.
Извещатель имеет возможность установки на подвесной потолок, используя для этого специальную розетку, совмещенную с монтажным кольцом.
Безвинтовой способ крепления проводов с помощью кнопки-зажима обеспечивает надежный контакт и простоту монтажа.
При подключении извещателя к ШС приемно-контрольного прибора, имеющего функцию определения количества сработавших извещателей (функция двойной сработки), необходимо использовать добавочный резистор Rд. Номинал добавочного резистора зависит от того, к какому приемно-контрольному прибору подключен извещатель и рассчитывается исходя из сопротивления шлейфа прибора в режимах «Пожар» и «Внимание». Вместо добавочного резистора возможно использовать устройство согласования УС-01, устанавливаемое в розетку извещателя и содержащее резистор (номинал определяется при заказе) и контактную колодку.

Извещатель может работать с приборами, имеющими четырехпроводную схему включения. Для этого используется устройство согласования УС-02. Оно устанавливается в корпусе штатной розетки извещателя.

Извещатель обеспечивает возможность подключения выносного устройства оптической сигнализации (ВУОС).

Если не требуется функция двойной сработки, то добавочный резистор Rд не устанавливается. При этом приемно-контрольный прибор должен иметь функцию ограничения тока в режиме «Пожар» до 20 мА во избежание выхода из строя извещателя.
Офлайн каталог продукции RUBEZH в вашем телефоне.Скачивайте мобильное приложение RUBEZH Ассистент

Источник
Извещатель ИП 212-41М — датчик с оптической индикационной системой

Оптико-электронное устройство пожарный извещатель ИП 212-41М «Рубеж» разработан с целью предотвращения ситуаций связанных с возгоранием и последующим минимальным задымлением в помещениях, где отсутствует сквозная вентиляция. Данный прибор не чувствителен к температурным колебаниям, открытому пламени, изменению режима освещения и влажности. Запитывание извещателя, как и поступление пожарного сигнала, происходит посредством проводного шлейфа, в результате чего происходит включение индикационной лампочки. Устройство оборудовано оптической индикационной системой, предусматривающей дополнительное подсоединение сигнализации выносного характера.
Как работает прибор?
Работа устройства заключается в осуществлении контроля оптической плотности пространства вокруг себя. Он производит фиксацию изменений происходящих в инфракрасных лучах, отражающихся от частичек входящих в состав дыма.
Основные преимущества дымового пожарного извещателя «Рубеж» ИП 212-41М
Извещатель обладает некоторыми полезными свойствами:
- высокая степень надежности, обусловленная применением качественных комплектующих импортного производства;
- обладает четырехпроводной базой или согласующими устройствами УС-1, УС-2;
- может прикрепляться и успешно использоваться на подвесных потолочных конструкциях;
- предполагается использование прибора для защиты срытого пространства между базовыми и подвесными потолками;
- способен выполнять свои функции в условиях повышенной влажности, в подземных проходках, туннелях для кабелей на энергопроизводственных объектах.
Технические параметры устройства

Ознакомимся детальнее с техническими показателями датчика ИП 212-41М:
- Показатель чувствительности прибора соответствует степени задымления пространства, понижающей интенсивность потока света в рамках 0,05¸0,2 дБ/м.
- Устройство срабатывает не более, чем через 5 сек. после появления дыма.
- Электропитание дымового пожарного извещателя ИП 212-41М рекомендуется выполнять с напряжением 9-30 В, с вероятной переполюсовкой запитывающего напряжения продолжительностью максимум 100 мс и периодичностью повторов не меньше чем 0,7 сек.
- Есть оптический срабатывающий индикатор, который встроен в прибор извещения. Это позволяет использовать дополнительно оптический сигнализатор выносного типа.
- Электросигнал срабатывает на выходе устройства образуется путем снижения скачками внутреннего сопротивления до показателя, не превышающего 500 Ом, при величине тока 20 мА.
- Пожарный сигнал не прекращается даже когда воздействие на устройство дыма заканчивается. Прекращение сигнала происходит путем прерывания питания устройства извещения на 1,5 и более секунд на приборе контрольного приема.
- Показатель сопротивления между третьим и четвертым контактом не превышает 2 Ом.
- Устройства согласования запитываются напряжением в 9-15 В.
- Показатель верхнего допустимого значения коммутирующего тока УС-2 не должен превышать 50 мА.
- Производительность устройства сохраняется даже при влиянии потока воздуха скоростью 9-10 м/с и при фоновом показателе естественной либо искусственной освещенности около 12 тыс. лк.
- Габариты извещателя ИП 212-41М не превышают 10,5 см х 6 см.
- Масса устройства вместе с розеткой в пределах 210 г.
- Оптимальный срок работы датчика ИП 212-41М 9-10 лет.
- Корпус изделия имеет белый цвет, однако по заявке заказчика возможны и другие варианты цветов.
- Питающее напряжение около 12 В при потребляемом токе не выше 50 мкА.
- Отказ устройства возможен при работе в течение 60 тыс. часов и более.
Стоимость изделия
Стоимость изделия при покупке оптом снижается примерно на 10% и составляет около 160 руб. за штуку. Приобретая извещатель в розницу можно отыскать этот товар стоимостью не дороже 170-180 руб.
Видео про пожарный извещатель
Источник

Вам также может понравиться
