![]()
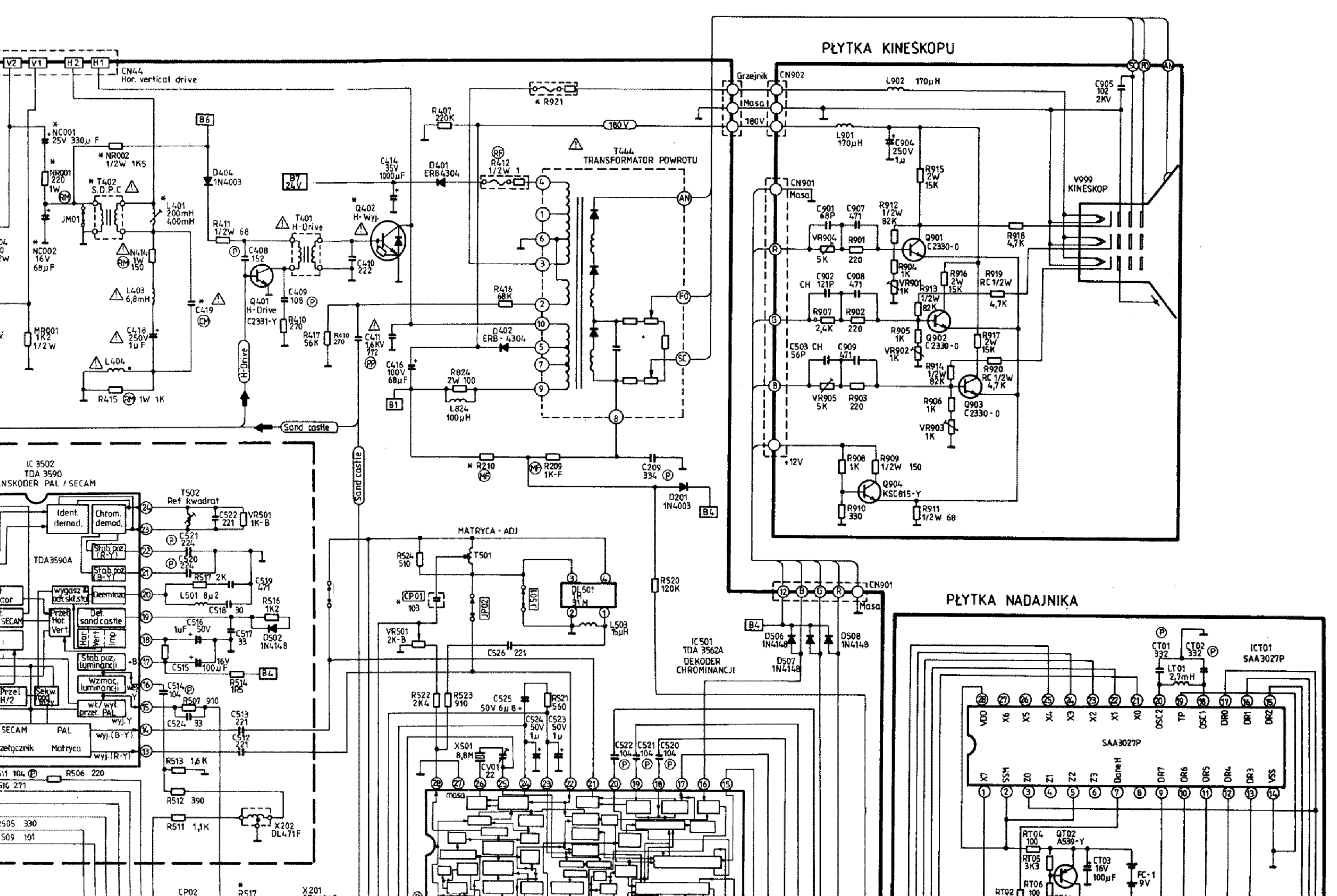
SAMSUNG 5339ZR шасси АА41-10657 А Не запускается строчник ,аппарат в дежурном режиме , причина — 180в вместо 125в на ТДКС , после замены в БП SMR 40200 & HIS0169 (сладкая парочка) и доработки резистором 130ом между 3 выводом HIS0169 и выводом L 803 эффекта не дало. В чем причина и что надо заменить чтобы 180в упало до 125в.
Любая помощь будет с благодарностью принята.


причина — 180в вместо 125в
А защита, dz801? И С852 не глядя и С803 1500пф.
Будем ремонтировать или пусть работает?
«Человеку нельзя помочь помимо его воли.» Г. Померанц
![]()
zzprint первое «сладкая парочка» «левые» или фирма? Второе проверь пайку трёхногого дросселя в первичке ИП. Третья сам ставлю не R2K а R2KN. Четвёртое уточни шасси и исправь в заголовке. Название шасси-район ТДКС со стороны печатки. Пятое мелкий лит в первичке.


Точно! 22*50 или47*50. Упустил. А сколько в РР?
Будем ремонтировать или пусть работает?
«Человеку нельзя помочь помимо его воли.» Г. Померанц


Если +В 180 В, скорее всего R2К ктото изъял и убита цепь по +15 В или предвыходной каскад строки. Нужно нагрузить БП лампой и тогда мерять +В.


доработки резистором 130ом между 3 выводом HIS0169и выводом L 803 эффекта не дало.
И не даст ::yaz-yk: (300-360 Ом надо
)
Третья сам ставлю не R2K а R2KN
Если честно, особо не заморачивался в разнице (хотя изучал даташиты на них, но в наличии были только R2KN), главное не «М» ставить :smu:sche_nie:
Нужно нагрузить БП лампой и тогда мерять +В
просто добавлю, что вышка идёт только в ДР, а не в РР, так что, zzprint, не ошибись, когда мерять будешь :ni_zia:

Неисправен дроссель (черного цвета), подключенный между ножками 3 и 4 HIS-0169. Его следует заменить самодельным: на ферритовом кольце диам.10 (1000-2000 нм) намотать 40 витков провода ПЭЛ диам. 0,4(0,3 — 0,5) мм. Напряжение в дежурке станет в районе 138 — 142 Вольт, что и выдаёт БП на рабочих телевизорах в дежурном режиме. Ну и замени электролит 22 мкФ\50В в первичной цепи.
![]()
Всем спасибо!
Буду разбираться, о результатах сообщу.
Источник

Мои познания в ремонте данного вида техники: Любитель (делаю только для себя)
Наличие схемы: схему прилагаю в архиве
Состав аппарата.Main — AA41-10657AMicom — даташит на SAA5290ZP/059 SPM-161RVC / SAA5290ZP/043 SPM-161RVB / SZM-137M3Memory — AT24C04SMPS — SMR40200C & HIS0169CTR Chopper — AA26-20003YSAW — K2953M & G3956MSecam — TDA8395PDelay — даташит на TDA4665Video — M52777SP BVertical — даташит на TDA8356Sound — даташит на TDA7057AQSIF — даташит на TDA4445BTuner — TECC0985VD28ATube — A51EER131XFBT — FSV-20A001 (HR7898)HOT — KSD5072RGB Amp. — даташит на TDA6103QПульт: — AA59-10076PIC remote — KS51810-79
ON/OFF — 125V / 138V
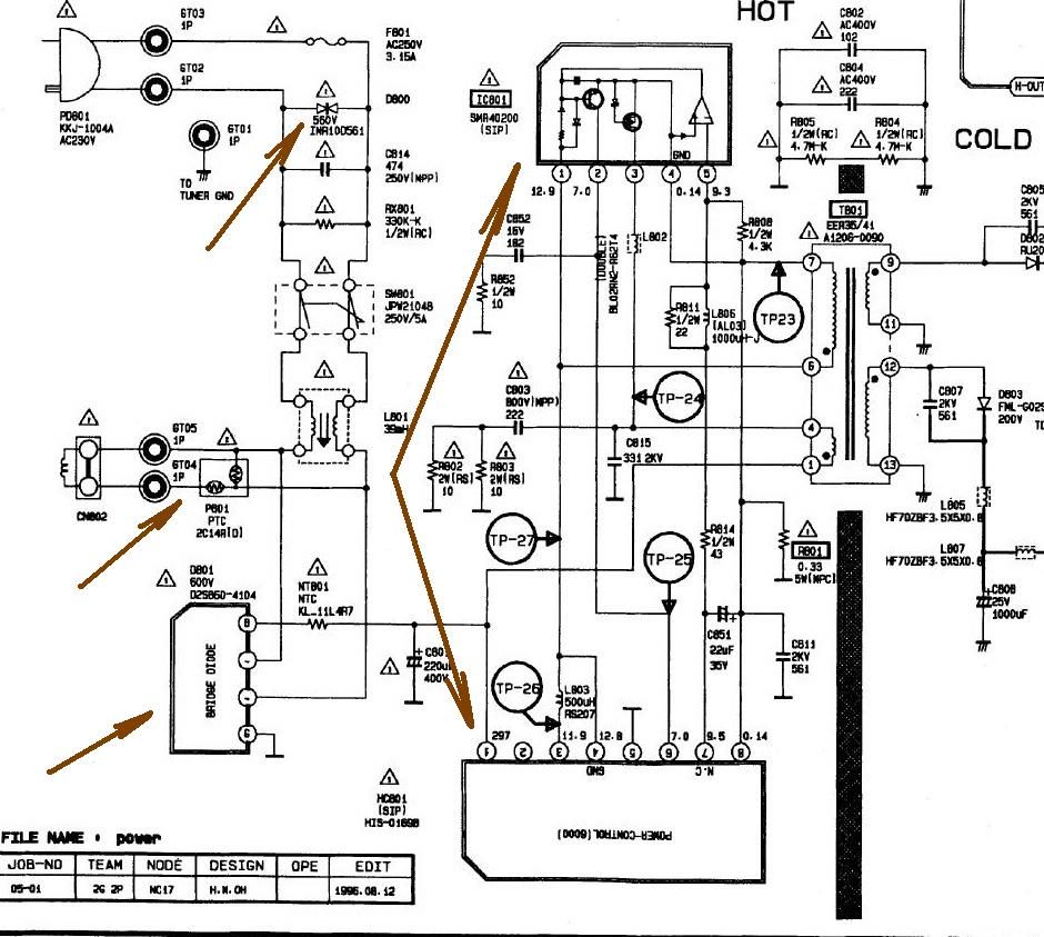
Текст сообщения: Добрый вечер.Решил поковырять данный аппарат с диагнозом «не включается».При вскрытии был обнаружен сгоревший предохранитель,диодный мост,токоограничивающий резистор R801(0.33 Om). После замены в БП сидела «коза»(лампа 150 Вт вместо предохранителя горела в весь накал).Порывшийсь на форумах решил менять «сладкую парочку» HIS + SMR.На рынке предложили набор установки Кит.(инструкцию прилагаю).После замены телевизор запустился,напряжение на L809 составило 65В,вместо положенных 125.Читал что на напряжение строчной развертки влияет вышедший из строя дроссель L803,однако после данной переделки отсутствует надобность в нем из за того что выбрасывается HIS0169 и он не с чем не контачит(тоже выпаял его).Подскажите,что делаю не так? Что дает такую просадку рабочего режима строчной развертки и правильно ли я ее промеряю на дросселе L809?С кинескопным тв сталкиваюсь впервые,в основном ковыряю LCD моники
Источник
ПОЧИНКА СТАРОГО ТВ SAMSUNG
На днях совершенно неожиданно сломался телевизор на кухне Samsung CS-14F2R. Поначалу это вызвало чувство подобное радости – он давно вел себя отвратительно и часто возникало желание выбросить его со второго этажа, заменив на новый. Однако экономическая блокада и, как следствие, неадекватные цены на бытовую технику в наших краях, заставили взяться за инструменты.

Первый же осмотр после вскрытия показал, что сгорел ТДКС. Проверка строчного транзистора D2499 выявила его пробой во всех направлениях.

Так как транзисторы редко приходят в такое состояние сами по себе, стало очевидным, что есть какая-то скрытая причина, заставившая его недопустимо открыться и полностью выйти из строя. Пришлось обратиться к услугам интернета в поисках схемы. Схемы телевизоров по названию найти оказалось сложно так, как производители на базе одной и той же типовой схемы выпускают разные модели аппаратов с разной диагональю кинескопа, а зачастую встречаются клоны от других производителей. Поэтому общим для них всех является не схема, а номер шасси. На плате отыскал надпись KS1A. Скачав архив с похожей схемой шасси и технической документацией к нему, приступил к изучению схемы. Как и любой ремонт электроники решил начать с блока питания, а точнее его запуска. Выпаяв ТДКС и строчный транзистор задумался над тем, как заставить работать блок питания без указанных деталей. Велика вероятность, что без нагрузки в виде ТДКС он не запустится. По схеме видно, что импульсный блок питания формирует два напряжения: 13 и 125 вольт.

Так как 125 вольт с трансформатора импульсного блока питания поступают на ТДКС, а 13 вольт участвует в управлении строчным транзистором, сделал предположение, что именно их возрастание послужило причиной выхода из строя указанных деталей.
Отпаяв катод диода D805 (именно он служит для выпрямления 125 вольт), припаял к нему обычную лампу мощностью 100 Ватт. Таким образом, после включения высоковольтная часть схемы окажется обесточенной, а на лампе можно будет проверить, какое напряжение выдает блок питания.
Включение показало, что блок питания запустился. Однако вместо 125 вольт присутствует 150! Вместо 13 – 15,5 вольт. Проверка стабилитронов в обвязке ШИМ на микросхеме KA5Q0765 криминала не выявила. А вот конденсатор С802 на 33 мкф 50 вольт в силу своего возраста (телевизор 13 лет в эксплуатации) вызвал подозрение. Поскольку кроме мультиметра проверить его было нечем, решил его заменить. Под рукой оказался на 33 мкф 63 вольта.

После его замены напряжения на выходе блока питания упали до 13 и 127 вольт, что абсолютно приемлемо. Для перестраховки поменял все электролиты в горячей части – С812, С813, С815, С827, С304, С306.

Заменил сгоревший ТДКС Samsung FSA 38032M на его аналог 14A004C(S) китайского производства и строчный транзистор. Для перестраховки, в силу довольно жесткого режима работы строчного транзистора, установил его на подходящий по габаритам радиатор через термопасту.

Включив аппарат и убедившись в его работе, после часовой прогонки приступил к устранению застаревшим недомоганий.

Данный телевизор страдал еще двумя неисправностями:
- отвратительным звуком (такое впечатление, что из слов выпадали гласные)) и чтобы что-то более менее хорошо слышать приходилось увеличивать громкость. Когда возникла такая неисправность уже сказать трудно, а вспомнить звучал ли он хорошо еще труднее;
- вторая неисправность заключалась в том, что зачатую переключение каналов хоть с пульта, хоть кнопками на лицевой панели приводили лишь к тому, что менялся только номер канала, а изображение и звук оставались прежними.
Борьбу с первой неисправностью начал с подключения внешней акустики от компьютера – звук оказался вполне приличным. Таким образом, с процессором, откуда выходит звуковой сигнал все оказалось в порядке. И причину следовало искать в УНЧ и штатном динамике. Замена динамика результатов не дала. Следовательно, стоило обратить пристальное внимание на УНЧ, который в данном телевизоре построен на TDA8943SF. Стоит отметить, что для разных моделей телевизоров на шасси KS1A УНЧ строятся на разных микросхемах. Питание микросхемы оказалось в норме – 12 вольт.

В типовой схеме включения данной микросхемы присутствует электролитический конденсатор емкостью 10 мкф 16 вольт. Через него шестой вывод (опорное напряжение) TDA8943 соединяется с массой. Решено было его заменить, что привело к восстановлению нормального звучания телевизора.
Проблему с переключением каналов пришлось решать, прибегнув к опыту других людей, сталкивавшихся с такой же неисправностью. Так же как и я, все замечали одну странность – при неправильном переключении каналов, восстановить правильную настройку помогало дерганье за антенный кабель! Как оказалось таких много. И встречается данная неисправность в телевизорах именно фирмы Samsung. Причиной тому является откровенно плохая пайка тюнера, а точнее мест пайки массы платы тюнера с его корпусом и массивных контактов массы на самой плате.

Сначала хотел выпаять тюнер полностью, однако сделать это 25-ватным паяльником не смог. Пришлось пропаивать тюнер как есть, сняв обе его крышки. И хоть места на плате шасси крайне мало для таких маневров, но все же удалось победить и эту неприятность. Теперь каналы переключаются без эксцессов.


Относительно плохой пайки нужно сказать отдельно. Пристальный осмотр всей платы шасси позволил выявить множество мест, где пайку пришлось восстанавливать


Что стало причиной сказать трудно – то ли изначально плохое качество пайки, то ли длительный срок эксплуатации телевизора. Но после произведенных манипуляций телевизор вновь занял свое место на кухне.

Ремонт проводил Кондратьев Николай, Донецк.
Источник
Принципиальная Схема Телевизора Samsung
Стабилизация уровня выходного напряжения осуществляется с помощью оптронной цепи обратной связи PCS.
Управление петлей размагничивания производится посредством переключения реле RLS по команде от системы управления.

Дополнительно к нему в состав узла включены декодирующее устройство сигналов телетекста и энергонезависимая память программ.
Ремонт TV Samsung
При наличии выходных напряжений следует проконтролировать напряжения питания, формируемые стабилизаторами на IC Для определения места неисправности с помощью генератора телевизионных сигналов необходимо его выход ПЧ сигнала соединить с точкой соединения конденсаторов С и С

Вся серия техники оснащается стандартной шиной модели BNB. Особенности шасси KS2A.

Тракт обработки сигналов изображения. Они подключены к входам внутренних АЦП, а цепи кнопок образуют делители рис.

В табл. Ckzbr Эта версия техники оснащается неплохим шасси SCTB, где присутствует все необходимое для самостоятельного ремонта и настройки.

Не стоит удивляться, если Вы столкнетесь с подобным обстоятельством, — эта политика присуща многим разработчикам. Блокировка звука осуществляется путем снижения напряжения опорного уровня около 5,6 В на выв.

Телевизор Samsung шасси KS9A не включается
Телевизоры SAMSUNG на базовом шасси KS1A
Схемы строчной и кадровой разверток. Предлагаемая читателям книга — попытка восполнить приведенные выше пробелы.
Неплохое оснащение, что позволяет при необходимости заниматься самостоятельным программированием приспособления и его последующей настройкой.

В случае наличия напряжений на выходе микросхемы IC необходимо проконтролировать управляющее напряжение на выв.

В качестве антенны используется провод 1 м длиной. В дежурном режиме напряжение на этом выводе 0 В, в рабочем режиме телевизор включен напряжение на этом выводе должно быть около 3,3 В.
Формирование основных сигналов RGB выв. Способ монтажа
Сигнал обратной связи осциллограмма TP13 для стабилизации размера и формирования сигнала защиты кинескопа поступает от выходного каскада КР на выв. В этом случае дополнительно следует проверить исправность внешних элементов узла микроконтроллера микросхемы.

Настройка баланса белого.
Телевизор Samsung не включается ремонт строчной развертки
Cхемы на LCD телевизоры Samsung
После их замены конденсаторов проблема не исчезла. Принципиальная электрическая схема.
Функциональный состав шасси SCT11В Принципиальная электрическая схема Тракты обработки сигналов изображения и звукового сопровождения. Книга предназначена для широкого круга специалистов, занимающихся ремонтом телевизионной техники, а также для радиолюбителей, интересующихся этой темой.
Контроль высокого напряжения. Способ монтажа

Тракт обработки сигналов изображения. Но даже если необходимая техническая документация и есть у специалиста, в ней не так просто разобраться потому что, во-первых, она, как правило, на английском языке и во-вторых, представлена в очень сжатом виде. Сигналы на этих выводах показаны на осциллограммах TP01 и TP

Микроконтроллер, входящий в состав видеопроцессора ICS, осуществляет управление всеми функциями телевизора. Практическая ценность книги определяется подробным описанием типовых неисправностей и методики их поиска и устранения. Эта новейшая технология разработана компанией Philips. Демодулированный звуковой сигнал выделяется на выв.

Кадровые двухполярные импульсы пилообразной формы снимаются с выв. Применяется в основном для измерения температуры.
Выходной каскад СР Q, Q, TS формирует токи отклонения строчных катушек, напряжения питания видеоусилителей и выходного каскада КР, а также напряжения, определяющие режим работы кинескопа. Ранее уже рассматривалось подобное оснащение, что означает широкое распространение этого номера шасси для телевизоров линейки Samsung. Изображение есть, звука нет Поиск неисправности в случае отсутствия звука при нормальном изображении следует начать с контроля сигнала на выв. Сигнал, пропорциональный току лучей кинескопа и используемый для регулировки уровня темновых токов, подается на выв. После этого телевизор должен начать работать нормально, но уже с настройками по умолчанию.
Тракт обработки сигналов изображения. Порт 0 представлен выв.
Ремонт телевизора Samsung UE40D5000PW Не включается
Расскажите о нас
Импульсы запуска осциллограмма TP09 строчной развертки СР с выв.
При изготовлении используют дефицитные и дорогие материалы и реактивы. Изображения нет, звук есть Поиск неисправности следует начать с контроля сигнала на выв. Компания Samsung была образована в году.
Отсутствие напряжений на выв. Это напряжение 8 В на выв.
Для управления электронными лучами кинескопа видеопроцессор формирует сигналы кадровой развертки и импульсы запуска строчной развертки. Демодулированный звуковой сигнал с выв.
Схемы телевизоров Самсунг
В дежурном режиме напряжение на этом выводе 0 В, в рабочем режиме телевизор включен напряжение на этом выводе должно быть около 3,3 В. Главная практическая ценность книги заключается в перечне типовых неисправностей, их возможных проявлениях и способах устранения. Функциональная схема узла показана на рис. Микроконтроллер, входящий в состав видеопроцессора ICS, осуществляет управление всеми функциями телевизора.
В последнее время цветные телевизоры Samsung с плоским экраном занимают лидирующие позиции на российском рынке. Выходные каскады строчной и кадровой разверток каких-либо схемотехнических особенностей не имеют см. Особенности шасси KS2A.
Принципиальные электрические схемы телевизоров
Демодулированный звуковой сигнал выделяется на выв. По каждому шасси приведены принципиальная схема а по некоторым еще и структурная , подробное описание работы узлов телевизионного приемника, электрические регулировки шасси, которые необходимо выполнить после ремонта, дана методика регулировки в сервисном режиме.
Новые добавленные Сервис мануалы. Главная практическая ценность книги заключается в перечне типовых неисправностей, их возможных проявлениях и способах устранения.
Ремонт телевизора Samsung Ck-5035ZR. Курсы телемастеров.
Источник

Вам также может понравиться
