- Преобразователь частоты t13 750w 12 h инструкция
- Частотный преобразователь 400 Вт, 750 Вт, с приводом RS485 для трехфазного двигателя MCU T13-400W-12-H, однофазный вход
- #1 Если выбрать 750w, значит асинхронные мощностью до 750 вт только подключать? у меня асинх 550 вт
- #2 Возможно ли к нему подключить шаговый биполярный двигатель?
- #3 Можно ли подключить 3х фазный двигатель? Без конденсатора?
- #4 Подскажите как переключить с внешнего управления на обычное
- #5 Если выбрать 750w, значит асинхронные мощностью до 750 вт только подключать? у меня асинх 550 вт
- #6 У меня есть старый однофазный двигатель, могу ли я использовать его для регулировки скорости?
- #7 Есть плавный пуск.останов?
- #8 Возможно ли подключение однофазного токарного двигателя 220 В, имеющего вспомогательный обмоточный конденсатор. Должен ли я подключаться к V и W? Спасибо вам
- #9 Могу ли я использовать его с 127В + 127В? И управление трехфазным двигателем 220В?
- #10 Поработал минут 10 и стал выдавать Е 2(импульсная нагрузка) причем даже без двигателя, проверил, все параметры заводские, может кто сталкивался?
- #11 Возможно ли к нему подключить шаговый биполярный двигатель?
- #12 Скачать руководство по QR-коду можно?
- #13 Может ли работать однофазный асинхронный двигатель
- #14 Подойдёт ли для регулировки асинхронного двигателя?
- #15 Какой максимально по мощности, можно поставить двигатель? Спасибо.
- #16 Туплю, извините. Он подойдет для трехфазного двигателя системы вентиляции?
- #17 Что означает +MOD 485
- #18 Как подключить однофазный двигатель 220в для изменения оборотов.
- #19 Есть инструкция на русском?
- #20 У кого-то есть ссылка, чтобы загрузить руководство на английском языке, спасибо
- #21 Кто-то может сделать ссылку?
- #22 Двигатель от стиралки потащит?
- #23 Сколько л.с. трехфазного может обрабатывать продукт?
- #24 Что означает modbus rs485? Спасибо.
- #25 Подходит для стандартного мотора кисти 230В?
- #26 Здравствуйте, мне понадобится ссылка на английском языке для настройки и подключения устройств, которые я купил вам, Перевод китайского на французский не совсем Пояснительный Спасибо вам
- #27 Могу ли кто-то дать мне руководство на английском языке? Спасибо вам
- #28 Здраствуйте скажите пожалуйста этот прибор подходит ли для запуска LG линейных компрессоров двух выводный?
- #29 Я запущу эл.Двигатель с пусковой и рабочей обмоткой и регулировкой оборотов.Сбасибо.
- #30 Этот ключ удерживает трехфазный двигатель до того, сколько л.с.?
- Отзывы покупателей
- Частотный преобразователь T13-750W-12-H 750 Вт, 220 В, однофазный вход, трехфазный выход
- Условия возврата и обмена
- Сроки возврата
- Частотный преобразователь 750 Вт, 220 В однофазный вход -> трехфазный выход
- Как запустить и настроить частотный преобразователь — инструкция для чайников
- Подключение силовых цепей
- Подключение цепей управления
- Настройка
- А теперь к параметрированию
- Далее переведём управление на внешние кнопки и настроим его
- Защита и безопасность
- Вместо заключения
Более 15071 подписчиков, дата открытия магазина 17.03.2015
- Положительные оценки: 97% (20572) Соответствие описанию: 96% Отвечает на сообщения: 96% Скорость отправки: 94%
Последнее обновление: 14.01.2022



















#1 Если выбрать 750w, значит асинхронные мощностью до 750 вт только подключать? у меня асинх 550 вт
#2 Возможно ли к нему подключить шаговый биполярный двигатель?
#3 Можно ли подключить 3х фазный двигатель? Без конденсатора?
#4 Подскажите как переключить с внешнего управления на обычное
#5 Если выбрать 750w, значит асинхронные мощностью до 750 вт только подключать? у меня асинх 550 вт
#6 У меня есть старый однофазный двигатель, могу ли я использовать его для регулировки скорости?
#7 Есть плавный пуск.останов?
#8 Возможно ли подключение однофазного токарного двигателя 220 В, имеющего вспомогательный обмоточный конденсатор. Должен ли я подключаться к V и W? Спасибо вам
#9 Могу ли я использовать его с 127В + 127В? И управление трехфазным двигателем 220В?
#10 Поработал минут 10 и стал выдавать Е 2(импульсная нагрузка) причем даже без двигателя, проверил, все параметры заводские, может кто сталкивался?
80 Вт. Скачайте инструкцию на английском, там должны быть указаны ситуации, при которых возникает ошибка E2.
#11 Возможно ли к нему подключить шаговый биполярный двигатель?
#12 Скачать руководство по QR-коду можно?
#13 Может ли работать однофазный асинхронный двигатель
#14 Подойдёт ли для регулировки асинхронного двигателя?
#15 Какой максимально по мощности, можно поставить двигатель? Спасибо.
#16 Туплю, извините. Он подойдет для трехфазного двигателя системы вентиляции?
#17 Что означает +MOD 485
#18 Как подключить однофазный двигатель 220в для изменения оборотов.
#19 Есть инструкция на русском?
#20 У кого-то есть ссылка, чтобы загрузить руководство на английском языке, спасибо
#21 Кто-то может сделать ссылку?
#22 Двигатель от стиралки потащит?
#23 Сколько л.с. трехфазного может обрабатывать продукт?
#24 Что означает modbus rs485? Спасибо.
#25 Подходит для стандартного мотора кисти 230В?
#26 Здравствуйте, мне понадобится ссылка на английском языке для настройки и подключения устройств, которые я купил вам, Перевод китайского на французский не совсем Пояснительный Спасибо вам
#27 Могу ли кто-то дать мне руководство на английском языке? Спасибо вам
#28 Здраствуйте скажите пожалуйста этот прибор подходит ли для запуска LG линейных компрессоров двух выводный?
#29 Я запущу эл.Двигатель с пусковой и рабочей обмоткой и регулировкой оборотов.Сбасибо.
#30 Этот ключ удерживает трехфазный двигатель до того, сколько л.с.?
Отзывы покупателей
Страна: UA Color: 750W Доставка: Special Line-YW 31.01.2021
Страна: BR Color: 750W add RS485 Доставка: AliExpress Standard Shipping 22.01.2021
Протестировано 3/4 «HP. Отлично работает!
Страна: RU Color: 750W Доставка: AliExpress Standard Shipping 15.01.2021
Страна: MX Color: 750W Доставка: AliExpress Standard Shipping 23.02.2021
Страна: RU Color: 750W Доставка: AliExpress Standard Shipping 27.01.2021
lдошло быстро. упаковка качественная. В деле проверять буду потом
Страна: IT Color: 400W add RS485 Доставка: AliExpress Standard Shipping 23.02.2021
Страна: ES Color: 750W Доставка: AliExpress Standard Shipping 07.03.2021
Страна: IT Color: 750W add RS485 Доставка: AliExpress Standard Shipping 06.03.2021
К сожалению, китайское руководство и просто не может программировать его, так что я не могу использовать его.
Страна: UA Color: 750W Доставка: AliExpress Standard Shipping 23.02.2021
Не успел я забрать заказ так он передвинул срок подтверждения и не вернул его назад по моей просьбе.
Страна: EU Color: 750W Доставка: AliExpress Standard Shipping 04.03.2021
Доставили быстро, на вид все как в описании остальное после подключения
Покупатель AliExpress
Страна: RU Color: 750W add RS485 Доставка: AliExpress Standard Shipping 03.03.2021
Страна: BY Color: 750W Доставка: Seller’s Shipping Method 19.02.2021
Частотник выполняет свои функции. Правда из 220 вольт я не понял как получить линейное 380, но и на линейном 220 трехфазный двигатель крутится нормально. All is OK, device is work. Good seller.
Страна: RU Color: 750W Доставка: AliExpress Standard Shipping 28.02.2021
Продавец достаточно долго отправлял заказ, можно было бы и побыстрее. Инструкцию на английском и список параметров на русском по моей просьбе прислал на email. Упаковано хорошо, коробка цела. В работе пока не проверял.
Страна: LV Color: 750W add RS485 Доставка: China Post Registered Air Mail 09.02.2021
Спасибо за товар. Проверю напишу.
Страна: RU Color: 750W Доставка: AliExpress Standard Shipping 06.02.2021
все очень прекрасно, и доставка, и частотник подключил сразу. работает. не ожидал от наших братьев из Китая. вы молодцы!
Страна: PL Color: 750W Доставка: AliExpress Standard Shipping 12.02.2021
Товар соответствует описанию, быстрая доставка. Если у вас нет инструкций на английском языке, продавец prosilom о przyslanie her или предоставляет ссылку на вечеринку, с которой вы можете скачать, прошел неделю без ответа. Из этого следует, что продавец интересует только продажу. Устройство konkluduj① cool seller не обязательно, не рекомендуется этот продавец.
Страна: RU Color: 750W add RS485 Доставка: AliExpress Standard Shipping 21.02.2021
Товар пришел в неисправном состоянии, буду открывать спор.
Страна: DE Color: 750W add RS485 Доставка: AliExpress Standard Shipping 16.02.2021
Hello, I cannot use this device in any way if I only have a Chinese description. Please send me instructions at least in English. I have informed the seller about this, but have not received any feedback so far. With best regards
Частотный преобразователь T13-750W-12-H 750 Вт, 220 В, однофазный вход, трехфазный выход

| День | Время работы | Перерыв |
|---|---|---|
| Понедельник | 09:00 — 18:00 | |
| Вторник | 09:00 — 18:00 | |
| Среда | 09:00 — 18:00 | |
| Четверг | 09:00 — 18:00 | |
| Пятница | 09:00 — 18:00 | |
| Суббота | Выходной | |
| Воскресенье | Выходной |
* Время указано для региона: Россия, Санкт-Петербург
Условия возврата и обмена
Компания осуществляет возврат и обмен этого товара в соответствии с требованиями законодательства.
Сроки возврата
Возврат возможен в течение 7 дней после получения (для товаров надлежащего качества).
Обратная доставка товаров осуществляется по договоренности.
Согласно действующему законодательству вы можете вернуть товар надлежащего качества или обменять его, если:
- товар не был в употреблении и не имеет следов использования потребителем: царапин, сколов, потёртостей, пятен и т. п.;
- товар полностью укомплектован и сохранена фабричная упаковка;
- сохранены все ярлыки и заводская маркировка;
- товар сохраняет товарный вид и свои потребительские свойства.
Частотный преобразователь 750 Вт, 220 В
однофазный вход -> трехфазный выход
Надёжный, компактный и простой преобразователь частоты для управления трехфазным двигателем. Оптимальное соотношение функциональности, простоты настройки и работы и привлекательной цены. Для управления электродвигателем ПЧ использует скалярное управление V/F-кривой, несущая частота 8 кГц. Диапазон управления выходной частотой — от 1 Гц до 99 Гц.
ПЧ работает с трехфазными двигателями при подключении «треугольником» — на 220 В. На входе ПЧ питание однофазное 220 В.
Панельное исполнение, монтаж на дверцу шкафа управления, компактные размеры корпуса.
Как запустить и настроить частотный преобразователь — инструкция для чайников
Его называют инвертор, частотный регулятор или просто «частотник». Зачем же нужен этот черный ящик и как его настроить? Попробуем разобраться на примере Inovance MD310.

Преобразователь частоты — это силовой электронный блок, который является посредником между системой управления и электродвигателем. Он обеспечивает питание для двигателя, защищает его и задаёт необходимый режим работы — разгон, торможение или постоянное изменение скорости.
Для примера возьмем шлифовальный станок, который часто можно встретить в промышленном цеху или в столярной мастерской. Для качественной работы станка движение должно осуществляться в двух направлениях, скорость вращения ленты — меняться плавно, а аварийная кнопка мгновенно отключать питание. Без преобразователя частоты тут точно не обойтись.

Рис.1 Внешний вид шлифовального станка.
Подключение силовых цепей
Все провода, подключаемые к частотному преобразователю, можно разделить на 2 группы: силовые и контрольные. Рассмотрим подключение силовых.
Три провода сетевого питания 380 В, 50 Гц — клеммы R, S, T + провод заземления PE. Нейтраль частотному преобразователю не нужна. Даже если она у вас есть, подключать не нужно. А вот провода питания можно подключать в любом порядке. При необходимости чередование фаз можно изменить в программе частотника.
Три провода питания двигателя — клеммы U, V, W + провод заземления PE. На выходе напряжение может меняться от 0 до 380 В, а частота от 0 до 500 Гц. В этом и кроется смысл работы частотного преобразователя — он позволяет изменять скорость двигателя от нуля до номинального значения и даже выше, если это позволяет механика.

Рис.2 Подключение силовых цепей
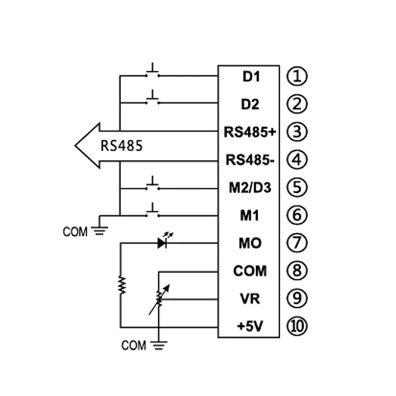
Подключение цепей управления
С контрольными проводами всё несколько сложнее. Тут нужно хорошо подумать, прежде чем подключать. На выбор целая россыпь дискретных и аналоговых входов и выходов. В документации производители чаще всего публикуют стандартную схему подключения с заводскими настройками, но для каждого механизма на деле нужна своя схема и индивидуальные настройки.

Рис.3 Подключение цепей управления
У нас задача не самая сложная. Для управления шлифовальной машиной достаточно кнопок «Пуск», «Стоп», переключателя «Вперед – Назад» и переменного резистора для изменения скорости вращения, его ещё называют потенциометром.
К дискретным входам DI подключаются сигналы, которые могут принимать одно из двух состояний — «вкл» и «выкл» или логический 0 и 1. В нашей схеме это кнопки «Пуск», «Стоп», переключатель направления и аварийный «грибок». Мы будем использовать кнопки без фиксации, которые уже установлены на станке.
К аналоговым входам AI подключаются сигналы с непрерывно меняющейся величиной тока 4. 20 мА или напряжения 0. 10 В. Это могут быть датчики, сигналы от контроллера или другого внешнего устройства. В нашем случае — это ручка потенциометра, которая обеспечивает плавную регулировку скорости.
Потенциометр или переменный резистор — это регулируемый делитель напряжения с тремя контактами.
» >
Рис.4 Внешний вид потенциометра
На два крайних неподвижных контакта подаётся постоянное напряжение 10 В от частотного преобразователя, а средний подвижный контакт служит для снятия текущей величины напряжения, которая зависит от положения ручки. Если ручка повернута наполовину, значит и напряжение будет только половинное = 5 В. Преобразователь пересчитает напряжение в задание скорости и разгонит двигатель.

Рис.5 Подключение потенциометра
Любой потенциометр не подойдёт, необходим с сопротивлением от 2 до 5 кОм, чтобы аналоговый вход стабильно работал. А ещё он должен быть с удобной ручкой, ведь крутить его придётся постоянно. Мощность может быть любой, даже 0,125 Вт достаточно. Идеально подойдёт XB5AD912R4K7 с сопротивлением 4,7 кОм.
На дискретные — DO и аналоговые выходы AO преобразователь выдает информацию о своем текущем состоянии, скорости или токе двигателя, достижении заданных значений или выходе за их пределы. В нашем случае выходы не используются, поэтому подключать нечего.
Настройка
Недостаточно просто подключить все провода к частотнику, его ещё нужно правильно настроить, чтобы механизм работал стабильно и долго. Для этого в частотном преобразователе несколько сотен параметров. Конечно, все настраивать не придётся, но вот основные — обязательно.
Настройка осуществляется с помощью клавиш на встроенной панели управления. С ними всё предельно просто.
Кнопка PRG отвечает за вход и выход из режима программирования. Кнопки вверх, вниз и вбок осуществляют навигацию внутри меню, а кнопка Enter — подтверждает выбор параметра или его значения.
MF.K — это дополнительная функциональная кнопка, которую можно настроить на необходимое действие, например переключение между местным и дистанционным управлением или смену направления вращения.
Зеленая и красная кнопки — это Пуск и Стоп, если управление осуществляется с панели.
Если запутались, не беда. Нужно несколько раз нажать на кнопку PRG, чтобы вернуться к исходному состоянию.
» >
Рис.6 Внешний вид панели управления
А теперь к параметрированию
Во-первых, необходимо дать понять частотному преобразователю, какой двигатель к нему подключен. Для этого в параметры с F1-01 по F1-05 запишем значения с шильдика двигателя:
F1-01 = 1,5 кВт — номинальная мощность двигателя
F1-02 = 380 В — номинальное напряжение двигателя
F1-03 = 3,75 А — номинальный ток двигателя
F1-04 = 50 Гц — номинальная частота двигателя
F1-05 = 1400 об/мин — номинальная скорость двигателя

Рис.7 Шильдик двигателя
Теперь, когда основные данные о двигателе есть, нужно провести автонастройку. Этот процесс нужен, чтобы частотный преобразователь ещё лучше адаптировался к работе с конкретным двигателем: вычислил сопротивление и индуктивность обмоток. Так управление будет точнее, а экономия энергии — больше.
Для запуска процедуры устанавливаем F1-37 = 1 — статическая автонастройка и нажимаем кнопку «Run» на панели управления. Через пару минут дисплей переходит в исходное состояние и частотник готов к работе.
Далее переведём управление на внешние кнопки и настроим его
В нашем случае подойдёт трёхпроводное управление, где кнопка «Стоп» осуществляет разрешение на работу, кнопка «Старт» — запуск станка, а переключатель выбирает направление вращения.

Рис.8 Схема трёхпроводного управления
Настроим эти параметры:
F0-02 = 1 — управление через клеммы управления
F0-03 = 2 — задание частоты с AI1 (потенциометр)
F4-00 = 1 — пуск
F4-01 = 2 — выбор направления движения
F4-02 = 3 — разрешение работы
F4-03 = 47 — аварийный останов
F4-11 = 3 — режим трёхпроводного управления
Теперь станок начинает оживать, реагирует на нажатие кнопок и вращение ручки скорости. Остаётся настроить время разгона, торможения и проверить на практике удобство использования. Наш частотный преобразователь настроен и готов к использованию!
Защита и безопасность
Преобразователь частоты — умное устройство. После настройки в работу включаются все защитные функции, которые в случае аварии сберегут и сам частотник, и двигатель, и механизм.
Например, при заклинивании: преобразователь вычислит, что ток двигателя намного выше номинального, который мы установили в параметре F1-03 ранее, выдаст ошибку «Перегрузка двигателя» и отключится. Двигатель не перегреется и не сгорит, а механика останется целой.
А если возникла угроза здоровью оператора или поломки оборудования — спасет аварийная кнопка «грибок». При её нажатии преобразователь в мгновение остановит станок и отключит питание. Никто не пострадает!
Вместо заключения
Настройка частотного преобразователя — процесс увлекательный. Порой преобразователь берёт на себя не только управление двигателем, но и целой системой и может заменить даже простой контроллер. К частотнику можно подключать датчики, лампы индикации, реле и даже контакторы. Применение преобразователю можно найти везде: от насосов и конвейеров до сложных станков, подъёмников и лифтов. Главное внимательно изучать документацию и делать всё по порядку, тогда всё обязательно получится.
Источник
