
Проточный электрический водонагреватель Thermex Stream
Проточный электрический водонагреватель Thermex Stream 350/500 (Рис. 1) предназначен для получения горячей воды в бытовых целях. ЭВН должен эксплуатироваться в закрытых отапливаемых помещениях.
Представленная модель выполнена в компактных размерах и оснащена инновационным нагревательным элементом. Прибор надежно защищен от накипи и перегрева, имеет двухступенчатую регулировку мощности и гидравлическое управление.

Также устройство оснащено индикатором включения и функцией ускоренного нагрева воды.
Особенности и преимущества проточного водонагревателя Thermex Stream 350/500
Благодаря компактности и экономичности модели процесс нагрева воды не требует длительного времени и внушительных расходов электроэнергии.
Электроводонагреватель Thermex Stream является незаменимым устройством в местах и условиях отсутствия стационарного нагрева воды: загородные участки, дачи, гаражи и т.д.
ЭВН гарантирует надлежащий комфорт в заданной обстановке, упрощая процессы хозяйственной деятельности, требующие наличие горячей воды.
Компактные размеры, легкий монтаж и простота эксплуатации делает данные водонагреватели отличным альтернативным решением в период отключения горячей воды.
Электрический водонагреватель Термекс Stream 350/500 работает в двух режимах мощности, в зависимости от сезона эксплуатирования.
Нагревательный элемент с керамическим наполнителем и медной колбой радикально увеличивает срок службы и коэффициент полезного действия нагревателя.
Исполнение: только для душа.
Технические характеристики водонагревателя Thermex Stream 350/500
Номинальное напряжение электросети, В — 220
Номинальная частота тока, Гц — 50
Номинальная потребляемая мощность, кВт — 3,5 / 5,0
Режимы мощности, кВт — 3,5 / 2,0 + 3,0
Исполнение корпуса — брызгозащитное
Наличие шнура электропитания — да / нет
Рабочее давление водопровода холодной воды на входе в ЭВН
Минимальное давление, МПа — 0,05
Максимальное давление, МПа — 0,6

Рис.2. Компоненты проточного водонагревателя Thermex Stream 350/500
Вода нагревается мгновенно, проходя через медный цилиндр, в котором расположены нагревательные элементы (Рис. 2). Требуемая температура достигается регулировкой потока воды.
Температура водопроводной воды может значительно колебаться в течение года: от 5° до 20°С. Это означает, что при одинаковой температуре воды на выходе, поток воды зимой будет меньше, чем летом.
Для подбора оптимального расхода воды душевая насадка, входящая в комплект водонагревателя Термекс Stream 350/500, снабжена переключателем на рассеивателе, имеющем два положения. Одно положение рассчитано на использование ЭВН летом, второе — зимой.
После подачи воды в прибор и установления минимально допустимого давления (0,05МПа), датчик давления автоматически включит термоэлектрические нагреватели (ТЭНы), на что укажет свечение индикатора клавиши сетевого включения.
При уменьшении давления воды на входе ниже минимально допустимого датчик давления отключит ТЭНы, соответственно индикаторы погаснут, нагрев прекратится.
Ещё одним средством защиты служит тепловой предохранитель, установленный на медном цилиндре. Он отключает электроводонагреватель от электрической сети в случае перегрева воды (что не является неисправностью). После охлаждения прибор включится автоматически.
Установка и подключение водонагревателя Thermex Stream 350/500
Установка должна производиться квалифицированным персоналом.
Рекомендуется следующая последовательность действий по установке ЭВН:
— монтаж водонагревателя на стене; — подключение к водопроводу;
— подключение к электросети.
Монтаж ЭВН Термекс на стене
Установка водонагревателя Thermex Stream 350/500 производится на стене в вертикальном положении, руководствуясь длиной душевого шланга и местом крепления кронштейна душевой насадки.
При установке следует размещать прибор таким образом, чтобы брызги воды не попадали на его корпус.
Электроводонагреватель крепится к стене при помощи двух шурупов (в комплект не входят), для чего необходимо:
— снять верхнюю крышку, открутив шурупы на боковых стенках ЭВН;
— произвести разметку отверстий по задней крышке прибора, подготовить отверстия в стене и закрепить основание прибора на месте, после чего установить верхнюю крышку.
Подключение к электросети
Для подключения проточных водонагревателей Thermex Stream 500/700 к электросети необходимо снять верхнюю крышку ЭВН и подключить подводящий электрокабель к клеммной колодке согласно электрической схеме: L — «фаза»; N — «ноль»; Е — «земля».
Для подключения рекомендуется использовать трёхжильный кабель (не поставляется) с площадью сечения каждой жилы не менее 4 мм2.
Перед началом монтажа электропроводки обесточьте сеть к которой происходит подключение прибора. Сначала кабель подключается к прибору, а затем к выключателю.
Для отключения проточного водонагревателя Термекс Стрим от сети необходимо использовать двухполюсный выключатель с плавким предохранителем, с зазорами между контактами в разомкнутом состоянии не менее 3 мм на всех полюсах, на 30 А для модели 500 и 40А для модели 700 (в комплект не входит).
Перед началом эксплуатации необходимо одеть и закрепить верхнюю крышку водонагревателя.
Модель ЭВН 350 имеет встроенный сетевой шнур с вилкой. Для подключения данной модели к сети достаточно вставить вилку шнура питания в электророзетку, которая должна иметь клемму заземления.
Розетка должна располагаться в месте, исключающем попадание на неё воды. Электропроводка, предохранительные и коммутационные устройства должны выдерживать токовую нагрузку не менее 30 А для модели 500, не менее 40А для модели 700 и не менее 20 А для модели 350.

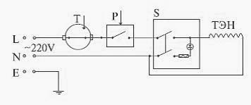
Рис.3. Схема электрическая электроводонагревателя Термекс 350
Р — датчик давления, S — переключатель мощности со световой индикацией, Т — тепловое реле, ТЭН — электронагревательный элемент, L- фаза, N — ноль, Е — земля.

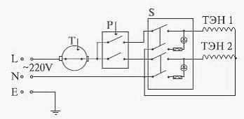
Рис.4. Схема электрическая ЭВН 500/700
Р — датчик давления, S — переключатель мощности со световой индикацией, Т — тепловое реле, ТЭН1, ТЭН2 — электронагревательные элементы, L — фаза, N — ноль, Е — земля.
Эксплуатация водонагревателя Термекс 350/500
Включите электропитание водонагревателя, вставив вилку шнура питания в электророзетку или включив многополюсный выключатель.
Плавно поверните ручку крана подачи воды. Нажмите клавишу сетевого выключателя на лицевой панели водонагревателя. При этом включится световая индикация клавиши сетевого выключателя.
Подождите 15-20 секунд, пока температура воды на выходе стабилизируется. Если вода слишком холодная, уменьшите подачу воды. Если вода слишком горячая, подачу воды необходимо увеличить.
Двухклавишные модели ЭВН имеют разные режимы мощности. Для модели 500 левая клавиша — режим 2,0 кВт, правая — 3,0 кВТ, суммарно — 5 кВт.
Для модели 700 обе клавиши соответствуют 3,5 кВт, суммарно — 7кВт. Потребитель может выбирать любой удобный режим мощности.
Источник
Устройство и схема электрического проточного водонагревателя

Проточный водонагреватель Termex System
Прежде всего, рассмотрим устройство проточного водонагревателя.
Всё очень просто – вода, проходя через нагревательный элемент, нагревается, её температура зависит от мощности нагревательного элемента (ТЭНа) и от скорости потока воды. Это – основной принцип работы проточного водонагревателя.
Очевидно, что чем больше мощность нагревателей и меньше скорость течения воды, тем сильнее она нагреется.
Основной минус его – это, пожалуй, самое неэкономное устройство в доме. Газовые водонагреватели гораздо экономичнее.
Но, как обычно, сначала немного теории. А что касается того, как установить и отремонтировать водонагреватель – у меня есть статья Установка и ремонт проточных водонагревателей. Про накопительные нагреватели (бойлеры) у меня также есть статьи: Ремонт накопительного нагревателя и замена ТЭНа в бойлере.
Отличие проточных водонагревателей от накопительных
Отличие видно сразу, из названия – вода протекает или накапливается. Плюсы и минусы (или отличия) этих двух типов водонагревателей перечислены ниже.
Характеристики электрических водонагревателей
- Размеры и масса нагревателя. У проточного размеры гораздо меньше, его можно вообще спрятать под раковиной или например в шкафчике рядом, вес его около 1 кг. Накопительный представляет собой большой бак емкостью около 200 литров, соответственно и вес его в “заряженном” состоянии – более 200 кг. Накопительные водонагреватели емкостью более 200 литров устанавливаются, как правило, в напольном варианте.
- Потребляемая мощность. Этот параметр очень важен с точки зрения электрики, далее в статье ему будет уделено большое внимание. У проточного нагревателя она очень большая, и может быть сравнима с мощностью, которую потребляет вся квартира – 7 кВт и выше. Накопительный нагреватель потребляет электроэнергии меньше – 1,5…3 кВт
- Скорость нагрева воды. Главный плюс проточного водонагревателя – скорость работы. Открыл краник – и уже через пару секунд “тёпленькая пошла”. Накопительный же греет сразу весь объем, и для нагрева воды до нормальной температуры может понадобиться до часа времени.
- Цена. Тут разница ощутима, для проточных цена составляет 1500-2000 руб., цена накопительных – в 2-3 раза выше. “Нормальный” накопительный водонагреватель начинается с цены 6000, но опять же, всё сильно зависит от желаемых параметров.
- Проточные я бы ещё разделил на 2 группы по конструкции. Есть такие, у которых есть просто выход под полдюймовую трубу (шланг), и дальше его можно подключать куда хочешь. А есть такие, у которых в конструкции предусмотрен кран или шланг с душем.
Какой водонагреватель выбрать – накопительный или проточный?
Если к вопросу нагрева воды вы решили подойти основательно, то лучше пойти на затраты и выбрать накопительный водонагреватель (ссылки в начале статьи).
Запланировали через час покупаться и помыть посуду – включили его, помылись-побрились, и выключили. И вода ещё долго (несколько часов) будет остывать, её можно использовать, не расходуя электричество.
Если же нужна горячая вода здесь и сейчас, или ограничены в средствах, или некуда ставить этот огромный бак – то конечно, лучше выбрать компактный, проточный водонагреватель. Но тут надо особо подойти к электропитанию, о чём будет сказано ниже.
Схема и устройство проточного водонагревателя
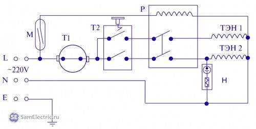
Электрическая принципиальная схема проточного водонагревателя Termex System приведена ниже. Схема взята из инструкции, которую можно будет скачать в конце статьи.

Схема проточного водонагревателя Termex System
Итак, что “под капотом” у этого водонагревателя и как работает его электросхема?
- М — датчик протока, который замыкает свои контакты, если только есть достаточный поток воды. То есть, если вода течет слабо либо её совсем нет, он не включится, и схема работать не будет.
- Р — реле управления мощностью, включается от датчика протока М. Это реле своими контактами включает питание ТЭНов.
- Т1 – температурный датчик, Т2 – температурный датчик с механическим включением, служат для предотвращения перегрева нагревательных элементов. Если эти датчики сработали, ТЭНы уже не включатся. В случае срабатывание датчика Т2 его можно после остывания включить вручную.
- ТЭН1, ТЭН2 – электронагревательные элементы, в данном приборе включаются одновременно.
- Н — неоновый индикатор, на передней панели.
- L – Фаза, Line
- N – Ноль, Neutral
- Е — Земля, Earth
Устройство реального проточного нагревателя воды рассмотрим на фотографии:

Проточный водонагреватель Termex System – устройство и принцип действия
Как видим, датчик перегрева – один (Т1, у него один контакт, через который питаются оба ТЭНа). Производитель в инструкции предупреждает, что может менять схему и конструкцию на своё усмотрение.
На фото не видно, как отдельно питаются два ТЭНа.

Проточный водонагреватель Termex System – устройство поближе
Тут стрелкой показана пимпочка (Сброс), на которую надо нажать, если сработал датчик перегрева .
А вот фото, на котором видны параметры реле:

Устройство и схема водонагревателя Thermex Stream
Термекс Стрим устроен попроще, вот фото его внутренностей:

Termex Stream внутреннее устройство
В Стриме схема упрощена – нет реле. Датчик наличия потока воды (датчик протока, датчик давления) как обычно предохраняет от сухого хода, термореле – от перегрева.
Вот схема водонагревателя из инструкции:

Схема проточного водонагревателя Termex 500 700 Stream
Инструкции к проточным водонагревателям
Ниже привожу инструкции к нагревателям, о которых идет речь в статье. Перед началом использования их надо внимательно прочитать. Особенно разделы, где написано как включать-выключать воду и электропитание.
• THERMEX_System_manual / Проточный электрический водонагреватель THERMEX System. Руководство по эксплуатации. Назначение, технические характеристики, комплект поставки, описание и принцип действия, эксплуатация, схема электрическая., pdf, 4.66 MB, скачан: 5122 раз./
• THERMEX_Stream_manual / Проточный электрический водонагреватель THERMEX Stream. Руководство по эксплуатации. Назначение, технические характеристики, комплект поставки, описание и принцип действия, эксплуатация, схема электрическая., pdf, 6.58 MB, скачан: 4557 раз./
• THERMEX_Combi_manual / Проточный электрический водонагреватель THERMEX Combi. Руководство по эксплуатации. Назначение, технические характеристики, комплект поставки, описание и принцип действия, эксплуатация, схема электрическая., pdf, 6.89 MB, скачан: 3314 раз./
На этом всё, вопросы по устройству и схеме проточных водонагревателей прошу задавать в комментарии!
Рекомендую похожие статьи:



Добрый день! Где купить дешёвое реле протока?
Я бы пошёл в магазин радиодеталей. А лучше найти по объявлению “ремонт и установка электрических водонагревателей” человека, который знает, что такое реле протока. И он точно, подскажет, где у Вас в городе можно купить.
Проточный водонагреватель может работать и без этого реле, но под личную ответственность. Если вода вдруг закончится – погорят ТЭНы.
Здравствуйте .У меня термекс стрим с двумя переключателями .Проблема возникла с первым переключателем он не работает,а второй работает ,с тенами , и проводкой наверное все в порядке.Помогите советом.
Проверяйте выключатель, они часто горят и не контачат.
Здравствуйте . ТЭН в стриме какой конструкции ? Открытая спираль или обычный ТЭН ?
Точно сказать не могу, но точно не открытая спираль, иначе будет электрический контакт с водой.
Здравствуйте я проверил и это оказалось сгорел микропереключатель с лапкой d48x cherry.смотрел по сайтам в наличии нет только по пред.заказу сроки от 3-5 недель.
Скажите вы знаете где они есть в наличие?и какой ампераж надо брать что-бы не горел?Спасибо.
Так понимаю, этот микропереключатель в составе датчика наличия тока воды? Он стандартный, его можно купить в магазине радиодеталей или автоматики (например, запчасти к котлам).
По току выбирать не приходится, какой будет, чем больше конечно, тем лучше.
Его можно открыть (например, тонким ножом) вдоль, и почистить контакты.
Странно, почему вы советуете накопительный. Проточный греет воду и более энергии не тратит, а накопительный остывает и должен поддерживать температуру ожидая вас.
У меня самого накопительный и все эти радости с чисткой бака, заменой анодов, риском затопить соседей в случае протечки бака, толкают на избавление от него в пользу простого и как мне кажется эффективного проточного. Да, кушает 7квт, но он и работает 15 мин вместо полутора часов. Что скажете, есть ли осечки в моих суждениях?
Всё правильно, везде есть плюсы и минусы
Если хорошая проводка и легко тянет киловатты, то проточный лучше. Да и проще в установке, и дешевле.
Подскажите пожалуйста, такая проблема. Установил новый нагреватель(проточный) , при открытии воды индикатор загораеться , слышен щелчок реле и тут же тухнет. При открытии крана на полную из нагревателя слышится гул. Помогите советом что с этим делать?
Неисправность контактов в нагревателе, скорее всего. Разберите, просмотрите и продергайте всё.
Леонид: Проточник МЕРКУРИЙ на 5 КВт (Незначительная наработка. Воду на зиму слил, но не продул. В итоге порвал мороз ТЭН. Хотел заменить сам, но где приобрести в С-Петербурге, не знаю (в ИНЕТЕ данных нет). Ремонт в сервисе соизмерим с новым водогреем, а мой и без того не старый. Что посоветуете? Спасибо!
куплю термодатчик к водонагревателю ТЕРМАЛ
Добрый день.Проточник термекс 5квт,плавиться клемник и провод на нуле,заменил клемник,через 2 недели оплавился снова,но теперь еще и фазный?Контакты все были протянуты и провод 4мм.Что делать?
Тщательно зачистить провод. Применить другой тип клеммника, и на более мощный ток. Производители экономят.
Разве сварка/пайка – не выход?
Да, лучше пусть эту работу сделает профессионал.
Здравствуйте. Подключил Термекс Стрим 700.
Напор на выходе очень слабый, намного меньше, чем напор холодной воды на подаче. Подскажите, с чем это может быть связано?
“Напор на выходе очень слабый”
– Значит – большое сопротивление (гидродинамическое). Возможно, что-то “левое” попало в трубу,
лучше выполнить ревизию/ТО.
Если Вы про включение в сеть проточных водонагревателей, то написано здесь .
Здравствуйте! У меня водонагреватель о котором идет речь выше! Термекс стрим. Установлен как положено! Пользовался и произошел щелчок,и перестал греть! В чем причина? Датчик нагрева который стоит с верху тена. Снял прозвонил, оказался рабочий! Провода не где не оплавлены! Все чистенько в нутри! Подскажите пожалуйста в чем еще может быть причина. И как быть?)
Проверьте датчик перегрева и потока.
Проследите поступление напряжения на ТЭН.
Поставил Thermex System 1000 (потребляет 9,2кВт или как по инструкции 10кВт). В инструкции рекомендуют кабель 6 кв.мм. Сразу встав вопрос “Почему? Судя по мощности должен быть кабель 10 кв.мм”. Подключил десяткой. Обратил внимание что внутри (после клеммной колодки) монтаж выполнен шестеркой. Десятка не греется, шестерка греется. Два раза помылся. Обратил внимание на появившееся подплавление корпуса сверху. Открыл.
Клемма с винтом на медной трубке сверху справа хорошо почернела, пластиковая оболочка клеммы и примерно 5 мм изоляции на питающем проводе около винта расплавилось (провод от правой клеммы колодки – нейтраль). Как понимаю, таким пользоваться нельзя, хотя греет воду нормально. В чем проблема?
Прежде всего – проблема в клеммах. Старую нужно выкинуть, купить новые хорошие, провод подгоревший откусить и заново зачистить. Клеммы нужны хорошие, на ток от 40А, винтовые и Ваго тут не подойдут.
Лучший вариант – клеммная колодка (черная), которые я например применял при подключении реле напряжения Барьер .
Так с клемником все нормально, не нормально с винтиком на медной трубке над клемником (на ваших фото над надписью “Датчик протока”, туда подходит короткий отрезок провода от клемника поставленный производителем). Под клеммой в вопросе понимаю обжатый наконечник под винт на питающем проводе. Менять внутреннюю проводку от производителя на более толстую обжимая концы наконечниками как это сделано у производителя? Оно как-то получается неправильно.
С питающим проводом до клемника проблем нет.
Это клемма ТЭНа. Видимо, плохо был обжат наконечником провод.
Если будете обжимать заново (а без этого не обойтись), то конечно лучше взять провод чуть толще.
Т.е. считаете достаточно будет взять кусочек многожилы, клеммы, обжать и поставить предварительно почистив, затянуть хорошо? И можно пользовать без проблем? После таких штук от производителя как-то даже боязно, пожара не наделать. Вторая клемма внизу нормальная, тот кусочек по идее тоже надо на более толстый менять.
Или лучше посмотреть проточник другого производителя, поприличнее. Кого порекомендуете (возможно даже немного меньше мощности)?
Или соединять – надо пайкой или сваркой
(чтобы минимизировать сопротивление в месте контакта).
Пайка, сварка – вещи хорошие, но не на заводском винтовом соединении.
Здравствуйте. Помогите разобраться.термех работал нормально.щас даже при выключенным состояние греет,трубы горячие постоянно.это может быть из за плохой воды? Или что с ним? Так как он установлен на даче а там вода не совсем чистая.
Температуру на минимум, а он продолжает греть? Или неисправен датчик, или реле.
Вода идет горячая – значит, тэны работают нормально.
Здравствуйте!У меня нагреватель THERMEX_System.Сгорело силовое реле,можно ли заменить его на пускатель(или контактор)Поставил исправное реле – на управляющих контактах не пропадает напряжение при выключении воды…Что делать?
Можно заменить на любое, лишь бы подходили габариты, напряжение катушки, и ток контактов.
Хотя, не всегда. Нужно учесть, что через катушку этого реле питается реле протока.
Если не выключается реле, вероятно реле протока находится не в режиме, или неисправно.
Реле поставили точно такое?
Здравствуйте, проточный термекс на 5Квт работал 3 года ( в периоды опрессовки) и вот в этот раз замолчал. Не срабатывает на проток. Проверил магнитом так как там видимо геркон, на магнит отлично включактся. Что может быть. Там поплавок с магнитом внутри? Как можно это починить?
Здраствуйте у меня проточный водонагреватель сименс на 18 квт, подскажите пожалуйсто бежит только еле тёплая вода,что может быть сним??
Либо сильно большой поток, либо слабый нагрев.
По нагреву – сначала надо замерять напряжение.
Здравствуйте,проточник термекс стрим,родной выключатель прослужил года два,то что можно купить в магазине,неделю,последний вообще,два дня,поменял уже штук пять,как с этим бороться.Где купить нормальный,живу в приморье.
Можно поставить внешний.
Например, использовать в качестве выключателя автоматический выключатель (автомат).
А то, что горит – возможно, проблема в клеммах, и выключатель перегревается.
Скажите пожалуйста, у меня etalon system 6kw. КОгда закрываю кран горячей воды аппарат этот сразу не выключается, кипит пока не сработает датчик температуры
И еще, когда закрываю кран на входе в ЭВН тоже не гаснет индикатор. Можете обяснить, аппарат новый
В нагревателе неисправен датчик протока. Он должен контролировать наличие потока воды, и если его нет, но ни в коем случае не включать ТЭНы.
Посмотрите на фото в статье, этот датчик показан.
В принципе, водонагревателем пользоваться можно, вот только каждый раз, перед закрытием крана воды, выключать питание.
Спасибо за совет, кстати сегодня я решил эту проблему. Оказалась проблема в ГЕРКОНе, припаял геркон из старой муз.ионики))) отлично реагирует здорово получилось. Советую всем кто хочет приобрести такой прибор, перед запуском немножко доработать и лучше сразу поменять герконовый датчик(родные герконы 80% бракованые, то не включит, то не откл, то щелкает и отключится, короче опасно для жизни)
Добрый день. Установил Thermex system series 800. Поворачиваю кран. Реле 2-3 раза щелкает, диод соответственно 2-3 раза моргает и больше ничего не происходит. Воду не греет. Не подскажете в чем может быть причина? Спасибо.
Это срабатывает цепь защиты. Смотрите по схеме – тепловые датчики Т1, Т2, и реле датчика протока Р. Что-то из этого барахлит, можно прозвонить и временно замкнуть, чтобы проверить работу.
А потом заменить.
А что например прозвонить и замкнуть? Гарантия кончилась. Мастеров по близости нет.
У вас та же проблема, датчик протока(геркон) продёргайте и проверьте.
Подергал. Ничего не происходит. как проверить? Спасибо.
Лучше отнесите прибор телемастеру, пусть вскроет датчик протока (геркон) и заменит на другой геркон и всё
Антон, нужен мультиметр и инструменты, без этого такие приборы не ремонтируются.
Нужно прозвонить мультиметром геркон? И если он неисправен заменить. Правильно понял?
Не только. Смотрите мой комментарий за 18 апреля.
Спасибо. Геркон мозги парил.
Отлично, очень рад!
Кто не в курсе, уточню – геркон это и есть датчик протока воды.
ну да я прочитал. они его закрепили неправильно.
Подскажите,пожалуйста,если не трудно дайте схему.Суть, стоял двуклавишный переключатель два положения вкл выкл 1 тен.вкл выкл 2 тен.
Такого найти не смог.купил одинарный но двухпозиционый 1/0/2 тоже 6 контактов как переставить провода?,в электрике не силен,но где фаза где ноль разобрался.
Надо разбираться со схемой нового выключателя. Он на 3 положения? Верх, нейтральное, нижнее?
Верх замыкается 1 тен, низ – 2 тен.
Да на три положения, надо сделать чтобы на втором положении включались оба тена.
Привет.при закрытом кране на выходе гор.воды тены не отключаются в чём причина?
Привет, с 1 Мая! Это датчик протока воды (геркон) неисправен.
Смотрите комментарии чуть выше, 16-22 апреля 2017.
Здравствуйте!Речь о Термексе-6кВт-система,датчик протока стал включаться только при очень большом давлении воды,хотя раньше включался даже при небольшом протоке.Что включает геркон?Поплавок-магнит?Как он выглядит и может ли он терять плавучесть?Как отремонтировать?
Добрый вечер! Установлен thermex system. На третий год появилась проблема: – при включении сначала идёт горячая вода (3-5с) потом еле тёплая, приходиться делать очень маленький напор воды чтобы текла более менее тёплая вода. В чем может быть проблема ?
Спасибо!
Засорение, известковый налёт, и поэтому плохая теплоотдача.
Примерно так и догадывался!
Спасибо.
Какие варианты чистки Вы порекомендуете в домашних условиях?
Слабый раствор уксусной или лимонной кислоты, прокипятить.
Перестал работать термекс 350 стрим после того,как подгорела розетка в которую он был включен(засверкала).Теперь нагреватель не включается…Вскрыла-внутри все чистенько контакты не обгорели,пробоев нет.Что делать? Думаю,что сработал термодатчик,но у него нет сброса(во всяком случае я не нашла),подскажите,пожалуйста,как быть
Ирина, нужен человек, который может работать с приборами и инструментами, и читать электрические схемы.
Вы считаете,что нужно прозонить оба датчика и колбу с тэнами?
Здравствуйте, Александр. В термех систем при выключении воды индикатор гаснет, а нагрев не прекращается. Правильно я понимаю, что реле не отключает ТЭН, который не подключен к индикатору. Если да,
То замена реле?
Да, видимо, в реле залипли контакты.
Но прежде, чем покупать и менять его, нужно в этом убедиться. Кроме того, убедиться, что напряжение с реле снимается.
При подаче воды на System 600 трудно найти устойчивое положение для включения датчика потока. При регулировании расхода(краном)он то включается , то выключается(щелкает). Может это связано с наличием в подводке к нему гибких шлангов?
Добрый день. Установили на даче новый проточник zanussi, а он не греет. Вода подается из емкости сверху. Напор – самотек. Предполагаю, что давления воды не хватает. Можно ли как-то обойтись без этого геркона?
Ни в коем случае! Если прибор новый, то вмешательство в схему сразу лишает гарантии. Прежде всего, обратитесь к инструкции по установке, и проверьте, всё ли правильно.
Второе- обратитесь к продавцу, возможно, проточник неисправен.
По давлению – наоборот, если слабый напор, то воде греться легче, и она будет идти из крана более горячей, чем при обычном напоре.
Сложно ошибиться в установке. Вход воды подключили, розетка исправная. Через нагреватель вода течет слабым напором. Минимальное давление воды на входе должно быть 0.07МПа. Как его измерить – даже не знаю
Вопрос. Можно просто без всех датчиков потключить Проточный водонагреватель Termex System напрямую тупо 2 провода на тен. Включил воду потом включил тен и пошла горячея вода. Подачю воды можно регулировать обычным краником до тена .
Можно. Но очень осторожно!
Всю ответственность берёте на себя!
Здравствуйте,в очередной раз меняю клавишный переключатель на термекс стрим в этом раз поставил с потекшего полариса,магазинных поменял штук 10 точно,получается ерунда какая-то.Сначала поставил цифрами вниз слева |справа||,вообще не работает перевернул выдернув провода,теперь первый тен работает не включая воду,аесли включить только второй всё нормально,может датчик потока так сломаться,или я с проводами напутал? Помогите пожалуйста!
Надо разобраться в схеме (есть в статье) и прозвонить выключатель, определив его схему.
Почему меняли 10 переключателей? Горят? Значит, надо чистить контакты и менять клеммы.
ПОДСКАЖИТЕ НОМИНАЛ РЕЗИСТОРА R100 ВЗОРВАЛСЯ TERMEX ID80H Спасибо
А где в проточном нагревателе резистор? Не видел ни одного.
Разве что ТЭН имеет свойства резистора, его сопротивление – несколько Ом, можно высчитать по закону Ома, зная мощность.
А, понял, Вы про накопительный. Статья про него вот: https://samelectric.ru/komponenty/remont-nakopitelnogo-nagrevatelya-termeks.html Почему было не задать вопрос там))) Завтра посмотрю, напишу.
Кстати, силовая плата лежит без дела, могу подарить.
Добрый день! Вышел из строя выключатель тумблер! Решил поменять но в продпже нет такого ! Взял немного другой модификации и тоже двухкопочный! Только на задней панели по 4 выхола с каждой из сторон а у меня сейчас по три выхода из каждой из сторон! Но в родном тумблере почему то два верзних соединены черным проводом межлу собой! Я так понимаю они не играют роль? Емои я без нтх поставлю новый тумбоер! Спасибо
Видимо, имеющаяся перемычка ставилась для снижения того тока, что будет протекать через выключатель. Если ваша нагрузка потребляет меньший ток (чем номинальный для выключателя), то можете эту перемычку просто удалить.
Т.к. эффекта от неё (заметного) не будет.
Термекс систем. Последний раз пользовались в прошлом году. ну на время отключения гор воды. Жили еще тогда квартиранты… когда они сьехали, к сожалению работу на проверял, была вода горячая уже к тому моменту. Я отключил автомат. Настал черед для нового включения, термекс не подает признаков жизни. Дифавтомат я заметил был в положении включен, кто то сунул свой нос в автомат… кнопка тест срабатывает.
Как проверить жива ли проточка? какой алгоритм?
Получается, выбивает дифавтомат? Значит, фаза где-то утекает на землю. Скорее всего, в районе ТЭНа.
Первым делом надо снять клеммы с ТЭНА, если выбивать перестанет, то надо менять ТЭн.
Либо, как вариант, вместо УЗО ставить простой 2п автомат. Но это на вашу ответственность.
Приветствую, Александр! Проточник Thermex Stream 700. Сломались оба включателя-кнопки. В магазине взял подобный с подсветкой “KCD2-5-2101N R/B 2” http://www.acko.ua/e-store/xml_catalog/2365/17949/ – идеально подходит к передней панели и сзади по три выхода с каждой стороны. После замены при включении любой из кнопок такое ощущение, что греют ОБА тена (хотя должен греть один и горит одна кнопка) – вода очень горячая, просто кипяток. То ли лыжи не едут, то ли я … Некогда особо разбираться и прозванивать что там к чему – решил отсоединить клеммы на одном из выключателей, чтобы включался один тен. Теперь собственно вопрос: выключатели имеют по три парных выхода, к которым подключены клеммки с проводами в порядке сверху вниз – черный, красный, зеленый. При этом два верхних соединены черным проводом между собой. Если я отсоединю допустим один из выключателей, т.е. сниму красный и зеленый провод, а черный оставлю – этого будет достаточно? Или, пардон, черный это фаза? Тогда почему замкнута на обе кнопки. В принципе уже проверил со снятыми всеми тремя проводами с контактов, да действительно работает теперь один тен. Но непонятно нужен черный провод на второй кнопке или снять… Не совсем понимаю его функцию – не дай бог заземление какое нить отключу и вместо душа получится электрический стул…
В статье есть схема. На выключатели ТЭНов приходит фаза – черный провод.
Далее фаза коммутируется на 1, и на 2й ТЭН.
Почему фаза замкнута на обе кнопки? Потому же, почему так сделано в двухклавишном выключателе в любой квартире.
Можно снять клемму с одного из ТЭНов.
Черный провод можно и снять, только лучше заизолировать.
Я бы начал с того, что прозвонил и уточнил схему выключателя. А схема самого проточника, повторюсь, есть в статье.
Удачи, и помните, что безопасность превыше всего!
Добрый день! можно ли установить один из термексов, если в доме нет подачи горячей воды. То есть труба в принципе одна – холодная. Или где можно приобрести соответствующий смеситель (имеется старый нагреватель, смеситель сломан),есть информация, что в нем должны быть какие-то спец втулки, чтобы в момент открытия крана, вода замещалась холодной, проходя через этот же смеситель.
Заранее благодарю.
Мария, в начале статьи есть ссылка, там подробно – как установить.
Сейчас это всё делается легко, почти даже инструмента не надо.
Смеситель ставить обычный, с двумя кранами, на горячую и холодную воду. Горячая – через проточник, холодная – напрямую.
По спец.втулкам – да, можно поставить обратный клапан, но это сложно и дороже. И регулировать температуру как?
Подскажите пожалуйста куда смотреть. Перестал работать Thermex Stream 700. Думал дело в 2-х позиционном выключателе, но он звонится на красном и зеленом проводе (средний и нижний контакты). Странно что фаза при этом приходит на черный провод (верхний контакт) и этот черный ни с кем не созванивается при включенной клавише. Это так и должно быть? Спасибо.
На схеме фаза идет через тепловое реле, потом на датчик давления и через выключатель на тэны. На самом деле, в натуре, фаза приходит сразу на тэн видимо, а логистика сделана через ноль. Кто может объяснить подробно, не сочтите за труд, а? Спасибо.
Возможно, оборван ноль .
Как проверяете наличие фазы? Второй щуп вольтметра куда подключаете? Он должен быть подключен к нулевой клемме на входе нагревателя.
Здравствуйте! У меня thermex stream. Выход заведён в горячую трубу.
Отключили горячую воду, решил им воспользоваться. Перекрыл трубу ГВС. Открыл краны водонагревателя: вход на холодной трубе, выход на горячей. Включил его. Открыл кран в ванной. Работает, течет теплая вода. Потом одновременно открыл кран на кухне и горячая вода перестала идти. И на кухне и в ванной. Нагреватель работает. Греет. А вода из него трубу ГВС не поступает. Ума не приложу, что делать! Посоветуйте, пожалуйста
Александр,здравствуйте.Termex System 600.При открывании крана горячей воды,слышно щелчок рале(замыкаются контакты,начало работы ЭВН),загорается индикатор,но тут же второй щелчок(размыкаются контакты,конец работы ЭВН),индикатор гаснет.Так может продолжаться несколько раз.Но я настойчивый и раза с седьмого-десятого всё получается:реле срабатывает,процесс нагрева воды пошёл.
Подскажите,пожалуйста,в чём проблема и как её победить.
ЭВН в квартире,пользуемся на время опрессовки системы ГВС,т.е. два раза в год по десять дней.Первый сезон работал на 5,правда жужжало реле(сказали заводской брак),реле заменили и всё работало тихо и замечательно,но не долго.
Надо разобраться, что это щёлкает- любо реле протока, либо датчик температуры, либо датчик перегрева.
Для этого не обойтись без мультиметра.
Александр,здравствуйте.Может ли быть причиной некорректной работы ЭВН то.что он подключен к системе гибкой подводкой?
Нет, не может. Если соединение надежное и правильное, всё будет работать.
Если сомневаетесь, измерьте напряжение на входе ЭВН и в схеме.
Добрый вечер!Termex System 600,продолжает работать при закрытии крана,и до момента пока не срабатывает датчик нагрева,и это было стабильно раз в месяц или полтора,то есть приходилось потом открывать его и нажимать на кнопку сброса. А последнее время я закрываю воду он продолжает работать,потом отключается(но при этом датчик нагрева не срабатывает)и так может вкл.и выкл. несколько раз сам по себе а уже потом срабатывает датчик нагрева.
Подскажите,пожалуйста,в чём проблема и как её решить
Скорее всего, проблема в датчике протока. Нагреватель понимает, протекает через него вода, или нет, только на основании работы этого датчика.
спасибо!а самому можно что то сделать или лучше вызвать мастера?
как оказалось вся проблема в реле,подгорело немного и залипает,походу на 6 киловатный тен оно слабенькое!!
Чтобы работал датчик давления воды на входе в колбе с ТЭНом маленькое отверстие — приблизительно 2мм. Отсюда и слабый поток на выходе. Толщина стенок медной колбы — 3мм. ТЭН закрытый. За пять лет эксплуатации накипи внутри нет. Тоже думал. Что что-то попало и распилил колбу. Зря. Теперь думаю как спаять обратно. Пытался распаять сначала, нагрел до 150° — то, чем припаяны торцы колбы даже не размягчилось. Пришлось пилить. Выключатель плавился два раза. Выкинул его и включил напрямую, оставил только неонку, как индикатор включения. Включал через пускатель.
Здравствуйте. Возможно ли переделать Thermex Stream в Thermex System? Чтобы он отключался при закрытии общего смесителя. Может какое реле есть?
Датчик протока воды есть и в том, и в другом нагревателе.
Я так понимаю, при закрытии смесителя именно датчик протока отключает нагрев.
Бред! В sistem нет датчика протока,а есть датчик давления. Включаются принципиально по-разному.Переделка нецелесообразна!
По соображениям безопасности, чтобы исключить превышение давления в случае закипания из-за уменьшения расхода/разбора воды, кран в Stream ставится ДО нагревателя и в инструкции это оговорено. В накопительных нагревателях есть термореле на температуру нагрева воды в баке от 50º до 80º и на выходе обязательно ставится аварийный клапан по давлению со сбросом. Во всех системах есть термопредохранитель по закипанию. Нельзя гарантировать надёжность системы с проточным нагревителем с запиранием по выходу — датчик не сработает и внутри вода закипит. Где тонко — там будет авария и потоп.
Выход: поставьте накопительный нагреватель вторым к проточному с отдельной трубой и своим краном — он поддерживает любой расход воды, даже самый малый. Оправдано в отсутствии канализации и газа.
Здравствуйте, вопрос к автору материала, не могли-бы подсказать, если возможно. У меня 5ти киловатный аппарат с THERMEX STREAM 500 Проблематика такая, при включении выключателя (что на один тэн, что на второй) и подачи напора воды происходит короткое замыкание (искры и узо отключает подачу тока). Решил мультиметром прозвонить концы, что идут в саму розетку на предмет замыкания (на концах у меня штепсельная вилка), на предмет замыкания, конечно прозванивал без 220В Один штекер вилки звониться с другим штекером при, первое, протоке давления воды (без протока не звониться, значит датчик протоки функционирует), второе, вилки штепселя замыкаются, что при включении одного (1,5квт), что второго (3,5квт) выключателя тэнов. Причём прозванивается без какого-либо намёка на сопротивления (на индекаторе мультиметра 0 даже на делении 200k). Полагаю, это проблемма в выключателе, верно? или же дело в ином.
Если нужны доп.уточняющие вопросы, – напишите…
Прозванивать нужно в первую очередь ТЭНы. Их сопротивление – несколько Ом, можно посчитать исходя из мощности.
Вторая очередь – монтаж, оплавление изоляции или пластика.
От выключателя по любому кз не будет.
Кто подскажет (THERMEX STREAM 5кВт два выключателя) Отсоеденил выключатели, прозваниваю мультиметром на замыкание Красные провода с чёрным не звоняться, а при присоедении зелёного идёт прозвон на сопротивление 0 по мультиметру Вопросы: – нулевое-ли сопротивление должно быть при этом или всё-же должно присутствовать определённое сопротивление? (шкала делений на мультиметре 2000 ом)
– выходит, что выключатель соединяет зелёный с красным и чёрным, потому как с него идёт фаза, верно?
щупы мультиметра ставлю на синем и красном проводах на клемнике, а замыкаю в ручную заместо разъёмов выключателя
Источник

Вам также может понравиться
