Ручная и автоматическая регулировка температуры в помещении от современных источников отопления производится при помощи терморегуляторов или термостатов.
Они бывают механическими и электронными. У каждого из них есть свои плюсы и минусы.
По своему внешнему виду они все очень похожи друг на друга, однако схемотехника у них отличается.
Давайте подробнее рассмотрим особенности подключения терморегулятора к газовому котлу, его схему, ошибки и возможные проблемы при эксплуатации подобных устройств.
Чтобы правильно выбрать нужную модель термостата переверните его и внимательно изучите обратную сторону. А именно — схему, надписи и контактные колодки.
Если там будет указано “Dry Contact” (сухой контакт) – вы сделали правильный выбор. Так обозначаются терморегуляторы, предназначенные для работы с газовыми котлами.
Термин “сухой контакт” говорит, что в любом состоянии напряжение на этих зажимах отсутствует. То есть, подача питания 220V на колодки L и N термостата, никак не будет связана с сухими контактами, и напряжение туда никогда не попадет.
В отличие от терморегуляторов тёплого пола, как на схеме ниже. У них контакты подачи питания (3-4) и нагрузки (1-2) соединены напрямую между собой.
Зачем вообще нужна эта штука для газового котла? Без такого программатора, котел после выхода на заданную температуру будет работать с задержкой примерно в 3 минуты.
Включился, поработал, набрал температуру и потух. Через три минуты заново включается и все повторяется по новому циклу. За сутки устройство будет запускаться около 200-240 раз.
Таким образом, за весь отопительный сезон газовый котел включится-отключится 40 000 раз. Подключив терморегулятор, вы в несколько раз сокращаете эти коммутации, добиваясь тем самым не только экономии газа, но и уменьшаете износ отопительного оборудования.
Логика работы здесь следующая. В заводских настройках котел греет воду по температуре теплоносителя.
Устанавливая выносной термостат, мы тем самым даем ему команду, греть воду не так как хочется котлу, а согласно настройкам терморегулятора, т.е. на определенную температуру в том или ином помещении.
При нормальном утеплении дома и минимальных теплопотерях, газовый котел с терморегулятором в сутки будет работать всего 3-4 часа. 
Если термостат после установки никак не повлиял на время работы котла, то скорее всего на газовом приборе выставлена меньшая температура, чем необходимо. Датчик регулятора просто не успевает прогреться до нужного значения и сработать, в то время как t теплоносителя уже достигла заданного порога.
В инструкциях отдельно прописывают минимальную t на котле при использовании внешнего термостата. Как правило, она должна быть не меньше 65 градусов.
Изначально на отопительном приборе рекомендуют выставлять расчетную температуру, которая полностью покрывает теплопотери здания. Когда эти теплопотери не известны, для стандартной системы отопления берут значения от 60 до 70С.
Если вы проживаете в относительно теплом климате, и зимой температуру в батареях не поднимаете выше 45С, для работы с термостатом ее все равно придется увеличить.
Некоторые задаются вопросом, а какой тогда смысл в установке регулятора и как это приводит к экономии?
Из-за того, что температура получится больше, ничего страшного нет:
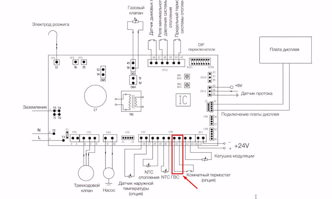
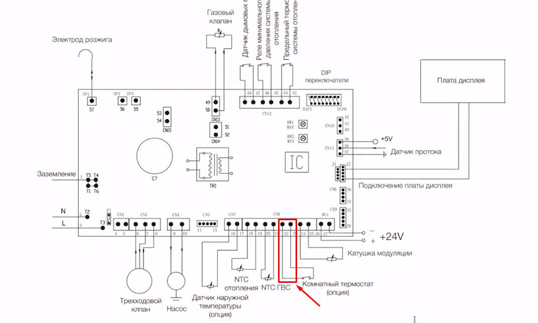
Для подключения термостата от клеммной колодки котла к контактам Dry Contact вам нужно подвести два проводника.
По инструкции рекомендуемое сечение медных жил – не менее 0,75мм2.
Длина кабеля до места установки термостата не должна превышать 50 метров.
Необходимые клеммы на самом котле ищите в инструкции завода изготовителя, либо ориентируйтесь по надписям на колодках.



Данные клеммы чаще всего расположены с обратной стороны платы управления.
Однако иногда производители их выносят за пределы платы.
Еще некоторые монтажники при установке подключают сюда кабель и выводят его наружу, чтобы потребитель в дальнейшем не лез к плате и чего-нибудь там не напутал. Так как термостат еще не установлен, концы кабеля закорачивают.
Кстати, с этой выносной колодкой будьте внимательны. Некоторые потребители сталкивались с проблемой заводского перепутывания проводов, как например у Protherm (Протерм).
В итоге все начинало работать как надо, только при обратном подключении.
Изначально между клеммами стоит перемычка. Если перемычку разорвать, то газовый котел просто-напросто перестанет работать.
При подключении термостата заводскую перемычку демонтируют и на ее место заводят кабель, проложенный до места установки терморегулятора. Самое главное никаких внутренних настроек на котле изменять не нужно.
Через эти контакты подается управляющий импульс низкого напряжения (обычно 24В).
У нас есть управляющее устройство (термостат) и ведомое (котел). Между ними по слаботочной линии постоянно происходит передача набора запросов-ответов.
Принцип работы здесь простой – замыкая сухой контакт, мы тем самым разрешаем работу котла, размыкая – прерываем передачу данных и запрещаем. Замыкание и размыкание происходит через реле термостата, в зависимости от выставленной температуры на устройстве и сравнения текущих показателей в комнате.
При срабатывании сначала отключается горелка, затем через определенный промежуток (время выбега насоса) и циркуляционный насос. Хотя в разных моделях алгоритм работы насоса может отличаться.

Не желательно, чтобы насос отключался сразу же после срабатывания термостата. В этом случае выставьте в меню выбег от 5 до 10 минут. Тогда вся система отопления будет остывать равномерно и промежутки времени срабатывания автоматики увеличатся.
На дорогих моделях, поддерживающих протокол OpenTherm, через выносной программатор можно управлять многими встроенными параметрами котла, а не только его включением-отключением.
Вот наглядные примеры, куда подключать термостат для разных моделей котлов:


















А что будет, если терморегулятор выйдет из строя? Как в этом случае поведет себя котел?
Все зависит от того, в каком положении останется сухой контакт. Если замкнут — ничего страшного не случится. Котел просто начнет работать по своей последней заданной программе.
Если разомкнут, то отопление не запустится и работать не будет.
Обратите внимание, что на работу горелки в режиме горячего водоснабжения термостат не влияет.
На контакты питания терморегулятора заводится напряжение 220V – фаза и ноль (L и N). Это можно сделать как от отдельной розетки или распредкоробки, так и взять их непосредственно с самого котла.
На регуляторе с сухими контактами без разницы, куда заводить фазу или ноль, а вот на моделях для эл.теплых полов это играет существенную роль в вопросе безопасности эксплуатации.
Так как при неправильном подключении разрываться будет только нулевой проводник, а фаза будет постоянно дежурить на кабеле обогрева.
Кстати, для газового котла можно использовать и другой простейший тип регулятора, на который даже не придется подавать напряжение 220В. Например, механический термостат Termec Emmeti или другие подобные модели.
Вот «обычная» схема подключения Termec.
Вам же нужно задействовать только нормально замкнутые контакты 1 и 3, полностью исключив переменку 220В (L и N).
Встроенный датчик при изменении температуры в комнате будет замыкать и размыкать внутренний контакт. Никакого питания ему не нужно. При этом вся логика работы отопления аналогична рассмотренной ранее.
Только не забывайте, что практически у всех механических моделей очень большой гистерезис. Комфортную температуру в помещениях с их помощью не создашь. 
Поэтому по возможности выбирайте электронные девайсы с подключением по WiFi. Благо в наше время у китайцев можно найти очень достойные и недорогие варианты.
Например, такие как этот (тысячи довольных покупателей и положительных отзывов).
Подробнее
В некоторых моделях есть контакты, обозначенные как NO (нормально открытые), NC (нормально замкнутые) и COM (общий). Кто-то советует подключать через них, а именно через NC и COM.
Однако будьте осторожны, термостат термостату рознь и всегда изучайте инструкцию. Через них может также подаваться переменное напряжения 220V, и вы тем самым запустите фазу на плату управление куда не нужно.
Вот яркий пример таких многофункциональных регуляторов Fluoreon и Beok.


На многофункциональных устройствах, температура в комнате также определяется при помощи встроенного температурного датчика.
Однако у них на корпусе есть клеммы для подключения и внешнего (Sensor). Он чаще всего используется для теплых полов.
Как известно, температура воздуха в помещении с традиционными системами обогрева на радиаторах, прогревается неравномерно. Возле пола она ниже, под потолком выше.
Исходя из наличия в терморегуляторах именно встроенного температурного датчика, их высота установки регламентируется.
Размещать такие термостаты нужно на высоте 1,2-1,5м от уровня пола и как можно дальше от источников обогрева, в том числе защищать от попадания прямых солнечных лучей.
Также не рекомендуется ставить термостаты в коридоре или на кухне.
Зачастую потребители задаются вопросом, а можно ли использовать стандартный терморегулятор от теплых полов на 220В для работы с газовым котлом?
Вдруг вы не нашли специальный термостат с сухими контактами, а модель от теплых полов у вас уже есть в наличии. Такое подключение возможно.
Однако для этого вам понадобится “развязать” напряжение 220V. В большинстве термостатов теплых полов оно приходит на клеммы питания и далее снимается с клемм, отходящих на кабель обогрева. А как говорилось выше, при работе с газовым котлом используются “сухие контакты”, по которым передаются импульсы низкого напряжения.
Если вы напрямую подключите сюда кабель с платы управления котла, то спровоцируете короткое замыкание и выведете из строя свой котел.
Для безопасного подключения в схему придется добавить промежуточное реле или дополнительный контактор с нормально открытыми контактами.
С клемм термостата вместо кабеля теплого пола подаете напряжение 220В на катушку реле (контактора), а уже через его нормально открытые контакты (1-2 или 3-4), подключаете провода на газовый котел. 
Принцип работы здесь такой же, как был рассмотрен ранее. Однако имейте в виду следующую особенность.
Так как это термостат все-таки для теплых полов, то скорее всего он будет работать по схеме: датчик воздуха + датчик пола. А значит потребует от вас установки и выставления ограничения температуры по датчику пола, которого у вас не будет.
Поэтому в настройках придется отвязать датчик пола и оставить в работе только датчик воздуха. Как это сделать, подробно читайте в инструкции к своей модели. У разных девайсов могут быть отличия.
Например, у Devi Touch для этого приходится ломать на задней стороне специальную перемычку.
Дабы не иметь всех этих сложностей и проблем, лучше все-таки изначально выбирать правильную модель терморегулятора.
При наличии в отдельных комнатах водяного теплого пола, который может быть запитан от того же газового котла, нужен несколько иной тип терморегулятора. Его необходимо подключать к сервоприводам на распределительном коллекторе.
Обратная сторона такого устройства выглядит следующим образом.
Если у вас сервопривод нормально закрытый, то жилы кабеля заводятся на клеммы 1 (Close или NC) и 3 (N-ноль или COM). Если нормально открытый – 2 (Open или NO) и 3 (N-ноль или COM).
Принцип работы здесь следующий. Когда в системе установлен нормально открытый сервопривод и при этом на питающем кабеле происходит прерывание подачи напряжения, сервопривод открывает проток. В нормально закрытом, ситуация противоположная.



При этом не путайте, это не какое-то реле или эл.магнитный привод, который при подаче напряжения 220В перещелкивается и моментально переходит в другое состояние. Это термоэлектрический привод, который открывает-закрывает клапан постепенно.
Поэтому, если вы захотите испытать работоспособность подобного устройства, не удивляйтесь, что он сразу же не среагирует на подачу сигнала и моментально не перекроет поток.
Подключение питания термостата осуществляется на колодках L и N. На боковых клеммах заводится кабель выносного температурного датчика в полу.
Источник
