TL431 – datasheet на русском. TL431 представляет собой регулируемый стабилизатор напряжения параллельного типа (интегральный аналог стабилитрона) и предназначен для использования в качестве ИОН и регулируемого стабилитрона с гарантированной термостабильностью по сравнению с применяемым коммерческим температурным диапазоном.

Выходное напряжение может быть установлено на любом уровне от 2,495 V (VREF) до 36 V, для этого применяются два внешних резистора, которые являются делителем напряжения.
Этот стабилизатор имеет широкий диапазон рабочих токов от 1,0 мА до 100 мА с динамическим сопротивлением 0,22 Ом. Активные выходные элементы TL431 обеспечивают резкие характеристики включения, благодаря чему эта микросхема работает лучше обычных стабилитронов во многих схемах.
Погрешность опорного напряжения ± 0,4% (TL431B) позволяет отказаться от использования переменного резистора, что экономит затраты и уменьшает проблемы дрейфа и надежности.
Особенности TL431
- Программируемое выходное напряжение до 36 V
- Точность опорного напряжения: ±0.4%, Typ @ 25°C (TL431B)
- Низкое динамическое выходное сопротивление, 0.22 Ом
- Рабочий ток от 1,0 мА до 100 мА
- Эквивалентный температурный коэффициент 50 ppm/°C
- Термостабильность во всем диапазоне рабочих температур
- Низкий выходной шум
- Без содержания свинца
Электрические характеристики TL431
- Входное (опорное) напряжение 2.495 V
- Рабочий ток от 1 мА до 100 мА
- Выходное напряжение от 2.495 до 36V
- Входной ток 1.8 µA
- Динамическое сопротивление 0,22 Ом
Цоколевка TL431
TL431 выпускается в нескольких корпусах

Схемы включения TL431
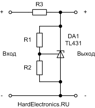
Напряжение на выходе этой схемы будет равно напряжению внутреннего ИОН TL431, то есть 2.5 V.

Схема ниже заменяет обычные стабилитроны с напряжением стабилизации от 2.5 до 36 вольт. Изменяя номиналы резисторов в делителе напряжения (R1, R2) можно менять выходное напряжение.

Рекомендованный максимальный ток для TL431 — 100 мА. Если нужен более мощный стабилитрон, можно использовать следующую схему. Максимальный ток будет зависеть от применяемого транзистора.

На рисунке ниже представлена схема компенсационного стабилизатора напряжения последовательного типа. По сравнению с предыдущей схемой, такой стабилизатор отличается меньшим входным сопротивлением, большим коэффициентом стабилизации, большим выходным током.

Одной из типовых схем включения TL431 является стабилизатор тока.

С помощью TL431 можно увеличить выходное напряжение стабилизатора 7805 и ему подобных.

На следующем рисунке изображена схема индикатора напряжения. Светодиод будет светиться, когда контролируемое напряжение находится между верхним (устанавливается R3,R4) и нижним уровнем (R1,R2).

Компаратор с температурно-компенсированным порогом.

Как работает TL431

Если управляющее напряжение превышает 2.5 вольта (внутренний источник опорного напряжения), выходной транзистор TL431 открывается, в результате чего между катодом и анодом TL431 протекает ток. Если управляющее напряжение меньше 2.5 вольт, то ток между катодом и анодом не протекает (вернее он очень маленький).
Источник
TL431 datasheet, TL431 схема включения

Про светодиоды уже написал достаточно много, теперь читатели не знают как их правильно и питать, чтобы они не сгорели раньше положенного срока. Теперь продолжаю ускоренно пополнять раздел блоков питания, стабилизаторов напряжения и преобразователей тока.
В десятку популярных электронных компонентов входит регулируемый стабилизатор TL431 и его брат ШИМ контроллер TL494. В источниках питания он выступает в качестве «программируемого источника опорного напряжения, схема включения очень простая. В импульсных блоках питания на ТЛ431 бывает реализована обратная связь и опорное напряжение.
Ознакомитесь с характеристикам и даташитами других ИМС применяемых для питания LM317, TL431, LM358, LM494.

- 1. Технические характеристики
- 2. Схемы включения TL431
- 3. Цоколёвка TL431
- 4. Datasheet на русском
- 5. Графики электрических характеристик
Технические характеристики
Широкое применение получила благодаря крутости своих технических характеристик и стабильностью параметров при разных температурах. Частично функционал похож на известную LM317, только она работает на малой силе тока и предназначена для регулировки. Все особенности и типовые схемы включения указаны в datasheet на русском языке. Аналог TL431 будет отечественная КР142ЕН19 и импортная К1156ЕР5, их параметры очень похожи. Других аналогов особо не встречал.
Основные характеристики:
- ток на выходе до 100мА;
- напряжение на выходе от 2,5 до 36V;
- мощность 0,2W;
- температурный диапазон TL431C от 0° до 70°;
- для TL431A от -40° до +85°;
- цена от 28руб за 1 штуку.
Подробные характеристики и режимы работы указаны в даташите на русском в конце этой страницы или можно скачать tl431-datasheet-russian.pdf
Пример использования на плате
Стабильность параметров зависит от температуры окружающей среды, она очень стабильная, шумов на выходе мало и напряжение плавает +/- 0,005В по даташиту. Кроме бытовой модификации TL431C от 0° до 70° выпускается вариант с более широким температурным диапазоном TL431A от -40° до 85°. Выбранный вариант зависит от назначения устройства. Аналоги имеют совершенно другие температурные параметры.
Проверить исправность микросхемы мультиметром нельзя, так как она состоит из 10 транзисторов. Для этого необходимо собрать тестовую схему включения, по которой можно определить степень исправности, не всегда элемент полностью выходит из строя, может просто подгореть.
Схемы включения TL431

Рабочие характеристики стабилизатора задаются двумя резисторами. Варианты использования данной микросхемы могут быть различные, но максимальное распространение она получила в блоках питания с регулируемым и фиксированным напряжением. Часто применяется в стабилизаторах тока в зарядных USB устройствах, промышленные блоки питания, принтеров и другой бытовой техники.
TL431 есть практически в любом блоке питания ATX от компьютера, позаимствовать можно из него. Силовые элементы с радиаторами, диодными мостами тоже там есть.


На данной микросхеме реализовано множество схем зарядных устройств для литиевых аккумуляторов. Выпускаются радиоконструкторы для самостоятельной сборки своими руками. Количество вариантов применение очень большое, хорошие схемы можно найти на зарубежных сайтах.




Цоколёвка TL431

Как показывает практика, цоколевка TL431 может быть разной, и зависит от производителя. На изображении показана распиновка из даташита Texas Instruments. Если вы её извлекаете из какой нибудь готовой платы, то цоколевку ножек можно увидеть по самой плате.
Datasheet на русском

Многие радиолюбители не очень хорошо знают английский язык и технические термины. Я достаточно неплохой владею языком предполагаемого противника, но при разработке меня всё равно напрягает постоянное вспоминание перевода электрических терминов на русский. Перевод TL431 datasheet на русском сделал наш коллега, которого и благодарим.


















Добрый день. Я не электронщик но то что мне было нужно я нашел. Большое спасибо. Понравились две первые схемки (переделал схем 20, но то греется, можно чай кипятить, то тока на выходе нет), но без индикатора заряда. Помогите пожалуйста в этом вопросе. Заранее благодарен. С уважением Александр.
Проще готовый блок купить за 100-150 руб.
Мне понравилась статья и к месту об этом чёртовом TL/ Собираю БП на 30 А и было сомнение по поводу букв А и С на ней. Всё понятно, спасибо. Конечно бы схему для проверки.
С уважением Валерий К, г.Киров
Я тоже из Кирова, из Ганги.
Здравствуйте ,случилась поломка ASUS Maximus VI Extreme , нашел замкнутый F90 P02 CFD0423 вроде полевик данных не нашел , какой структуры и чем заменить не в курсе , помогите с информацией . Если что не так написал извините в первый раз советуюсь .
Источник
TL431 схема включения, TL431 цоколевка
TL431 одна из самых массово выпускаемых интегральных микросхем, с начала своего выпуска в 1978 году TL431 устанавливалась в большинство блоков питания компьютеров, ноутбуков, телевизоров, видео-аудио техники и другой бытовой электроники.
TL431 является прецизионным программируемым источником опорного напряжения. Такая популярность обусловлена низкой стоимостью, высокой точностью и универсальностью.
Принцип работы TL431 легко понять по структурной схеме: если напряжение на входе источника ниже опорного напряжения Vref, то и на выходе операционного усилителя низкое напряжение соответственно транзистор закрыт и ток от катода к аноду не протекает (точнее он не превышает 1 мА). Если входное напряжение станет превышать Vref, то операционный усилитель откроет транзистор и от катода к аноду начнет протекать ток.

Самый простейший тип стабилизатора – параметрический, можно легко построить на TL431: для задания напряжения стабилизации понадобятся два резистора R1 и R2, напряжение на которое будет ‘запрограммирована’ TL431 можно определить по формуле: Uвых=Vref( 1 + R1/R2 ). Получается чем больше соотношение R1 к R2, тем больше выходное напряжение. Микросхема фактически стабилизирует напряжение на своем входе на уровне 2,5 В. Задавшись значением сопротивления R2 и требуемое выходное напряжение, рассчитать R1 можно по формуле: R1=R2( Uвых/Vref – 1 ).
В данной схеме R3 рассчитывается точно также, как если бы использовался обычный стабилитрон, т.е. зависит от выходного напряжения, диапазона входного напряжения и диапазона токов нагрузки. Но есть и существенное отличие: в этой схеме на выход не стоит устанавливать конденсатор, так как этот конденсатор может вызвать генерацию паразитных колебаний. В схеме с обычным стабилитроном таких проблем не возникает.

TL431 цоколевка
TL431 выпускается в большом количестве разных корпусов, от древних TO-92 до современных SOT-23.
Также у TL431 имеется отечественный аналог: КР142ЕН19А.

Основные технические характеристики TL431:
- напряжение анод-катод: 2,5…36 вольт;
- ток анод-катод: 1…100 мА (если нужна стабильная работа, то не стоит допускать ток менее 5мА);
Точность опорного источника напряжения TL431 зависит от 6-той буквы в обозначении:
Видно, что TL431 может работать в широком диапазоне напряжений, но вот токовые способности не так велики всего 100 мА, да и мощность рассеиваемая такими корпусами не превышает сотен мили Ватт. Для получения более серьезных токов интегральный стабилитрон стоит использовать как источник опорного напряжения, регулирующую функцию доверив мощным транзисторам.
компенсационный стабилизатор напряжения
Принцип компенсационного стабилизатора на TL431 такой же как и на обычном стабилитроне: разность напряжений между входом и выходом компенсирует мощный биполярный транзистор. Но точность стабилизации получается выше, за счет того что обратная связь берется с выхода стабилизатора. Резистор R1 нужно рассчитывать на минимальный ток 5 мА, R2 и R3 рассчитываются, также как для параметрического стабилизатора.

Чтобы стабилизировать токи на уровне единиц и десятков Ампер одним транзистором в компенсационном стабилизаторе не обойтись, нужен промежуточный усилительный каскад. Оба транзистора работают по схеме с эмиттерного повторителя, т.е. происходит усиление тока, а напряжение не усиливается.
На рисунке представлена реальная схема компенсационного стабилизатора на TL431, в ней появились новые компоненты: резистор R2 ограничивающий ток базы VT1 (например 330 Ом), резистор R3 – компенсирующий обратный ток коллектора VT2 (что особенно актуально при нагреве VT2) (например 4,7 кОм) и конденсатор C1 – повышающий устойчивость работы стабилизатора на высоких частотах (например 0,01 мкФ).

Стабилизатор тока на TL431
Следующая схема представляет собой термостабильный стабилизатор тока. Резистор R2 является своеобразным шунтом на котором с помощью обратной связи поддерживается напряжения 2,5 В. Таким образом если пренебречь током базы по сравнению с током коллектора, то получим ток на нагрузке Iн=2,5/R2. Если значение подставлять в Омах, то ток будет в Амперах, если подставлять в кило Омах, то ток будет в мили Амперах.

Реле времени
TL431 нашел свое применение не только как источник опорного напряжения, а и во многих других применениях. Например благодаря тому что входной ток TL431 составляет 2-4мкА, то на основе этой микросхемы можно построить реле времени: при размыкании контакта S1 C1 начинает медленно заряжаться через R1, а когда напряжение на входе TL431 достигнет 2,5 В выходной транзистор DA1 откроется и через светодиод оптопары PC817 начнет протекать ток, соответственно откроется и фототранзистор и замкнет внешнюю цепь.
В этой схеме резистор R2 ограничивает ток через оптрон и стабилизатор (например 680 Ом), R3 нужен чтобы предупредить зажигание светодиода от тока собственных нужд TL431 (например 2 кОм).

Простое зарядное устройство для литиевого аккумулятора.
Главное отличие зарядного устройства от блока питания – четкое ограничение зарядного тока. Следующая схема имеет два режима ограничения:
Пока напряжение на выходе меньше 4,2 В ограничивается выходной ток, при достижении напряжением величины 4,2 В начинает ограничиватся напряжение и ток заряда снижается.
На следующей схеме ограничение тока осуществляют транзисторы VT1, VT2 и резисторы R1-R3. Резистор R1 выполняет функцию шунта, когда напряжение на нем превышает 0,6 В (порог открывания VT1), транзистор VT1 открывается и закрывает транзистор VT2. Из-за этого падает напряжение на базе VT3 он начинает закрываться и следовательно снижается выходное напряжение, а это ведет к снижению выходного тока. Таким образом работает обратная связь по току и его стабилизация. Когда напряжение подбирается к уровню 4,2 В в работу начинает вступать DA1 и ограничивать напряжение на выходе зарядного устройства.

А теперь список номиналов компонентов схемы:
- DA1 – TL431C;
- R1 – 2,2 Ом;
- R2 – 470 Ом;
- R3 – 100 кОм;
- R4 – 15 кОм;
- R5 – 22 кОм;
- R6 – 680 Ом (нужен для подстройки выходного напряжения);
- VT1, VT2 – BC857B;
- VT3 – BCP68-25;
- VT4 – BSS138.
33 thoughts on “ TL431 схема включения, TL431 цоколевка ”
К1242ЕР1АП производства «Интеграл» Минск
Я бы не называл малоточность TL431 ее недостатком, это ведь не стабилизатор, как таковой, а источник опорного напряжения для него. Применяя различную периферию можно решать различные задачи по мощности, точности, надежности и т.д. Вот, внешние цепи могут быть любыми, а управляются одним и тем же устройством — TL431. Что и делает ее такой распространенной и востребованной.
Понравилась схема зарядки, где необходима регулировка и по току и по напряжению, применены и биполярный и униполярный транзисторы — каждый в своем режиме.
Да, конденсатор между анодом и катодом этого «стабилитрона» ставить не следует ни в коем случае. Я так столкнулся с самовозбуждением схемы стабилизатора напряжения, когда по неопытности решил, что с конденсатором на выходе источника опорного напряжения на TL431 схема будет работать стабильнее. Поставил конденсатор на 10 нФ, и схема «завелась», выдавая на выходе «кашу» из импульсов вместо постоянного напряжения. Что неудивительно, для операционного усилителя входящего в состав TL431 такой параметр как максимальная емкость нагрузки нужно учитывать как и для всякого другого ОУ.
Уже писал выше, что использовать источник прецизионного опорного напряжения в виде стабилизатора странно. Еще более странно, какой стабильности можно добиться емкостью в десяток нан. Стабильности задаваемого напряжения, шунтируя и устраивая паразитную ОС? Или выходного? Конечно возбудится.
А что там было о источнике опорного в виде стабилизатора? Опорное в стабилизаторе применялось в своем прямом назначении, в качестве опорного, с которым сравнивалось выходное 🙂
Думаю в русско язычной литературе вход опорное напряжение надо было назвать- напряжением порога или срабатывания. Интересно производитель пробовал U опр подавать на инвертирующий вход операционного усилителя может и не было само возбуждения.
Транзистор подключенный к выходу ОУ инвертирует сигнал.
Делал в свое время самодельный лабораторный блок питания с регулировкой напряжения и ограничения по току. Очень понравилась работа МС TL431 как регулятора тока. Практически исполнил регулировку от 0 до 10А, хотя она, действительно мало точная, но как управляющее звено очень даже то, что нужно.
Класс. Спасибо. Попробую этот вариант
Насчет использования TL431 не только как источника опорного напряжения… Если использовать в задающей цепи терморезистор, то можно, к примеру, прикрепив его на радиатор, регулировать вращение охлаждающего (этот радиатор) кулера. Очень удобно для блоков питания, работающих на динамическую нагрузку и лабораторных. Если же использовать фотоэлементы, то можно, к примеру регулировать подсветку, в зависимости от окружающего освещения. Очень удобно для уличных фонариков на солнечных батареях: светит солнце — заряжаются, село — начинают светить, чем темнее на улице, тем ярче.
Здравствуйте, не могли бы скинуть схему на терморезисторе для кулера, спасибо
А можно ли заменить на схеме мощного стабилизатора напряжения дискретные транзисторы сборкой Дарлингтона, например TIP142?
Есть TL432 у нее другая распиновка.
управляющий электрод и катод надо поменять местами
СТАВЬ ЗЕЛЕНЫЙ РЕЗИСТОР НАГРЕЕТЦА ОТРУБИТ LI-ON СПАСЕТ БАТАРЕЮ.
Судя по «напряжение анод-катод: 2,5…36 вольт» Vref=2,5В? А то заострили внимание почему-то только на точности.
а как быстро сгорит vt2 в схеме зарядника, если контакты батареи случайно замкнутся? Или предполагается что R3 в 100к должен спасти ситуацию за счёт не очень высокой беты vt2? При 15 вольтах и средней бете, на нём будет рассеваться не менее 60 ма, это при максимальном токе в 100ма… По уму, последовательно с коллектором, или эмиттером vt2 должен стоять резистор ом в 350 и R3 уменьшен килоом до 5-10..
Нихрена не понял.. хоть бы параметры деталей указали.. так бы хоть чуть было понятнее что где и скоко.. А так хз.. какой транзистор, какой резистор и т.д.
на SOT-23-3 перепутаны местами катод и управляющий вывод.
на TO22/TO226 тоже маркировка не верная катод и управляющий наоборот.
А как ограничивается ток тл431 после окончания процесса зарядки?, через транзистор вт2, тл431 коротит на минус?!
Есть TL431 и TL432 распиновки зеркальные.
Мне одному кажется, что автор этой статьи упустил самое главное — спецификацию на эту микросхему?
это практическое применение, а спецификация есть в гугле)
Никогда не заморачивался сtl431 .Собирал схемы все работали.А сейчас мне надо в ИБП повысить с19 в до 24в.Все в гугле рекомендуют по плюсу .Тепер спасибо этой статье все получилось.
Автор молодец! Спасибо! Схема на стабилизацию напряжения работает на 100%.С точностью 0,02 вольта. При перепадах переменного напряжения в сети 40 вольт.
Здравствуйте, я правильно понимаю, что К142ЕН19 является отечественным аналогом? А можно как-то умощнить эту интегральную микросхему? Хотя бы даже Ваш пример на составных транзисторах подойдет?
Источник

Вам также может понравиться
