Представляю вашему вниманию схему управления реверсивной задвижкой с электроприводом типа AUMA SA выполненную в программе AutoCad в формате dwg.
Перед тем как рассматривать саму схему управления задвижкой с электроприводом типа AUMA SA. Нужно разобраться в самом принципе конструкции многооборотного привода SA.
Базовая комплектация привода представлена на рис.1 и состоит из следующих элементов:
- электродвигатель;
- червячный редуктор;
- блок выключателей (электромеханический и электронный), в данном случае используется электромеханический блок выключателей;
- ручной маховик для аварийного управления;
- электрическое присоединение и присоединение к арматуре.
Назначения каждого элемента описано ниже.

Электромеханический блок выключателей
Назначение и комплектация электромеханического блока выключателей описано ниже.

Более полная информацию на электроприводы типа АUMA представлена в технической документации. Данная документация находиться в архиве, со схемой управления задвижкой.
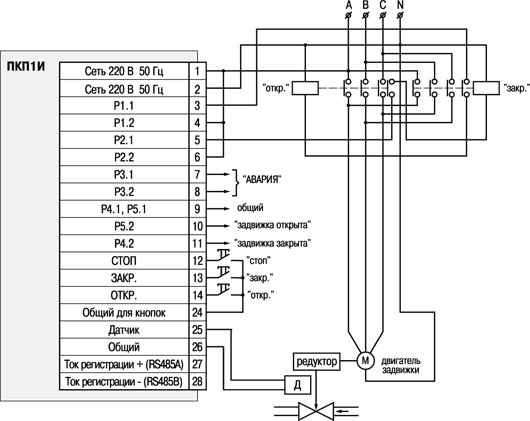
Схема управления задвижкой c электроприводом AUMA
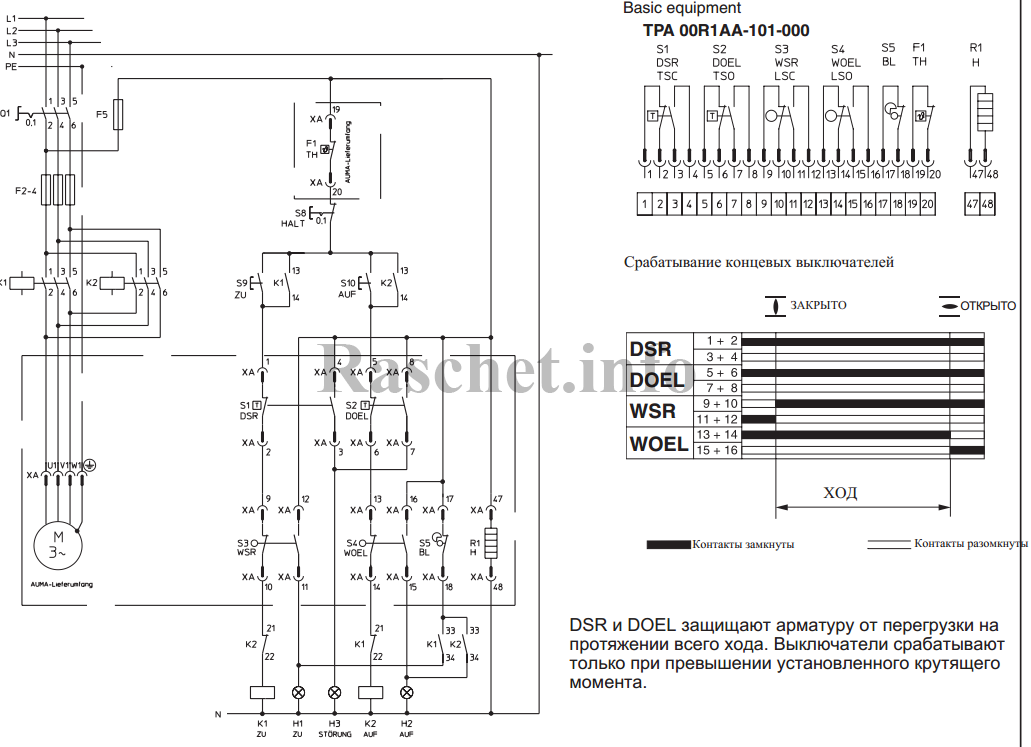
Данная схема выполнена на основании схемы ASV 111.1111 TPA 00R1AA-101-000, но с привязкой к проекту.

Сразу хотел бы обратить ваше внимание, что привод SA закрывает по часовой стрелке, а открывает против часовой стрелке.

Схема состоит из следующих устройств:
- автоматический трехполюсный выключатель – QF1 (защита цепей питания двигателя
380В);
- линейные контакторы – КМ1 и КМ2;
- автоматический однополюсный выключатель – SF1 (защита цепей управления
- кнопки «СТОП», «Открыть» и «Закрыть» с самовозвратом – SB1, SB2, SB3;
- переключатель выбора режима управления (Ручное/Автоматическое) – SA1;
- промежуточные реле – KL1 – KL4;
- сигнальные лампы — HL1,HL2, HL3.
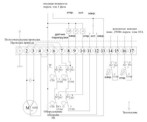
- отсутствует сигнал по встроенной в сам привод тепловой защите задвижки (контакты 19-20 термовыключателя F1 замкнуты);
- задвижка не заклинена, при этом контакты концевых выключателей DSR 3-4 и DOEL 7-8 разомкнуты, соответственно на катушку реле KL3 не подается напряжение и его контакты 11-12 – замкнуты.
- схема управления задвижкой c электроприводом AUMA в формате dwg;
- рекомендуемая схема подключения задвижки c электроприводом AUMA SA.2 ASV 111.1111 TPA 00R1AA-101-000;
- техническая документация на электроприводы производства компании AUMA.
220В);
Принцип работы схемы я буду рассматривать когда управление выполняется в ручную, то есть от кнопок SB1, SB2, SB3, переключатель SA1 при этом находиться в положении «Ручное».
Перед тем как управлять задвижкой, предварительно должны быть взведены автоматические выключатели QF1 и SF1.
Управлять задвижкой можно при условии, что:
Если данные условия выполнены, то на катушку реле KL4 подается напряжение и его контакты 21-24 замкнуты, тем самым подготавливается цепь на управление задвижкой.
Открытие задвижки выполняется при нажатии кнопки SB2 подается напряжение на катушку контактора КМ2. При этом контакты 64-63 КМ2 шунтирует кнопку SB2, делается это для того, чтобы катушка контактора была постоянно под напряжением и он не отключался при отпускании кнопки SB2.
В это время ротор двигателя начинает вращаться против часовой стрелки, задвижка при этом начинает — открываться. Порядок чередования фаз – С, В, А.
Закрытие задвижки выполняется при нажатии кнопки SB3 подается напряжение на катушку контактора КМ1. Также выполняется шунтирование кнопки SB3 контактами 64-63 КМ1.
В это время ротор двигателя начинает вращаться по часовой стрелке, задвижка при этом начинает — закрываться. Порядок чередования фаз – А, В, С.
Для защиты арматуры от перегрузки на протяжении всего хода используются отстающие концевые выключатели DSR 1-2, DOEL 5-6, WSR 9-10 и WOEL 13-14.
Для сигнализации используются опережающие концевые выключатели: DSR 3-4, DOEL 5-6, WSR 11-12 и WOEL 15-16.
Для индикации движения электропривода используется «Блинкер», во время движения контакт 17-18 «Блинкера» кратковременно замыкается-размыкается, тем самым создается мигание сигнальных ламп HL1 (Открыто) или HL2 (Закрыто), в зависимости от того открывается или закрывается задвижка.
Во избежания образования конденсата в блоке выключателя используется – обогреватель R1.
В архиве вы сможете найти следующие материалы:
Источник
Auma Схема Подключения
При этом контакты КМ2 шунтирует кнопку SB2, делается это для того, чтобы катушка контактора была постоянно под напряжением и он не отключался при отпускании кнопки SB2.
Порядок чередования фаз — А, В, С.

Закрытие задвижки выполняется при нажатии кнопки SB3 подается напряжение на катушку контактора КМ1. Во избежания образования конденсата в блоке выключателя используется — обогреватель R1.
AUMA Actuators, Inc. USA
Электромеханический блок выключателей Назначение и комплектация электромеханического блока выключателей описано ниже.

Порядок чередования фаз — А, В, С.

В это время ротор двигателя начинает вращаться по часовой стрелке, задвижка при этом начинает — закрываться. Перед тем как управлять задвижкой, предварительно должны быть взведены автоматические выключатели QF1 и SF1.

Данная документация находиться в архиве, со схемой управления задвижкой.

Сразу хотел бы обратить ваше внимание, что привод SA закрывает по часовой стрелке, а открывает против часовой стрелке. Управлять задвижкой можно при условии, что: отсутствует сигнал по встроенной в сам привод тепловой защите задвижки контакты термовыключателя F1 замкнуты ; задвижка не заклинена, при этом контакты концевых выключателей DSR и DOEL разомкнуты, соответственно на катушку реле KL3 не подается напряжение и его контакты — замкнуты.

AUMA: Участок сборки и настройки электроприводов
Данная документация находиться в архиве, со схемой управления задвижкой. Перед тем как управлять задвижкой, предварительно должны быть взведены автоматические выключатели QF1 и SF1.
В это время ротор двигателя начинает вращаться против часовой стрелки, задвижка при этом начинает — открываться. Если данные условия выполнены, то на катушку реле KL4 подается напряжение и его контакты замкнуты, тем самым подготавливается цепь на управление задвижкой.

Сразу хотел бы обратить ваше внимание, что привод SA закрывает по часовой стрелке, а открывает против часовой стрелке. Управлять задвижкой можно при условии, что: отсутствует сигнал по встроенной в сам привод тепловой защите задвижки контакты термовыключателя F1 замкнуты ; задвижка не заклинена, при этом контакты концевых выключателей DSR и DOEL разомкнуты, соответственно на катушку реле KL3 не подается напряжение и его контакты — замкнуты.
Управлять задвижкой можно при условии, что: отсутствует сигнал по встроенной в сам привод тепловой защите задвижки контакты термовыключателя F1 замкнуты ; задвижка не заклинена, при этом контакты концевых выключателей DSR и DOEL разомкнуты, соответственно на катушку реле KL3 не подается напряжение и его контакты — замкнуты.
Закрытие задвижки выполняется при нажатии кнопки SB3 подается напряжение на катушку контактора КМ1. Электромеханический блок выключателей Назначение и комплектация электромеханического блока выключателей описано ниже.

Также выполняется шунтирование кнопки SB3 контактами КМ1. Более полная информацию на электроприводы типа АUMA представлена в технической документации.

Более полная информацию на электроприводы типа АUMA представлена в технической документации. Перед тем как управлять задвижкой, предварительно должны быть взведены автоматические выключатели QF1 и SF1.
SETTING LIMIT SWITCHES
При этом контакты КМ2 шунтирует кнопку SB2, делается это для того, чтобы катушка контактора была постоянно под напряжением и он не отключался при отпускании кнопки SB2. Перед тем как управлять задвижкой, предварительно должны быть взведены автоматические выключатели QF1 и SF1.
Порядок чередования фаз — А, В, С.

При этом контакты КМ2 шунтирует кнопку SB2, делается это для того, чтобы катушка контактора была постоянно под напряжением и он не отключался при отпускании кнопки SB2. Данная документация находиться в архиве, со схемой управления задвижкой. Перед тем как управлять задвижкой, предварительно должны быть взведены автоматические выключатели QF1 и SF1.

Закрытие задвижки выполняется при нажатии кнопки SB3 подается напряжение на катушку контактора КМ1. В это время ротор двигателя начинает вращаться по часовой стрелке, задвижка при этом начинает — закрываться.

Электромеханический блок выключателей Назначение и комплектация электромеханического блока выключателей описано ниже. Порядок чередования фаз — С, В, А.

Перед тем как управлять задвижкой, предварительно должны быть взведены автоматические выключатели QF1 и SF1. При этом контакты КМ2 шунтирует кнопку SB2, делается это для того, чтобы катушка контактора была постоянно под напряжением и он не отключался при отпускании кнопки SB2.
Более полная информацию на электроприводы типа АUMA представлена в технической документации. Сразу хотел бы обратить ваше внимание, что привод SA закрывает по часовой стрелке, а открывает против часовой стрелке. При этом контакты КМ2 шунтирует кнопку SB2, делается это для того, чтобы катушка контактора была постоянно под напряжением и он не отключался при отпускании кнопки SB2.
Также выполняется шунтирование кнопки SB3 контактами КМ1. Электромеханический блок выключателей Назначение и комплектация электромеханического блока выключателей описано ниже.
Setting SA — SQ Limit Switches
В это время ротор двигателя начинает вращаться по часовой стрелке, задвижка при этом начинает — закрываться.
Во избежания образования конденсата в блоке выключателя используется — обогреватель R1.
Базовая комплектация привода представлена на рис. Также выполняется шунтирование кнопки SB3 контактами КМ1.
Порядок чередования фаз — А, В, С. Порядок чередования фаз — С, В, А.
Наши рейтинги
В это время ротор двигателя начинает вращаться против часовой стрелки, задвижка при этом начинает — открываться. Перед тем как управлять задвижкой, предварительно должны быть взведены автоматические выключатели QF1 и SF1. Нужно разобраться в самом принципе конструкции многооборотного привода SA. Электромеханический блок выключателей Назначение и комплектация электромеханического блока выключателей описано ниже.
При этом контакты КМ2 шунтирует кнопку SB2, делается это для того, чтобы катушка контактора была постоянно под напряжением и он не отключался при отпускании кнопки SB2. В это время ротор двигателя начинает вращаться против часовой стрелки, задвижка при этом начинает — открываться. Базовая комплектация привода представлена на рис.
В это время ротор двигателя начинает вращаться по часовой стрелке, задвижка при этом начинает — закрываться. Порядок чередования фаз — А, В, С. При этом контакты КМ2 шунтирует кнопку SB2, делается это для того, чтобы катушка контактора была постоянно под напряжением и он не отключался при отпускании кнопки SB2. Сразу хотел бы обратить ваше внимание, что привод SA закрывает по часовой стрелке, а открывает против часовой стрелке.
Базовая комплектация привода представлена на рис. Во избежания образования конденсата в блоке выключателя используется — обогреватель R1. В это время ротор двигателя начинает вращаться по часовой стрелке, задвижка при этом начинает — закрываться.
AUMA AC Internal Power Supply Fuses
Источник

Вам также может понравиться
